开机后荧屏上方1/5处有红绿两条线,不断地向上移,持续约2分钟后消失,关机后再次开机则无此现象,当停机较长时间后(冷机)开机,此故障又会出现。 
    这个故障检修的难点在于故障持续时间相对较短,不便检测;另一方面故障重现的时间间隔较长,需要等到电视机完全冷却。现以TCL2999UZ为例,谈一一谈其检修体会。 
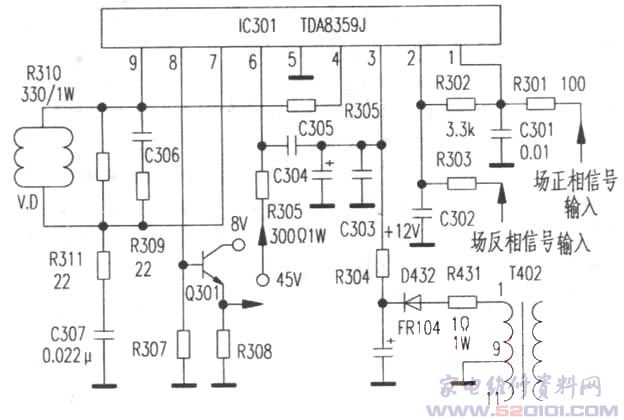
    对于此类问题,毫无疑问检测的重点应放在场扫描电路上。此机采用的是飞利浦TDA9830超级单片机,场输出集成电路IC301采用的是TDA8359J,见附图。 
    发生故障时有图像,说明TDA8359J未损坏,能工作。检测TDA8359J各脚电位,①、②脚在0.7V左右,④、⑦、⑨脚在7V左右,③脚为12.9v,⑤脚接地,⑥脚为47V,⑧脚在0.2V左右,均属正常。因此我把故障点锁定在场输AA⑦脚及场输出 B④脚的外接电容C306、C307上。 
    根据维修的经验,荧屏上出现亮线往往是这两只电容漏电造成的。将这两只电容更换后,故障排除。可第二天,用户告之,故障依旧。打电话给我市的厂家售后服务部,售后服务部的工程师说,还没有发现过这样的问题,告之把C306换一下试试,看来向他们求救是没有希望了;于是向同行请教,同行说以前遇到过此类故障,但未查出原因,觉得也不怎样影响收看,也就没有深究。 
    笔者下决心一定要修好!将用户的电视机拉回家,将场输出电路除集成块外的所有元件一一进行了检测试换,结果还是不行。思来想去,现在唯恐一没有更换的就是集成块IC301了,于是更换TDA8359J,试机几天一切正常后,交给用户。 
    小结:此例故障是TDA8359J集成块性能不稳定所致,这种故障在我们近几年的维修中已发现过多例,主要集中在TCL机型,例如AT2999UG、AT290UB、AT2570U、AT29187等采用TDA8359J的机型。