• 音箱的声音效果差

    (1)无声音: 故障原因:扬声器音圈烧断;扬声器音圈引线断路;馈线开路;与放大器的连接未接妥。 (2)声音低: 故障原因:扬声器质量低劣;低音扬声器相位接反。 (3)声音失真: 故障原因:扬声器音圈歪斜;扬声器铁心偏离或磁隙中有杂物;扬声器纸盆变形;放大器馈给功率过大。 (4)有杂声: 故...

       2007-08-31

  • HT-920数字汽车音响液晶显示不正常,收音时有一声道无声,但放音正

    一台HT-920型数字调谐调幅、调频立体声收音、自动循环放音汽车音响,不慎受到猛烈碰撞,造成液晶显示不正常,收音时有一声道无声,但放音正常。   一、检修思路   HT-920型数字调谐汽车音响电路较为复杂,与本故障检修相关电路框图如附图所示。整机主要由五块集成电路构成,其中:收音电路由一...

       2007-08-31

  • 日本产BOM功放一声道无音

    经检杳,功放管2SA1301。2SC3280,都是好的。正负电源供电是正常的,测大功率电阻是好的。二极管也是好的。都是好的,那为什么继电器不吸合?   打开台灯,研究电路,发现给C2073供电的电阻5.6K的电阻一头的铜皮已断。重新焊好。   工作正常了。...

       2007-08-31

  • 声威AV-280型功放通电后播放时中置和环绕声道均无输出

    该机左、右声道正常,说明故障出在中置和环绕声道独立电路中,该功能是经R325和R326分别从左、右声道分离出来,经C320耦合、Q301射随、C321耦合到后级功放。由于后级功放电路正常,说明故障出在C321与R325之间,检查发现Q301c、e极已击穿损坏。更换一只9014后...

       2007-08-31

  • 声威AV-280使用中用遥控器控制音量失灵,但指示灯正常闪烁

    该机的遥控信号经IC1(MKS112-001)处理后从第、、脚分别输出正反向控制信号,指示灯分别串联在正向控制信号电路中,指示灯闪烁,说明遥控信号已有输出,判断故障出在电位器旋转控制电路中。用万用表检测四只驱动管Q1~Q4,发现Q3、Q4c极无电压,而该电压取自+5...

       2007-08-31

  • 声威AV-280唱卡拉OK时,声音时有时无,并伴有“沙沙”声,但用其

    从现象分析,说明故障仅出在卡拉OK独立电路中,开机测话筒前置放大IC(4558)的±15V电源电压异常(不对称),致使前置放大块不能正常工作,该电源电压来自电源调整管3DD15,检查3DD15无异常,手摸其外壳时,故障消失,估计为3DD15的c极接触不良。用导线将c极直接连到电路板后试机,...

       2007-08-31

  • 奇声AV-737功放在播放中途,有时自动进入杜比序列噪音测试状态

     在播放中途,有时自动进入杜比序列噪音测试状态,按TEST键能退出测试。测试模式正确,其它功能正常。   故障出现时,测M69032P的{23}脚低电平,{24}、{25}脚按00、01、10、11状态循环变化,说明序列测试控制电路正常,故障应在TEST触发电路。怀疑TEST开关不良,更换...

       2007-08-31

  • 健伍SRC-69组合音响播放CD唱片或收音时只能保持几分钟就自动跳到

    观察播放磁带正常。 该音响的节目源选择功能由位于双卡录音座放大器KAX-48的IC8(LM6416F-2182)和IC2(LC7821)共同完成,其中IC8是系统控制单元,IC2是节目源选择电子开关。IC8(LM6416F-2182)为28脚平装集...

       2007-08-31

  • 如何解决声频功放大环路反馈隐患

    大环路负反馈声频功率放大器(简称功放)中的某些环节进入饱和状态时,在一定条件下,由负反馈形成的误差电压会驱使甲乙类互补对功率管瞬间全导通,从而危及到功放的安全。有必要采取措施防止这种事态发生。 随着音响技术的发展,声频功率放大器的技术已发展得相当成熟,...

       2007-08-06

  • 有关音频编码的知识与技术参数

      自然界中的声音非常复杂,波形极其复杂,通常我们采用的是脉冲代码调制编码,即PCM编码。PCM通过抽样、量化、编码三个步骤将连续变化的模拟信号转换为数字编码。   1、什么是采样率和采样大小(位/bit)?   声音其实是一种能量波,因此也有频率和振幅的特征,频率对应于时间轴线,振幅对应...

       2007-08-06

  • 关于场馆声学基础

    本文原作者和出处信息已经丢失转载仅仅出自传播目的,若侵犯您的权益请来函告知  要健身和开展各项体育活动,就需要建造体育场馆。近年所建造的体育馆通常超越了体育活动和竞赛场地原有的功能使之有很大的扩展。在体育馆内不仅进行各种会议、报告,而且开展大型文娱活动,包括综艺晚会、大型演唱会、杂技、马戏...

       2007-08-06

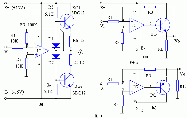
  • [图文]集成运算放大器输出电流扩展电路

      图1所示为三种集成运算放大器输出电流扩展电路,图(a )为双极性扩展电路;图(b)、图(c)为单极性扩展电路。  在图1(a )所示电路中,当输出电压为正时,BG1管工作、BG2管截止;输出电压为负时,BG1管截止、BC2管工作。二极管D1、D2 的作用是给BG1、BG...

       2007-08-06

  • 电压跟随器对音质改进有何作用

    电压跟随器,顾名思义,就是输出电压与输入电压是相同的,就是说,电压跟随器的电压放大倍数恒小于且接近1。没有电压放大倍数??那他有什么特点和作用?  电压跟随器的显著特点就是,输入阻抗高,而输出阻抗低,一般来说,输入阻抗要达到几兆...

       2007-08-06

  • [图文]集成运算放大器输出过流保护电路

       图1所示为集成运算放大器输出过流保护电路,在因某种原因(如输出短路等)使集成运放输出过流时,保护电路即成恒流源,使集成运放不至因输山过流而损坏。  图中,场效应管3DJ7按在集成运放输出端,并采用近似恒流源的接法。当电路工作正常时,场效应管呈现低阻抗,基本不影响电路的...

       2007-08-06

  • [图文]集成运算放大器供电过压保护电路

        图1所示为集成运算放大器供电过压保护电路。当运放电路块的实际供电电压较高、或供电电源产生突变时,采用上述电路后保护运放电路块,使其不至于烧坏。  图中,DW1、DW2可取稳压值略低于集成运放最大工作电源电压、而大于实际工作电源电压E+、E-的稳压二极管。BG1、BG...

       2007-08-06

  • [图文]集成运算放大器的单电源供电电路

      大多数集成运算放大器电略部采用正、负对称的双电源供电,在只有一组电源的情况下,集成运算放大器也能正常工作。图1所示为两种采用单电源供电的供电电路。  采用单电源对集成这算放大器供电的常用方法是,把集成运算放大器两输入端电位抬高(且通常抬高至电源电压的一半,即 E+/2)...

       2007-08-06

  • 浅谈音频电缆

    不管是音乐制作设备还是声音回放设备,音频电缆一直是一个重要的部分,但是相当多的人并不重视它。这或短或长的线,有粗有细的芯,以及各种各样的接头,担负着音频数据的传输工作,而如果一套好的音乐回放设备,没有搭配一条合适的音频电缆,就不能达到最好的回放效果,有时甚至会“惨不忍听”。本文介绍了...

       2006-12-16

  • 扩声系统设备的检修方法

    一、直观检查法 直观检查法是断开电源后立即进行。不用仪器、仪表,凭直观的感觉,调动视觉、听觉、嗅觉、触觉等4种感觉特性,进行判断。这种检查方法虽然准确性较差些,但速度快,直观检查法尤其对电源故障检查很有用。 一看 观察机器或部件及其外部结构。看按键开关、接口、指示灯有无松动,...

       2006-12-16

  • 如何选择最先进的无线话筒

    由于当今无线电通讯技术的进步,相对地提升了无线话筒产品的品质及功能,达到成熟实用的领域:而从业厂商日益增多,价格也因竞争而日趋下降,触发消费者对这项产品的逐渐爱好及普遍应用。笔者以从事销售专业制造无线话筒八年的经验,在此提供有关这项产品在设计上最新的技术要项,让消费者在选购这项产品之...

       2006-12-16

  • 关于声阵

    声阵是目前室外和大型文艺演出经常选用的一种扩声模式,它的工作原理是将音箱进行垂直方向排列(竖向)每一只音箱(扬声器)都有一个园锥体形的辐射空间,这些园锥形的空间声压相应挤压,构成一个横向的椭圆形的复盖空间,正好铺满观众席的位置,这就是声阵的...

       2006-12-16