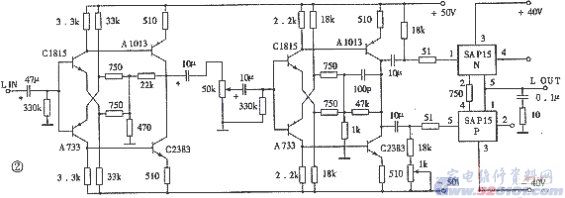
SAP15N/SAP15P是日本三肯株式会社研制的大功率复合对管,该管(见下图)采用新近发明的TRAITR(高速热反应型半导体),其内部装有可以稳定功率三极管工作的温度补偿电路,管内封装了驱动管、末级功率管、末级管发射极电阻、偏置电流温度补偿二极管。以往稳定大功率管的作法是将补偿管接在功率管旁边,这样,补偿管在受温均衡度和速度上都需要一定的时间,必须等到温度稳定之后,才能均匀放大出音乐信号,甚至可能造成过补偿,即温度越高,偏流越小,对甲乙类放大会产生过零失真。SAP15N/SAP15P复合对管避免了这种弊端。采用该对管的线路性能指标一致性更佳,性能更稳定,小音量时失真也很小,而且增加了声音的渗透力,音质音色好,定位准确。该对管的主要参数为I=15A,Pc=150W。每声道一对,相当于每声道有4只三极管,能提供强大的功率输出。

下图是采用SAP15N/SAP15P的凤之声音乐王子合并式甲类放大器电路(图中只画出了一对SAP15N/SAP15P,实际电路为两对并联工作,当然还包括了51和750欧这两个电阻),主要指标为,输出功率:80W×2(RMS,8Ω);频响:20Hz~20kHz(-0.5dB);谐波失真:<0.08%(1kHz);信噪比:>100dB(A)。
网友评论