• 新型调频发射芯片MAX2606

    MAX2606是新型调频发射芯片,内部集成了变容二极管的压控振荡器,只需要外接少量的元件就能组成一台高品质调频发射机。MAX2606采用SOT230-6微型封...

       2006-08-11

  • 瞬态电压抑制器的应用

    瞬态电压抑制器简称TVS,是一种高效能的保护器件。当TVS的两极受到反向瞬态高能量冲击时,它能以1×10-12秒量级的速度,将其两极间的高阻抗变为低阻抗,吸收高达数千瓦的浪涌功率,使两极间的电压钳位于一个预...

       2006-08-11

  • 愿作音响烧友和音响业界的忠实伙伴

    《电子报》的音响技术版在新的一年里将坚持不懈地以音响技术的实用性、趣味性、技术性为主,刊登音响烧友的发烧实践、技术革新和音响业界新产品、新技术方面的文章。读者可能有印象,本版去年对数字功放进行了较多报道,今...

       2006-08-11

  • 运放型声音清晰度增强器

    BBE高解析力声音处理器的原理是将信号源的高频信号、中频信号、低频信号分别经高通滤波器、带通滤波器、低通滤波器输出,然后分别控制其增益再混合,突出信号源中高频信号、低频信号的信息含量,达到延伸频响及清晰度的...

       2006-08-11

  • 试用ZXCD-1000数字功放板

    华田广告一出,我即邮购了一块ZXCD-1000数字功放板。称英国设计,印板上印有DIGTAL AUDIO字样,外形尺寸为12mm×12mm×5mm。顺便购进一台IBM 37V 8A开关电源。这台开关电源J1...

       2006-08-11

  • 小家电包括哪些产品

    近年来,小家电成为市场销售的热点,其销售势头甚至超过大家电。那么,小家电究竟包括哪些呢?据统计,小家电主要包括如下几类: ...

       2006-08-11

  • 中频放大TDA3840

    中频放大TDA3840 ...

       2006-08-11

  • 如何使用录音机的暂停键?

    当你在放音或录音过程中需要暂时中断时,要使用暂停键而不要使用停止键。如使用停止键,在一断一启时,致使衔接点不连贯,声音遭受损失,并产生很大的杂音。这是因为按下停止键时,整个机器的电源中断了,因此电机停转,录...

       2006-08-11

  • 音箱故障的检修

    (1)无声音:故障原因:扬声器音圈烧断;扬声器音圈引线断路;馈线开路;与放大器的连接未接妥。(2)声音低:故障原因:扬声器质量低劣;低音扬声器相位接反。(3)声音失真:故障原因:扬声器音圈歪斜;扬声器铁心偏离或磁隙中有杂物;扬声器纸盆变形;放大器馈给功率...

       2006-08-11

  • 怎么挑MP3播放机

    1、容量:如果要求容量很大,那得选MP3-HD播放机了,从5G到20G任选,品牌刚才也介绍了几个。但在容量上去的同时却又牺牲了它的重量,通常比普通的MP3播放...

       2006-08-11

  • 早期AV功放加装5.1接口二例

    随着DVD的面市,AC-3及DTS家庭影院的5.1环绕系统,已被大家认可和接受,但有很多家庭早期已配备了具有杜比解码环绕系统的功放,性能也很好,但无5.1声道的接口。 早期AV功放,虽然有很多种品牌,但实际电路原理大同小异,多数都是以LA27...

       2006-07-31

  • 电子功放的检修技巧

      电子管功率放大器工作在高压状态,与晶体管相比检修方法有所不同。检修时应首先弄清机器 的使用情况,故障发生的前后过程盒故障表现特征等。因为有的故障并非在功放内部,有的故障时 有时无,有的要通电一段时间后才出现,还有的时因使用不当造成等等。笔...

       2006-07-27

  • 奇声AV-737功放疑难故障检修两

    〖例1〗故障现象 一台奇声AV-737功放与VCD组合,连好信号线,插上电源,功放进入等待状态。若先打开VCD电源,后开功放,则功放所有功能键均失效(包括遥控),出现死机故障。此时单独拔下AV-737的电源插头,等待几秒钟再插,开机一切正常。若每次先打开AV-737功放电源,再开VCD,则...

       2006-07-23

  • DV-315AV定向逻辑解码器

    由于CD机已流行多年,不少家庭已拥有一套立体声Hi-Fi组合音响,在此基础上升级为家庭影院相当简单,只要配置解码器就可收到实现Hi-Fi升级与增加AV功能的两全其美的效果。最近八达公司推出一款DV-315AV解码器,正是使Hi-Fi组合音响升级为家庭影院的一种产品。它具备定向逻辑解码功能,...

       2006-07-23

  • 高保真功放的安全检修

    高保真OCL、OTL功放电路,一般前级多采用差分放大输入,末级采用互补大功率对管输出,前后级之间直接耦合。它具有工作稳定、频率特性好、失真小等优点,因而在近几年专业和家用功放电路中得到广泛的应用。但是,由于采用多管直接耦合,一旦某只元件变质或损坏,会造成整个电路工作点的改变,轻则导致声音小...

       2006-07-23

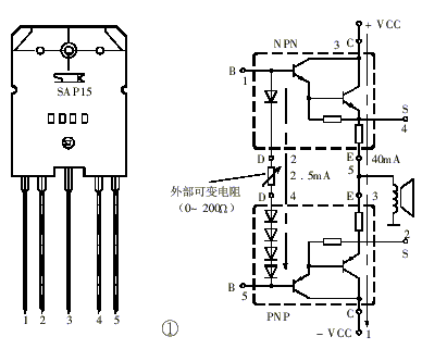
  • 采用SAP15N/P音响对管的甲类功率放大器

    甲类晶体管功率放大器,音色温暖甜美,使人倾心。但甲类功放温升较高,如采用普通的双极性晶体管,则温度稳定性较差,调试困难,使用中也让人担心。本文介绍输出级采用三肯产品SAP15N/P音响对管的甲类功放。SAP15N/P输出电流15A,耐压160V,功率150W,结温150℃。该晶体管内置温度...

       2006-07-23

  • 群星数显高级汽车音响收音软故障检修

    收舷窒笠惶ㄈ盒荢F-918D型数字显示、自动返带高级汽车音响,用磁带放音时音量正常,FM波段收音也无问题,仅是接收AM电台广播时,无论是本地电台,还是远地电台,声音有时会变小,有时又很正常。在声音较小时,有的较弱的电台基本上接收不到;有的虽可接收到,但调节音量电位器也不能使音量变大。  分...

       2006-07-23