TCL牌MS81L机芯液晶彩电主芯片采用台湾MSTAR公司生产的MST6M181VS -LF(U501),该机芯是在MS81机芯基础上的降低成本改进版,去掉了EPROM存储器( 原存在EPROM存储器的数据改存在FLASH存储器中),音频功放块由原来的数字功放块TAS5707改为模拟功放块TPA3113D2,但仍具有AV、YPbPr、HDMI (高清多媒体)、VGA及USB接口。本机芯液晶彩电的主要型号有L23F3200OB、L23F3000B、L32F330B、37330B、39F330B、L43F3300B、L48F3300B、L23F3270B、L23F3280B、L23F3290B、L32F3260B、L32F3270B、L32F3280B、L32P21BD、L32P60BD、L40P60FBD、L42P60FBD、LCD32R18L、LCD42R18L、L32S10、LED32C710L、LED37C710L、LED43C710L、LED32C720L、LED37C720L、IED43C720L、LED39C710、LED39C710、LED39C720、LE32M03、LE42M03等。
一、信号流程分析
1.视频信号
本机芯液晶彩电的视频信号流程如图1所示。高频头10、11脚输出的复合中频信号,经中频滤波网络滤波后,送入U501的74、75脚,在U501内部分离成图像中频与伴音中频信号。其中,图像中频信号经AGC中频放大PLL视频检波等处理后解调出图像信号,经A/D转换后送入信号选择开关。
被选择后的TV图像信号经3D梳状滤波、彩色解码、同步信号处理、VBI限幅降噪、逐行变换等一系列处理后,送入视频格式转换电路,经格式缩放变换LVDS编码后形成的LVDS数据和时钟信号,从U501的98~122等脚输出,通过插座P502送入逻辑板,然后驱动液晶屏重现图像。
HDMI信号经插口P400从U501的⑤~⑧脚及10、11、13、14脚输入;VGA信号经插口P402从U501的25~31脚输入;YPbPr信号分别经插口P302从U501的36、34、38脚输入;AV视频信号经插口P300的⑥脚送到U501的42脚;AV视频信号从U501的46脚送至插口P306对外输出;USB插口P303的数据端与U501的198、199脚相连。模拟信号在U501内先经AD转换,变为数字信号后再送入信号选择开关,与输入的数字信号进行切换,后续处理同TV信号。
2.音频信号

本机芯液晶彩电的音频信号流程如图2所示。在U501内部,被分频电路分离出的伴音中频信号,经AGC中频放大、鉴频、检波等处理后解调出音频信号,送往信号选择开关。被选择的伴音音频信号在U501内部经声频处理及音效处理后,从U501的64、65脚输出,送往前置放大电路及音频功放块U601(TPA3113D2)。功率放大后的L、R路音频信号分别从U601的25、23及20、18脚输出,推动扬声器发声。AV输入的音频信号经插座P300送入U501的49、50脚,YPbPr与VGA音频信号经插座P301送入U501的47、48脚。上述输入信号被信号选择开关选择后的流程与TV音频信号相同。该机芯液晶彩电AV输出的L、R音频信号从U501的62、63脚输出,经前置放大后从P304的④、②脚输出。
本机芯液晶彩电开/关机静音控制过程如下:开机时,+12V电压经D600③、②脚及R673给C669充电->Q601的e极电压升高->当Q601 e-b结正偏电压大于0.6V时->Q601导通->Q610导通->U601静音控制端①脚为低电平,实现开机时静音。随后,C669通过R678及Q601.Q610放电,此时,C625已充电完毕。当Q601 b极电位高于e极电位时,Q601截止->Q610截止->U601①脚恢复为高电平->静音解除,保证观看过程声音正常。关机时, C625存储的电荷通过D600①、③脚及R672、12V电源端对地放电。当Q601 b极电位低于e极电位0.6V时->Q601导通->Q610导通->U601①脚为低电平->实现关机时静音。
当按下遥控器“静音”键时,U501127脚输出高电平,Q610导通, U601①脚变为低电平,实现人为静音。
二、常见故障检修思路
故障现象1:不开机。分析检修:本机芯液晶彩电的开机过程如下:接通电源开关,待机电源首先工作,产生+3.3V_STB(部分机型为+5V_STB )待机电压,为指示灯、遥控接收及CPU、FLASH存储器等电路供电。二次开机后,U501的214脚输出高电平开机信号,插座P100 10脚为高电平(相关电路见图3),主电源工作,输出+12V (部分机型为+24V)。
与此同时,Q103导通,开关管Q104导通,主板得到工作电压。U501 215脚输出高电平,使待机指示灯由红色变为绿色(部分机型变为熄灭)。同时,U501 210脚输出低电平BL_ON_OUT背光板工作信号,背光灯点亮;U501 88脚输出高电平信号,控制管Q107导通,开关管Q106导通,逻辑板得电;U501 96脚输出初始DIM PWM亮度信号(P100 11脚电压不低于+3V),背光点亮,屏上出现开机画面。若上述开机过程因故障受阻, U501 214、215、210、88、96脚会输出与上述相反的电平,主电源停止工作,红色待机指示灯重新点亮。不开机故障检修框图如图4所示。

故障现象2:无声音。分析检修:如果只是某一信号源无声,则先检查该信号源的输入电路;如果所有信号源均无声音,其检修流程如图5所示。

故障现象3:图像异常。分析检修:图像异常,是指黑屏、灰屏或花屏等现象(伴音正常)。由于图像信号的处理基本上都是在U501内进行的,因此检测点并不多。若某类信号源图像异常,先查该信号输入端的波形,若异常,应重点检查该信号源输入电路;若正常,说明U501内部电路有故障,这时可先升级软件,若无效,则考虑更换U501或数字板。本故障的检修流程如图6所示。
三、故障检修实例
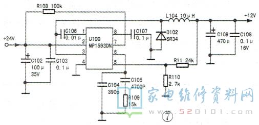
例1:一台LED43C710L型液晶彩电,不开机,且待机指示灯也不亮。分析检修:开盖检查,电源板已输出3.3V待机电压和24V主电压,但背光不亮,也无12V上电电压。
12V电压是由24V电压经DC/DC变换块U100(MP1593DN)转换得到,如图7所示。待机指示灯与屏供电控制电路所需的5V电压,由DC/DC变换块U101 (RT8110B) 与Q100(D13NO3LT)将12V电压变换得到,决定从12V电压查起。上电测得C109正极电压为0V。观察发现,滤波电感L104一端已脱焊,重新焊接后试机,故障排除。

例2:一台LED37C720L型液晶彩电,上电后指示灯亮,按遥控“开机”键后待机指示灯不熄灭,也不开机。分析检修:测主板上插座P100 10脚无+3V的高电平开机信号,U501的开/待机端214脚也未输出高电平开机信号。查U501相关端子供电情况,未发现异常。如果CPU外接的时钟或复位电路异常,也会导致不开机。先查U501②脚外接的复位电路,如图8所示,发现始终没有高电平信号输出。正常时,在开机瞬间,Q500的c极输出高电平,随后Q500截止,其c极输出低电平,复位结束。经查Q500的c、e极已开路,将其换新后故障排除。

例3:一台L43F3300B型液晶彩电,上电后待机指示灯亮,按遥控“开机”键后,待机指示灯闪烁约10s又重新常亮,但不开机。分析检修:测U501 214脚未输出高电平开机信号。待机指示灯闪烁后又重新点亮,说明待机电源正常,故障很可能是保护电路动作所致。考虑到保护电路动作通常跟过压或过流有关,决定从开关电源输出电压查起。在按遥控器开机键时,迅速测主板上插座P100的①脚,发现有+24V电压,但波动一下后变为0V。
为了确定故障范围,在P100⑦脚(+5V_ STB)接一只10k电阻至P100 10脚强制开机,发现主板上的+24V、+12V电压均正常,但测U104(MP2127)输出端③脚输出的1.26V 电压不稳。U104将输入的+5V电压变为1.26V ,如图9所示,为主芯片内核供电。手摸U104外表有一定温升 ,测量输出端③脚对地电阻为数百欧姆且不稳定。断开L106再测,阻值上升至稳定的数十千欧。显然,U104的负载有问题。经检测,输出滤波电容C140漏电严重,将其换新后试机,故障排除。

例4:一台LED32C720L型液晶彩电,开机后出现满屏彩色条纹。分析检修:导致本故障的原因有:(1)LVDS信号格式错误;(2)LVDS信号插座或逻辑板上屏线插头接触不良;(3)DDR存储器U502(HY5DU281622FT)的供电丢失或本身损坏;(4)U501 的+2.5V_ DDR _VDD供电丢失或内部DDR处理器损坏;(5)U502与U501通信电路存在开路或短路故障。
检查LVDS信号插座P502的②脚(信号格式选择端)是正常的低电平,LVDS信号插针也无接触不良现象,U501及U502的+2.5V供电无异常。查看U501的163~169脚焊点,发现有几个焊点虚焊,补焊后试机,故障排除。
例5:一台LED32C710L型液晶彩电,工作15min~ 20min后伴音中有杂音。分析检修:为确定故障范围,用吹风机对主板加热,当加热到音频功放部分时,杂音出现,怀疑功放块U601不良,但更换后故障依旧。根据经验,决定从查U601的各脚电压入手。检测中发现U601 11脚电压不稳定,冷机时约3V,热机时约2V。U601 11脚是反相信号放大器的去耦端,外接去耦电容C610,如图10所示。将C610换新后试机,故障排除。

例6:一台LED39C720型液晶彩电,无声音。分析检修:首先用改锥碰触U601的信号输入端,扬声器中无“嗡、嗡"声,判断故障应在功放电路或静音电路中。测U6017、15、16、27、28脚的+24V供电均正常,但①脚却为低电平,看来静音电路有问题。参见图2,经查Q610的c、e极已击穿。将其换新后试机,U601的①脚电压升为2.8V ,伴音恢复正常。
网友评论