TCL LCD3726液晶彩电采用的电源板实物如图1所示,该电源板还应用于TCL LCD3026H、LCD32A71 -P、LCD32B66 -L、LCD32B67、LCD32K73、LCD37A71、LCD37B66、LCD37B67、LCD37M3、L32E77、L37E64、TCL 40A71-P等液晶彩电中,只是个别电路根据供电和控制需要有所改动,元件编号不同,可参照维修。
一、电源板简介
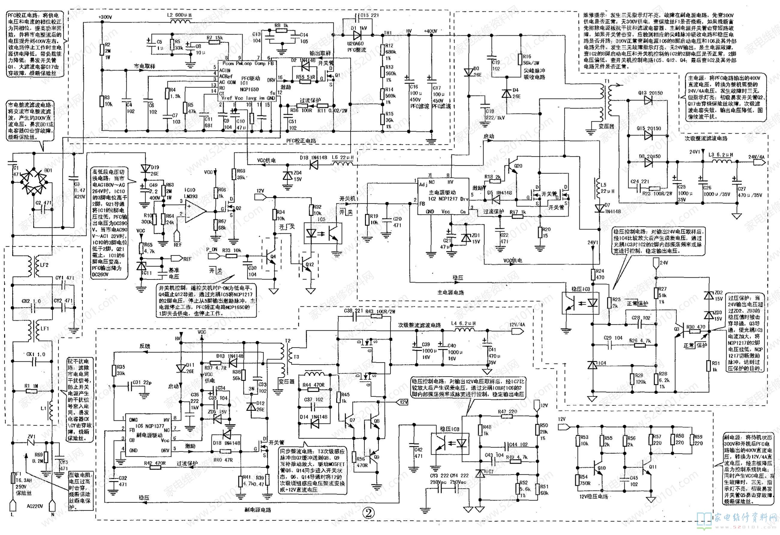
TCL LCD3726液晶彩电电源板工作原理图解见图2所示。由三部分组成:一是以驱动控制电路NCP1377(IC6 )和大功率MOSFET开关管Q5为核心组成的副电源,为主板上提供+12V电压,降压后向微处理器控制系统供电,同时为开关机电路提供vCC工作电压;二是以驱动控制电路NCP1650 (IC1) 和大功率MOSFET开关管Q1为核心组成的PFC功率因数校正电路,校正后将市电整流滤波后的电压提升到400V;三是以驱动控制电路NCP1217(IC2 )和大功率MOSFET开关管Q2、Q17为核心组成的主电源,为负载电路提供+24V的电压。开关机采用控制主电源NCP1217(IC2)振荡的方式。通电后副电源首先工作,产生+12V和VCC电压,其中+12V电压在主板降压后为控制系统供电,此时开关机电路将主电源IC2的②脚电压拉低而停止工作;二次开机后开关机控制电路解除对IC2②脚的控制,主电源启动工作,为主板提供+24V电压的同时,还为PFC校正电路IC1提供VCC供电,PFC校正电路启动工作,将副电源和主电源的300V供电提升到400V,整机进入开机状态。
该电源板在次级设有以Q3为核心的过压保护电路:保护电路启动时开关电源停止工作。该电源板的集成电路引脚功能和维修数据见表1、表2、表3所示。
如果开机发生无光栅、无图像、无声音三无故障,指示灯不亮,是副电源故障。如果指示灯亮;且伴音正常,只是黑屏幕,则是主电源工作。图3是TCL LCD3726液晶彩电电源板维修步骤流程图,供维修时参考。
有源PFC电路常见故障是开关管Q1击穿和PFC控制器NCP1650不振荡。输出电压降到280V左右。先测NCP1650的①脚供电是否正常,再查NCP1650外部元件是否正常。12V开关电源常见故障有开关管Q5击穿,NCP1377不振荡。在NCP1377的⑥脚加15V维修电压,若起振,查⑧脚启动元器件和⑥脚供电元器件是否正常。若正常但不起振,再查NCP1377的②脚外部稳压控制电路。
24V开关电源无输出,先测量NCP1217的⑧脚是否有启动电压,测量开关机控制电路Q12的集电极电压是否为5V,否则检查开关机控制电路的Q4、Q12。 最后查NCP1217及其外部元件是否正常。
如果发生自动关机故障,测量Q3由正常时0V变为高电平0.7V以上,则是过压保护电路启动。可接假负载,将Q3的基极与发射极短路,解除保护开机测量输出电压,电压过高查稳压电路,电压正常查保护稳压管ZD2、ZD3和Q3是否漏电。



网友评论