• 部分户户通M8模块接线图

    1、天谕接线图 2、天谕模块 3、瑞高05070009模块 4、QW300模块 5、M51和有方模块 6、M51模块 ...

    杜飞   2024-12-23

  • 户户通机顶盒出现001信号中断的维修思路

    户户通机顶盒出现“001信号中断”的故障含义是无信号质量,需要按照以下思路进行故障排查: A、检查元件是否腐蚀掉落。 &nbs...

    泉州天地星   2024-10-14

  • 户户通不开机只有电源指示灯亮的维修思路

    关于此类故障问题维修思路:①确认电源板输出正常。②上电测量各个关键电压均正常,主IC和TUNER晶振(27M)均正常;示波器测量DDR接口电路,观测到DDR时钟信号正常(129M~132M),地址和数据线均有数据输出。 ...

    泉州天地星   2024-10-14

  • 户户通只亮红灯不开机反复重启的维修思路

    本文不详细分解维修步骤,下面只进行大致的一个判断方式讲解。第一步先确定电源板的输出是否正常。 第二步判定主板的各节点电压是否正常。(各节点电压请参...

    泉州天地星   2024-10-14

  • 户户通整机工作原理和主板关键元件分布图

    一、整体工作原理图 二、主板工作原理(模块化) 三、主板关键元件分布图 四、系统启动流程 (一)、启动分为两个阶段:BOOT loader 阶段和 应用程序阶段...

    泉州天地星   2024-10-14

  • 户户通机顶盒主板关键点电压参数测量图

    下图是泉州天地星户户通官方培训手册中的主板关键点电压、波形图等数据,仅供机顶盒维修时参考使用。 ...

    泉州天地星   2024-10-14

  • DVB-S2机顶盒电源管理芯片DF1506的分析

    目前,主流的DVB-S2接收机大多使用外置12V电源来供电,主板正常工作所需的5V、3.3V、1.8V、1.2V和LNB极化电压通常由多路DC-DC转换得到, DF1506便是这类DC-DC芯片。 ...

    陈晓军   2024-09-12

  • SKYWORTH DV3电视机机顶盒不开机的故障维修

    一台SKYWORTH DV3机顶盒,上电后不开机。拆机检查发现,该机电源芯片采用P1014AP06 ,外围元件很少。在路测量,保险管正常,开关电源次级输出电压端无短路现象。上电测得开关电源输出的3.3V电压仅为0.7V,其他输出电压均...

    彭虽心   2024-09-11

  • 宽宏KH211-G户户通卫星接收机无规律重启的维修

    一台宽宏KH211-G户户通卫星接收机,在收看过程中无规律重启。分析检修:拆机发现主芯片HD3601已打胶。根据经验,主芯片打胶后散热不良,易出现此故障,除胶后试机,故障依旧。在故障出现时,主板上的LDO芯片1117-3....

    陈晓军   2024-09-02

  • 佰视达ABS-S GK001-CA01户户通开机后屏显无信号的维修

    接修一台佰视达ABS-S GK001-CA01户户通卫星接收机,开机后屏显“无信号”。拆机目测,调谐芯片RU1 (AV2028,可用AV2018代换)表面有裂纹,明显已损坏。更换AV2028后试机,只能收到右旋极化下的节目。该机极...

    陈晓军   2024-09-02

  • 天地星TDX-668H户户通收不到左旋节目的故障维修

    一台天地星TDX-668H户户通卫星接收机,收不到左旋节目。分析检修:通电测量F头处电压,一直为13V ,说明极化电压切换电路有问题。该电路如图1所示,元件位号是笔者自编。在路测量Q1、Q2均正常;通电并切换到左旋信号下,测量Q1...

    陈晓军   2024-09-02

  • 益德兰GLD-799ABS-CA02户户通开机显示E02的故障维修

    接修一台益德兰GLD-799ABS-CA02户户通卫星接收机,开机后屏显“E02”。分析检修:"E02”表示主芯片检测到CA卡,但是无法与CA卡进行正常通讯,其原因有CA卡损坏、CA卡金属接触面脏、读卡芯片损坏或主芯...

    陈晓军   2024-09-02

  • 凯恩斯TCD-699ABS-CA02户户通开机显示异常2的故障维修

    一台凯恩斯TCD-699ABS-CA02户户通卫星接收机,开机几分钟后便弹出“异常2”对话框。分析检修:“异常2”表示模块签名校验未通过。拆机发现U5(24C128 )⑦、⑧脚已被锡丝短接,估计其目的是让系统无法改写Us内部数据。笔者...

    陈晓军   2024-09-02

  • 思达柯HL-3535户户通卫星接收机收台不全的故障维修

    一台思达柯HL-3532户户通卫星接收机,有时出现彩色异常且收台不全现象。分析检修:首先更换主芯片旁的27MHz晶振,图像彩色恢复正常。查看收到的电视节目,发现全是左旋节目,说明该机无法收视右旋节目。该机极化切换电路...

    陈晓军   2024-09-02

  • 南星ANAM S9卫星接收机不通电的故障维修

    一台南星ANAM S9型卫星接收机,通电后无任何反应。本机电源板输出一组12V供电到主板,再由主板上的电源管理芯片DF1506及外围元件变换输出5V、3.3V、1.8V、1.2V和LNB五路供电。通电测量,电源板12V输出电压仅...

    陈晓军   2024-08-30

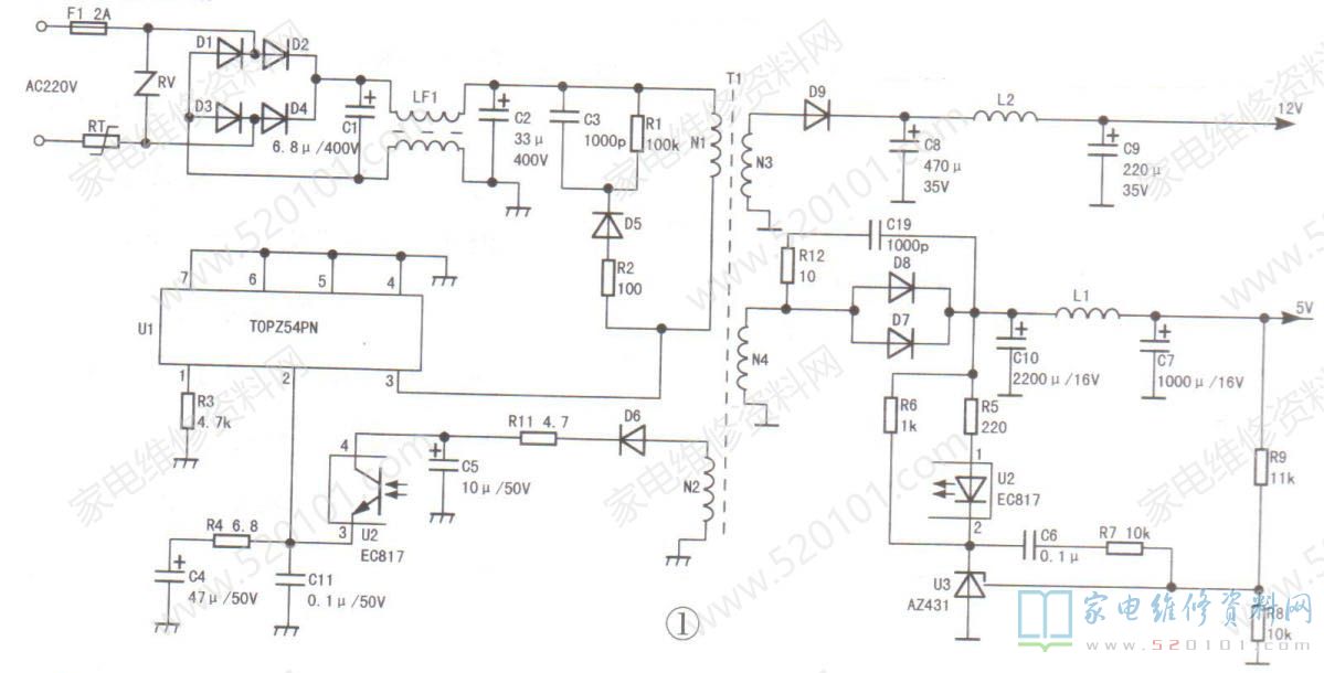
  • 吉视传媒机顶盒开关电源的电路原理与维修

    吉视传媒机顶盒开关电源电路如图1所示。通电后,220V交流市电通过保险丝F1、热敏电阻RT及二极管D1~D4桥式整流后,在滤波电容C1(6.8uF/400V)两端产生约300V直流电压,再经电感LF1、电容C2(33...

    李洪臣   2024-08-23

  • 数字音频计数在广播电视工程的应用

    在数字化时代,广播电视技术取得了新的进展,数字音频技术融合了信息技术要素、移动互联网控制系统以及传输信号模拟系统,它对移动互联网时代的广播电视的转型发展与技术变革起到了很大的促进作用,它为广播电视信号的实时传输、大容量信...

    候洪峰   2024-08-08

  • 用FSQ100代换LN9T08A电源块

    接修一台卫星电视机顶盒不通电,检查后发现电源芯片LN9T08A损坏。由于笔者无该芯片,决定用其他电源芯片代换。LN9T08A是一款高性能电流模式电源单芯片,内部集成有PWM控制器、耐压700V的MOSFET管、软启动及多种保护电...

    程文高   2024-07-04

  • DM500V8卫星接收机3.3V供电异常的故障维修

    一台DM500V8卫星接收机,通电后不开机,面板上的绿灯常亮,但感觉稍暗。根据绿灯亮度暗这一现象判断机内其组电压过低。拆开机器,测主板上5V供电正常,测3.3V供电仅为2.24V。无意中拔掉前面板的插线,发现电压略有上升,怀疑前面板有...

    陈晓军   2024-06-24

  • 数码天空低端卫星接收机无视频输出的故障维修

    市面上数码天空低端卫星接收机的占有率较大,虽然这些低端机的品牌及型号不同,如北斗星S-168、数码先锋305、发现号S-868等,但它们均采用腾锐无卡CA系统来完成授权解密播放节目,因此这些机器除电源板可能不同外,主板上芯片方案和内部软...

    陈晓军   2024-06-12