用手机访问
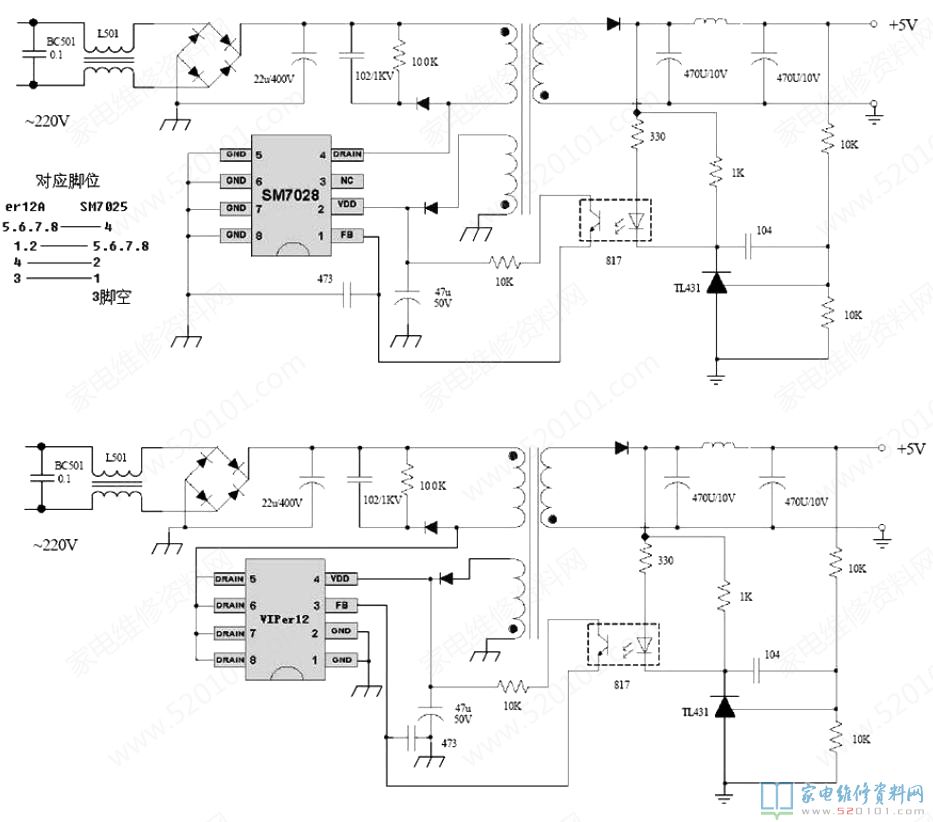
本电路如下图所示,Viper12A的5、6、7、8脚对应SM7025的4脚,Viper12A的1、2脚对应SM7025的5、6、7、8脚,Viper12A的4脚对应SM7025的2脚,Viper12A的3脚对应SM7025的1脚,3脚为空。
网友评论