JY-750A 豆浆机采用微电脑控制,预打浆、煮沸、打浆、文火延煮等工序全程自动完成;具有多重安 全保护措施(防过热、防溢出、防干烧);搅拌温度适宜,营养成分溶解快,顶部加料,放豆容易;具有 干豆、湿豆、加热等多种功能,使用方便。该机型市场分布较广,与其类似的还有科越KY-1500A, 祝康ZKDZ-1 F 等。 

一、结构分析

1.结构该机分解示意见图1。这是一款典型的电动机及发热管内置式豆浆机。这种结构的豆浆机所占的比例最大。

2.关键零部件及功能 

(1)电源耦合器与电源线对接,输人工作市电电源。 

(2)变压器将控制电路与市电隔离并降压。

(3)主板装有单片机和大部分元器件。单片机接收输人指令后.按预定程序控制豆浆机的工作。

(4)控制板轻触开关输入指令,发光管和蜂鸣器发声光信号,指示豆浆机的工作状况。

(5)串激电机带动豆浆刀高速旋转, 粉碎豆料和搅动水流;其上装有热保护器。具过热保护功能.

(6)豆浆网与旋转的豆浆刀配合,控制引导水流循环粉碎豆料,分离豆浆与豆渣。

(7)发热管加热煮熟并文火延煮豆浆。 

(8)防缺水传感器监控豆浆机内水位。当水位低于规定高度时,传输信号给单片机,防止缺水干烧。 

(9)防溢传感器监控豆浆上层泡沫状态,当泡沫上升至规定高度时,感知并传输信号给单片机,防止豆 浆溢出。


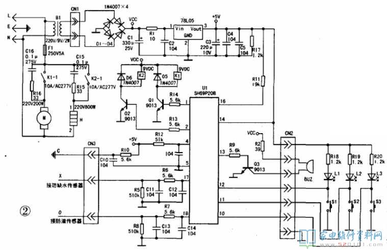
二、电路分析

      按实物测绘的电路见图2。(完整电路图请参考欧科JY-750A豆浆机电路原理图

      整机电路由整流滤波稳压电路、单片机工作电路、操作输 入和显示输出电路、防缺水检测及保护电路、防溢出检测及保护电路、电动机控制电路、发热管温度控 制电路等组成。 

1.整流滤波稳压电路由变压器B1、二极管D1-D4、电容C1 组成的整流滤波电路输出+9V 电源, 一路给继电器线圈和蜂鸣器供电,另一路送至,R1 7 C2 7 78L05、I C3~C5、R17 组!成的稳压电路,: 提供+5V 电源,并向单片机及各控制电路提供工作电压。 

2.单片机工作电路由U1 及外围元件R11(振荡频率控制)、R12 和C6(复位)等组成。

3.操作输入和显示输出电路由R1 淋20、L1~ L3、C7~C9、S1~ S3 及U1 内电路组成轻触开关输 入和发光二极管显示输出电路,U1 的⑩~⑩脚为输人端和输出端;由R9、Q3、R2、蜂鸣器BUZ 和U1 内电路组成声音信号输出电路,U1 的⑩脚为输出端。

4.防缺水检测及保护电路由R10、C10、发热管外壳、防缺水传感器、R5、R6、Cll、C12,以及U1 内电路组成,U1 的⑥脚为输入端。检测通路为:+5V 电压经R1 咿发热管外壳。豆浆桶内水电阻_防缺 水传感器-_R6。U1 的⑥脚;+5V 电压经R10 加豆浆桶内水电阻与R5(510k)分压,得到约+ 3.5V 电压, 通过R6 输入至@脚。当水位低于防缺水传感器的最低点时,+5V 电压沿此检测通路仅能到达发热管外 壳而不能到达防缺水传感器,R5、R6、C1 1、C12 组成的网络给u1 的⑥脚输入低电平,U1 立即控制① 脚、②脚输出低电平,禁止电动机和发热管工作,同时控制L1-L3 闪烁,BUZ 发出报警声。 

5.防溢检测及保护电路由R10、C10、发热管外壳、防溢传感器、R7、R8、C13、C14 和U1 内电路组 成,U1 的⑩脚为输入端。检测通路为:+5V 电压经R1到发热管外壳_ 豆浆泡沫电阻。防溢传感器_R7_U1 的⑩脚。当豆浆沸腾时会产生较多泡沫并膨胀上溢,当泡沫接触到防溢传感器后,此检测通路导通, +5V 电压经1<10 加豆浆泡沫电阻与R8(510k11)分压得到约3.5V 电压,通过R7 输入至⑩脚,u1 立即 控制②脚输出低电平,禁止发热管工作,同时根据内存中保存的轻触开关输入的工作指令及当前工作 状况综合得出后续工作指令(详述见“工作原理”)。

6.电动机控制电路由U1 内电路经①脚与R14、Q1、K1、D5,以及220V 市电侧消弧抗干扰的R16、 C16 和电动机等组成。 

7.发热管控制电路由U1 内电路经②脚与R13、Q2、K2、D6.以及220V 市电侧消弧抗干扰的R15、 C15 和发热管等组成。 


三、工作原理 

1.通电待机220V 交流市电经耦合器后, 一路经F1 分别受K1、K2 常开触点控制,准备给电动机和发 热管供电;另一路经B1 降压、DI"D4 整流、C 1 滤波,得到约+9V 直流电,给KI、K2 线圈和BUZ 供 电,并分出一路至R1、C2、78L05、C3"C5、R17 组成的稳压电路,得到+5V 电源,向单片机及各控制电 路供电。U1 上电复位初始化,蜂鸣器BUZ 鸣响一声,⑩橱脚进人约0.5s 为输入状态、约0.5s 为输 出状态的循环中,三只发光二极管不停地闪烁,表示豆浆机已准备好,可随时接收用户的工作指令。

2.启动按S1 嘟中任意一个轻触开关,相应的管脚输人低电平,U1 立即启动相应的工作程序,将对应 的管脚转换为输出端,并输出低电平,相应的发光二极管长亮,同时停止对其余两个输入端的输入信号 的检测。按S1,@脚输入低电平,U1 启动“湿豆"工作程序,将@脚转换为输出端并置为低电平,L1 长 亮,⑩、@脚输入信号无效。按S2, @脚输入低电平,U1 启动“干豆”工作程序, ⑩脚输出低电平,L2 长亮,⑩、⑥脚输人信号无效。按S3,⑩脚输人低电平,U1 启动“加热”工作程序,从⑩脚输出低电平, L3 长亮,@、@脚输入信号无效。 

3.预打浆接着,将④脚置为高电平,1 K1 线包通电,其常开触点K1—1 吸合,220V 交流市电经F1、 K1—1 为电动机M 供电,电动机M 通电旋转,带动豆浆刀预打浆(“湿豆”工作程序预打浆约5s;“干豆” 工作程序预打浆约15s;“加热”工作程序启动后不经预打浆,直接进入煮沸工序。 

4.煮沸预打浆完成后,相应的发光二极管变为闪亮(“湿豆”工作程序L1 闪亮; 。干豆”工作程序L2 闪 亮)。①脚变为低电平,K1 释放,电动机断电;②脚变为高电平, 勉线包通电,其常开触点K2—1 吸合, 220V 交流市电经F1、K2—1 为发热管H 供电,发热管H 对水和豆加热,直到沸腾、泡沫上升碰触防 溢传感器.

5.打浆煮沸的泡沫上升碰触防溢传感器后,@脚由0V 变为约3.5V,U1 立即响应, 相应的发光二极 管变换为长亮。②脚变为低电平,K2 释放,发热管H 断电,加热停止; 接着,①脚变为高电平,K1 通 电,K1—1 吸合,打浆15s 后,①脚变为低电平,K1 断电, K1—1 释放,停止10s,“湿豆”工作程序循 环6 次;“干豆”工作程序循环8 次。注:“加热” 工作程序,在煮沸工序泡沫上升碰触防溢传感器后,即 停止加热,并发出工作完成的声光提示。 

6.文火熬煮最后一次打浆完成后,相应的发光二极管变为闪亮。④脚变为低电平, K1 释放,电动机 断电;10s 后,②脚输出3s 高电平,5s 低电平的循环矩形波信号,控制发热管H 循环间歇加热。当泡沫上升碰触防溢传感器时,⑩脚输入信号由低电平0V 变为约3.5V,U1 立即响应,②脚变为低电平, K2 释放,发热管H 断电,加热停止15s; 然后又从②脚输出3s 高电平、5s 低电平的循环矩形波信号, 控制发热管H 循环间歇加热;文火熬煮工序持续约4 分钟后停止加热,三灯闪烁,同时蜂鸣器发出音乐 声,提示用户豆浆已制好。

7.定时保护按任何一个功能键后,单片机将开始计时,若20 分钟后尚 未收到完成信号,单片机将认为出现故障,立即自动停机,并发出声光报警提示。


四、常见故障维修 

故障现象1:通电后无声无光。

分析检修:在确认包括电源线的外部供电无问题后,拔掉电源线,测电源耦合器L 与N 铜片之间的电 阻i 正常为1.7k左右。若不正常,则为电源耦合器或变压器初级故障;若正常,则断开电动机M 和 发热管H 与电路的连接,通电测整流滤波稳压电路是否正常。在待机状况下、变压器初级输入电压为 220V 时,变压器次级正常为10V+IV, C1 正常为13V±1V,78L05 输出端正常为5V+0.1V。如发现哪 一级有问题,则细查该级相关元器件。如正常,则检查后级相关电路: UI 供宅电路及上咆复位初始化电 路是否正常;主板与控制板的接插件及连接线是否正常。 

故障现象2:通电后无声有光。 

分析检修:检查POJ33、R2、蜂鸣器BUZ, 主板与控制板的插头座CN2 及连接线是否正常;如正常, 则测上电时U1 的⑩脚,应有约一秒多时间的约2.5V 电压。 

故障现象3:通电后有声无光。 

分析检修:一般是某只发光二极管不亮。是,则查该发光二极管的相关元器件;例如, L3 不亮,检 查R19、L3、104 及主板与控制板的插头座CN2 及连接线是否正常。如正常, 则测上电时U1 的⑩脚是 否有约0.5s≈ 0V、0.5s 约5V 的循环间歇电压。 故障现象4:发光二极管亮,但按动轻触开关不启动相应的工作程序。 

分析检修:检查该轻触开关按键是否不能按下或按下后不能释放,轻触开关触点是否锈蚀失效。

故障现象5:不加热。 

分析检修:通电后启动工作程序,注意倾听在程序进入加热工序时是否有继电器吸合声,如有,则停 电后检查发热管;若发热管正常,则断开发热管H 与电路的连接, 检查继电器K2 触点是否正常。若无 继电器吸合声,则检查U1 的②脚是否有约为+ 5V 的电压,检查R1 3、Q2、K2、D6 和R1 5、C1 5 是否 正常。 

故障现象6:不打浆。 

分析检修:加热程序不打浆是正常的。若“干豆”或“湿豆”工作程序一开始就不打浆, 则注意倾听在启 动程序时是否有继电器吸合声,如有,则停电后检查电动机;若电动机正常,则断开电动机M 与电路的 连接,检查继电器K1 触点是否正常。若程序一开始打浆,后来不打浆,则检查防溢传感器、R7、R8、 C13、C14 和U1 的@脚及它们之间的连接是否正常。 

故障现象7:通电即发出连续的嘀嘀嘀嘀…报警声。 

分析检修:先确认豆浆桶内水位正常且不是使用纯净水或蒸馏水,然后检查由R10、C10、发热管外 壳、防缺水传感器、R5、R6、C1 1、C12、U1 的⑥脚及它们之间的连接是否正常。 

故障现象8:打浆不停。 

分析检修:静态时检查继电器K1 触点是否开路。若接通,则应换继电器。若静态时继电器K1 触点开 路,则检查Q1 的c、e 极是否短路或者u1 的①脚是否一直是约+5V。 分析检修:检查防溢传感器、R7、R8、C13、C14 和U1 的⑩脚及它们之间的连接是否正常.即防溢功 能是否正常。若防溢功能正常,则静态时检查继电器K2 触点是否开路,若接通,则应换继电器。若静 态时继电器K2 触点开路,则检查Q2 的c、e 极是否短路或者U1 的②脚是否一直是约+5V ,U1各引脚静态在线电阻参考值及通电后待机在线电压参考值见表1。


五、维修实例

例1:通电后无声无光。 分析检修:静态测电源耦合器L 与N 铜片之间的电阻为1.69k;拆开机头,通电检查,C1 两端无电 压;测主板上交流低压输人线的两焊点间也元电压;停电检查,发现插头座CNl 严重锈蚀。换成合格的 插头座后, 工作正常。此故障系多发性故障,新近上市的产品已改进成把变压器B1 直接焊接在主板 上。 

例2:通电后无声无光。 分析检修:静态测电源耦合器L 与N 铜片之间的电阻为1.68k;拆开机头,通电检查,C1 两端电 压为13.2V,C2 两端电压5.07V,均正常;检查单片机各引脚电压,发现④脚电压只有约0.5V(④ 脚为复位端, R12 和C6 组成上电复位电路,上电时因电容C6 两端电压不能突变,④脚电压只有约0V, 使单片机复位,+5V 电源通过R12 对C6 充电,使④脚电位上升为高电平时,单片机初始化完成,并开 始执行程序。稳定后,④ 脚电压应为约+5V。)检查发现C6 严重漏电,换成合格的104 电容后工作正常。 

例3:一台使用近二年的豆浆机,出现工作程序紊乱现象,机主怀疑机头进水受潮, 洗净晾干后可用, 但过一段时间又得洗净晾干一次,才能再用。最近一次洗净晾干后, 开机似乎正常,但未煮熟豆浆就报 警停机。 分析检修:拆开机头检查,有受潮现象, 但不严重,这是因为刚洗净晾干并用吹风机吹过。检查发现, C1 开路。C1 开路后使9y 电压为脉动直流,继电器不能可靠吸合。将C1 换成合格的330uF/25V/1050C 电解电容后,机器恢复正常。注意,C 1 工作温度上限不要选85°C的,应选105°C 的。估计继电器 受此影响会不经用,建议机主换新, 机主不愿。过二个多月,又送修,检查为继申.器损坏,修好后 至今尚未发现问题。 

例4:通电后有声有光,但按动“湿豆” 轻触开关不启动“湿豆”工作程序。 

分析检修:拆开机头检查,发现“湿豆” 轻触开关触点锈蚀失效。换成合格的轻触开关后,恢复正常工 作。控制板位于机头前上方,塑件上对应于轻触开关或发光二极管的位置都有孔,上面覆盖粘贴一PVC。 不干胶面膜,时间一长,PVC 不干胶面膜老化,就易于进水,使轻触开关触点、发光二极管管脚锈蚀 失效的现象时有发生。维修中应引起注意。 

例5:接通电源,蜂呜器BUZ 呜响一声, 三个发光二极管不停闪烁,伴随着连续的嘀嘀…报警声。此 时,按任何轻触开关都不起作用。

分析检修:观察水位正常,实测水电阻约188k1,也正常。拆开 机头,测单片机各管脚电压,发现⑥脚为0V,正常应为约+3.5V。停电,检查此信号通路,发现CN3 的X、O、C 三根线中,X 线的小铜片间接触不良,换成合格的插头后,恢复正常工作。

例6:故障现 象同例5。 

分析检修:拆开机头,测单片机各管脚电压,发现⑩脚为+0.9V。检查发现C12 漏电。换成合格的104 电容后,恢复正常工作。例7:豆浆溢出。 

分析检修:拆开机头,在不通电情况下, 测防溢传感器与单片机⑩脚间的电阻值为无穷大(正常约 5.6k。查串联在信号通路上的R7 一引脚断开,换成合格的5.6K 电阻后,恢复正常工作。

例8:豆浆溢出。 

分析检修:拆开机头,在不通电情况下, 测防溢传感器与单片机⑩脚间的电阻值为5.6k,正常。 短接C 点与D点后通电,测单片机⑩脚电压为+1.2V,正常应为约+5V(实际工作时,是通过豆浆泡沫 电阻连接C 点与D点,正常应在+3.5V 以上。停电,经查, 并联在信号通路上C14 漏电。换成合格的 104 电容后,机器恢复正常。 

例9:豆浆溢出。 

分析检修:拆开机头,在不通电情况下, 测防溢传感器与单片机@脚间的电阻值为5.6k,正常。短接 C 点与。点后通电,测单片机⑩脚电压为+5V,正常;②脚电压为0V,也正常。停电,断开继电器K2 的常开触点输出脚与发热管的连接,测K2 常开触点已短路。换成合格的JQC-3FF、9VDC、10A277VAC 继电器后,机器恢复正常。 

例10:接通电源,按S1、s2,指示灯显示正常,但均不打浆。 

分析检修:经查,启动“干豆”工作程序时无继电器吸合声。拆开机头,断开电动机M 和发热管H 与 电路的连接,通电启动“干‘ 豆”工作程序,在15s 内测单片机④脚电压为+5V,正常。测Q1 基极电压为 0V,正常应为约+0.7v。停电测量,发现R14 一引脚断开。换成合格的5.6k 电阻后,机器恢复正常。 

例11:故障现象同例10。 

分析检修:查启动“干豆”工作程序时有继电器吸合声。拆开机头,断开电动机M 和发热管H 与电路 的连接,通电启动“干豆” 工作程序,在15s 内测继电器K1 的常开触点输出引脚间的电阻接近无穷大(正 常约01"),说明继电器K1 已失效。换成合格的1QC-3FF、9VDC、10A277VAC 继电器后, 恢复正常 工作。 

例12:打浆无力。机主反映,启动“湿豆”或“干豆”工作程序均能完成制浆全过程,但豆浆清淡。 

分析检修:观察发现豆渣中有大量豆粒未打碎。因豆浆膜堵住网孔也会引起此现象,所以仔细洗净豆 浆网后试制一次,未发现有负荷重的现象,但明显打浆无力。拆开机头,通电启动“干豆”工作程序,在 15s 内测电动机M 输入端的电压为218VAC,正常。停电卸下电动机M,发现碳刷与转子换向器的 接触面因磨损严重而接触不良。卸下碳刷仔细修整接触面使之配合良好,并用无水酒精清洁碳刷;装配 时注意使碳刷与转子换向器接触良好,且在碳刷槽中往复运动顺畅。对电动机通电试运转,确认修好后, 仔细装配好豆浆机,机器恢复正常。 

例13-一通电就打浆并且不停。

分析检修:经查,一通电就有继电器吸合声,而此时尚未启动任何工作 程序,不应有继电器吸合动作,因此判断电动机控制电路有故障。停电,拆开机头,查R14、Q1、K1、 D5 等元件,发现Q1(9013)击穿短路。换成合格的9013 后,机器恢复正常。(注:新近上市的该款豆浆 机已把9013 改成8050) 

例14:故障现象同例13 

分析检修:停电,拆开机头,查1T.14、Q1、K1、D5 等元件,正常。通电,测单片机①脚电压为+5V 且一直保持。测单片机其他脚, 未发现有足以引起④脚电压为+5v 的异常, 说明外围电路无问题。换成 厂家提供的写好程序的合格单片机后,机器恢复正常。 

例15:通电后有声有光,启动“湿豆"或“干豆”工作程序,显示均正常,预打浆后, L2 变为闪烁,但不加热。 

分析检修:通电,启动“干豆”工作程序, 发现预打浆结束时仅有一次继电器动作声, 正常应是K1 释放、 K2 吸合声,因此判断发热管控制电路有故障,而且在低压侧。拆开机头,断开电动机M 和发热管H 与 电路的连接,通电启动“干豆"工作程序,在15s 后(继电器K1 释放后或L2 变为闪烁后),测得单片机② 脚电压为+5V,正常。测Q2 基极电压为+5V,正常应为约+0.7V。停电测量,发现Q3 一引脚断开。 换成合格的M8050 三极管后,机器恢复正常。 

例16:启动“湿豆”或“干豆”工作程序, 显示均正常;预打浆后,相应的“灯”变为闪烁,但不加热。 

分析检修:通电,启动“干豆”工作程序, 发现在预打浆结束时有两次继电器动作声, 正常。因此判断 发热管高压侧电路有开路故障。拆开机头,断开电动机M 和发热管H 与电路的连接,通电启动“干豆” 工作程序, 在15s 后检查L 接线端子叶F1_继电器K2 的常开触点K2—1 一发热管_N 接线端子通路, 发现F1 开路,换成合格的5A250V 熔丝管后,机器恢复正常。 例17:故障现象同例16。 分析检修:通电,启动“干豆”工作程序, 发现在预打浆结束时仅有一次继电器动作声,正常应为两次, 因此判断发热管控制电路有故障,而且在低压侧。拆开机头,发现Q3 胀裂,经测已开路;测量相关元 器件,发现D6 击穿。把Q3 换成合格的M8050 管, D6 换成合格的1N4007 后,机器恢复正常。

 

六、注意事项 

1.不同时期出厂的该型豆浆机,程序细节可能会有所不同。只要豆浆机能顺利地自动进行通电待机叶 启动叶预打浆_煮沸泡沫上升碰触防溢传感器_打浆_文火熬煮煮熟豆浆一完成后声光提示等工序,并制 好豆浆,就是正常的。对于程序的细节则不必拘泥。 

2.豆浆机工作在高温高湿环境中,对元器件和结构件的要求是比较严格的。更换时, 不仅代换器件的 电气参数、安装尺寸应符合要求,而且工作温度等参数也应符合要求。 

3.豆浆机有不少防水密封件,拆卸时应细心,切勿损坏。重新安装时,要理顺装好,防止发生皱纹或 折叠,确保密封效果。如果没有热熔胶枪,原用热熔胶密封的位置,可用704 胶代用;原用704 胶密封 的位置,应仔细涂敷, 以确保密封效果。