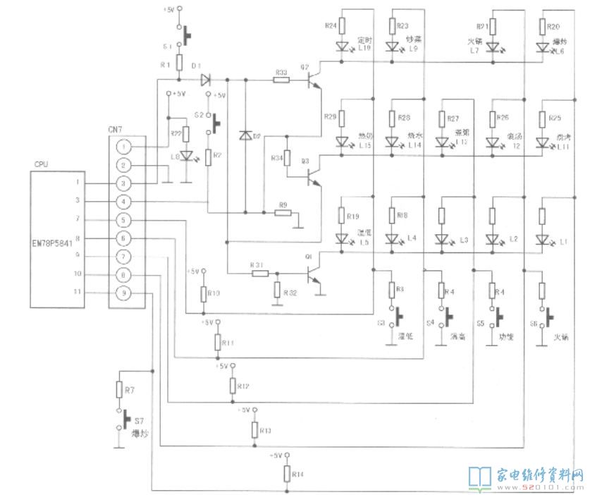
接修一台长岭ZC-18电磁炉,此机开机后待机指示正常,加载后不加热;温度指示灯在1s内从高温位置回到最小处。此电磁炉采用单片机EM78P5841。该单片机无外接晶体,振荡信号都在片内形成。为弄清单片机各脚作用及工作电压,参照电路板绘出面板控制电路如图1所示,CPU主要引脚功能及外围电路分析如下。
CPU(7)~(11)脚均为双向I/O口。分别送入“低温”、“高温”、“功能”、“火锅”、“烧烤”五种指令,并在待机状态下组成五级循环导通器,在内部振荡信号驱动下,轮流导通,循环点亮L1~L5。
CPU(3)脚是双向I/O口,输入定时指令。按一下定时开关s2发出定时指令,并可加一定电压使Q2导通,点亮定时灯L10。继续按此开关,可以设定不同时间。
CPU(2)脚是蜂鸣信号输出端,如图2所示。该电路在工作不正常或在待机及开机时发出提示音。
CPU(5)脚是检锅脉冲输入端,如图3所示。
检锅电路由比较器LM339(8)、(9)、(14)脚及其外围元件组成。振荡波形通过电阻R12、R13与R14分压加入LM339(8)脚;另一端通过R15~R18与R10、R20分压加入LM
339(9)脚,经过比较器放大后从LM339⑩脚输出脉冲,送入CPU(5)脚,CPU对输入脉冲计数来判断有无锅,从而控制电磁炉工作。LM339(4)脚(反相输入端)接+5V电压,(5)脚同相端接收来自CPU(16)脚、LM339(13)脚、LM339(1)脚等控制信号电压。如果超过设定值,则比较放大器反转,将来自Q2集电极脉冲信号钳位为零,使推挽管Q3、Q4无输出,门控管停止工作。
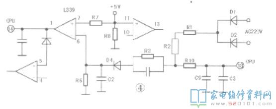
CPU(14)脚为电压浪涌保护输入端,如图4所示。220V交流电经D1、D2整流后通过R1~R3、D4加到LM339(6)脚。LM339(7)脚电压由+5v通过R7、R8分压后供给。当高于设定值的浪涌电压到来时,(6)脚电压高于(7)脚电压,(1)脚输出为零,CPU通过内部总线关断驱动脉冲。
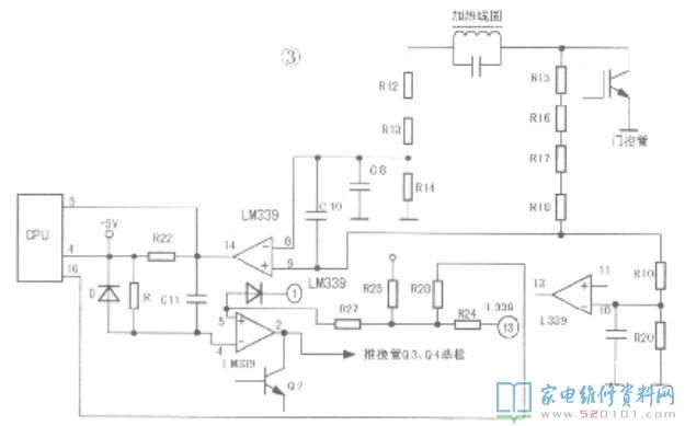
CPU(15)脚为驱动脉冲输出端,如图5所示。往CPU(15)脚输出的脉冲信号经Q2放大后,再经推挽放大电路Q3、Q4进一步放大,然后送往门控管G极,使门控管工作在开关状态。Q3、Q4基极同时受LM339(2)脚输入信号控制,如果控制信号为零,则Q3、Q4基极无电压,推挽管无输出,门控管停止工作。
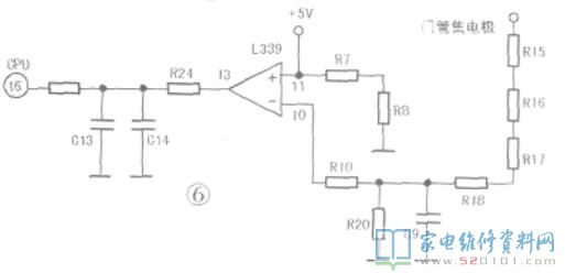
CPU(16)脚为高压峰值检测输入端,如图6所示。该电路的作用是保证门控管长期正常工作,不被过高峰值电压击穿。门控管集电极电压通过R15~R18与R20分压后,经R10送往LM339(10)脚(反相输入端),LM339(11)脚(同相端)输入基准电压。正常情况下,LM339(10)脚输入1.3V左右电压,LM339(11)脚输入5V电压,LM339(13)脚输出高电平。一旦门控管c极反峰超过设定电压,则(10)脚电压大幅升高,门控管停止工作。
CPU(17)为电流检测输入端,如图7所示。主供电路中所接互感器T次级的感应电压,经D5~D8构成的桥式整流电路整流后,得到与流过T初级线圈电流同步变化的脉冲直流电压,经c7、R11、Rvl平滑滤波后加到CPU(17)脚,作为锅具检测和电流大小信号,供单片机控制电磁炉工作状态用。
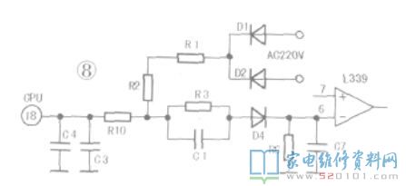
CPU(18)脚为交流电压检测输入端,如图8所示。220V交流电压经D1、D2整流,R1、R2、R10降压,C4、C3平滑滤波后送到CPU(18)脚。CPU根据监测电压的变化,自动发出相应动作指令,以避免在市电电压过高或过
低时损坏门控管。

CPU(19)脚为锅底温度检测输入端,如图9所示。温度升高,RT2阻值下降,则(19)脚电座下降,当下降到设定值时,CPU将发出关槐指令。

CPU(20)脚为门控管温度检测输入端,如图10所示。当门控管温度升高时,RTl阻值下降,则CPU(20)脚电压下降,当下降到设定值时,CPU将发出关机指令。

为便于维修时参考,特附上该机中单片机EM78P5841的引脚功能及待机电压,见表1。待机时,LM339各脚电压如图11所示。

通过上述分析,电磁炉能开机,且待机时L1~L5能循环点亮,故断定单片机正常工作。仔细检查各保护检测电路都正常。测量LM339各脚电压时发现(8)脚电压为2.8V,(9)脚电压为3V,(14)脚电压为O.1V。由于(14)脚有上拉电阻R22,应该为高电压,实测为低电压,检查外围元件正常,怀疑此组比较器坏。代换LM339后,电磁炉恢复正常。
网友评论