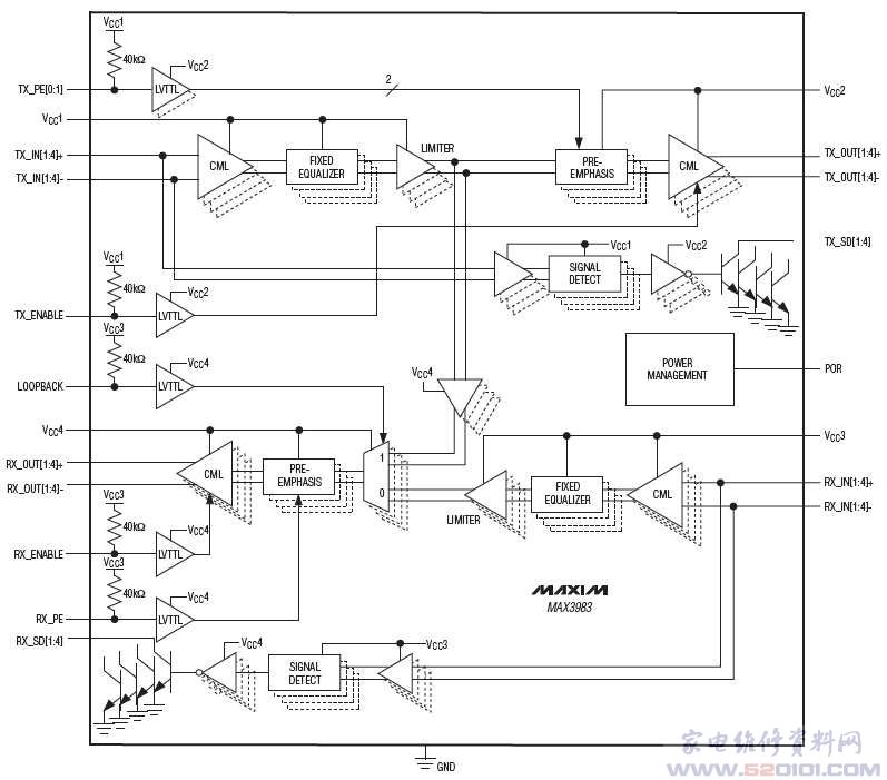
概述:MAX3983是MAXIM公司生产的一款四路铜缆信号调理器,工作在2.5Gbps至3.2Gbps。该器件为4x铜缆InfiniBand®与10Gbase-CX4以太网链接提供补偿,24AWG允许20m传输距离,28AWG允许15m传输距离。电缆驱动器部分提供四种可选的预加重电平。电缆驱动器的输入可以为0.5m的FR4电路板材料提供补偿。当采用可选择的预加重模式驱动0.5m的FR4电路板时,电缆接收器部分提供额外的固定输入均衡。
MAX3983的所有8路输入还具有信号检测的功能,并有允许诊断测试的内部环回。该器件采用10mm x 10mm的68引脚QFN封装,工作温度范围为0°C至+85°C。典型工作电压3.3V。
一、MAX3983功能和特性
* 24AWG传输距离为20m,28AWG传输距离为15m
* 每个主机的FR4传输距离为0.5m
* 3.3V电源下总功率为1.6W
* 环回功能
* 电缆驱动器特性
* 可选的输出预加重
* FR4输入均衡
* 每个通道都具有信号检测
* 输出禁用
* 电缆接收器特性
* 可选的FR4输出预加重
* 电缆输入均衡
* 每个通道都具有信号检测
* 输出禁用
二、MAX3983应用范围
* 10G光纤通道XAUI (4 x 3.1875Gbps)
* 10Gbase-CX4以太网(4 x 3.125Gbps)
* 4x铜缆或背板传输(1Gbps至3.2Gbps)
* 4x InfiniBand® (4 x 2.5Gbps)





网友评论