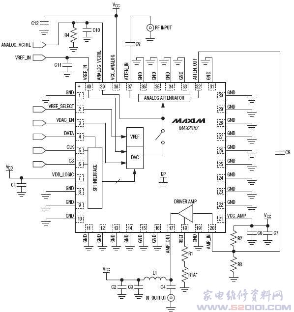
概述:MAX2067是MAXIM公司生产的一款高线性度、模拟调节可变增益放大器(VGA)是采用SiGe BiCMOS工艺的单芯片衰减器和放大器,针对50MHz至1000MHz频率范围的50Ω系统而设计(参见数据资料中的典型应用电路)。利用外部电压或通过SPI™兼容接口控制片上8位DAC实现衰减器模拟调节。
因为每一级电路都具有RF输入和RF输出,通过适当配置可以优化NF (放大器配置为第一级)或OIP3 (放大器配置为最后一级)。该器件还包含具有22dB增益的放大器(放大器本身),增益最大时NF为4dB (包括衰减器的插入损耗),并提供+43dBm的高OIP3。这些特性使得MAX2067能够为众多接收器和发射器提供一个理想的VGA。
此外,MAX2067采用+5V单电源供电时,具有最优的性能。工作在+3.3V单电源时,性能指标略有降低,可以调节偏置电压在电流损耗和线性度方面进行折中。器件采用紧凑、带裸焊盘的40引脚、薄型QFN封装(6mm x 6mm),工作在扩展级温度范围(TC = -40°C至+85°C)。
一、MAX2067应用范围
* 电缆调制解调器终端系统(CMTS)
* 蜂窝频段WCDMA和cdma2000®基站
* 固定宽带无线接入
* GSM 850/GSM 900 EDGE基站
* 中频和射频增益级设计
* 军用系统
* RFID手持产品或入口读卡器
* 温补电路
* 视频点播(VOD)和DOCSIS®兼容的EDGE QAM调制器
* WiMAX、LTE基站和用户驻地设备
* 无线本地环路
二、MAX2067功能和特性
* 50MHz至1000MHz RF频率范围
* 引脚兼容系列包括
MAX2065 (模拟/数字VGA)
MAX2066 (数字VGA)
* +21.9dB (典型值)最大增益
* 100MHz带宽内保持0.5dB的增益平坦度
* 31dB增益范围
* 内置DAC用于模拟衰减控制
* 出色的线性特性(放大器配置为最后一级)
+43dBm OIP3
+66dBm OIP2
输出1dB压缩点为+19dBm
-70dBc HD2
-87dBc HD3
* 4dB典型噪声系数(NF)
* +5V单电源供电(可选择+3.3V单电源供电)
* 外部电流设置电阻,提供降低功耗/降低性能的工作模式




网友评论