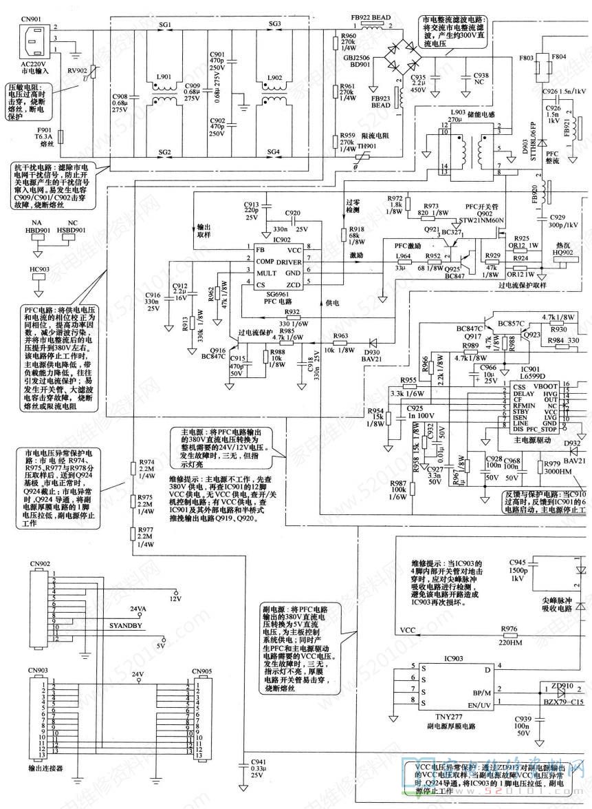
概述:SG6961是飞兆半导体公司出品的一款PFC功率因数控制器IC芯片,其主要用作于液晶电视电源电路和电源适配器中。其内置锯齿波发生器、电压调制器、总谐波失真优化、误差放大和零电流检测等电路,具有过电压、过电流保护功能。 SG6961启动电流低于20μA,工作电流低于4.5mA,电源电压最高可达20V,最大限度地提高了应用灵活性。SG6961采用8引脚SOP和DIP封装工艺。
一、SG6961引脚功能和实测电压值(在长虹715T2828-3-FQ电源板上测得)
二、SG6961内部方框图
三、SG6961典型应用电路
四、SG6961极限电气参数


网友评论