概述:KIA324是韩国电子控股公司(Korea Electronics)出品的一款四运算放大集成电路IC芯片,它采用14引脚FLP封装工艺。
一、KIA324引脚功能和实测电压值(在长虹FSP205-4E01C电源板上测得)
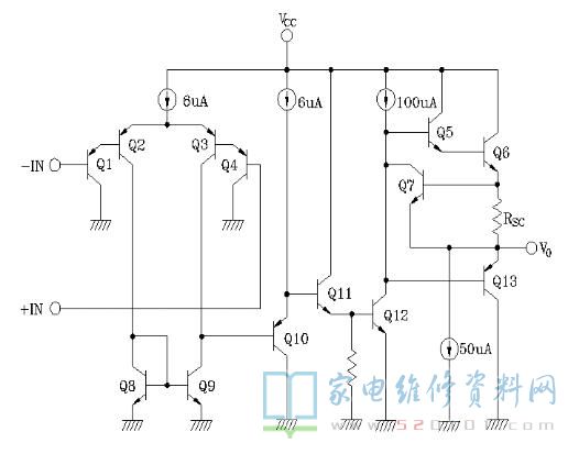
二、KIA324内部等效电路
三、KIA324极限电气参数
概述:KIA324是韩国电子控股公司(Korea Electronics)出品的一款四运算放大集成电路IC芯片,它采用14引脚FLP封装工艺。
一、KIA324引脚功能和实测电压值(在长虹FSP205-4E01C电源板上测得)
二、KIA324内部等效电路
三、KIA324极限电气参数
网友评论