概述:OZ9976是一款液晶背光高压逆变控制器,它为双列16脚封装,主要用于液晶电视、液晶显示器和一些显示设备中。OZ9976去保护的方法,1、去过压保护将8脚接地;2、去过流保护将9脚后续电路断开。
一、OZ9976引脚功能排列
三、OZ9976功能和特点
1.同时支持固定和可变频率的应用。
2.直接驱动脉冲变压器。
3.半桥或推挽拓扑。
4.自定义最低运行频率。
5.软启动功能。
6.内置开放负荷保护和过压保护。
7.内置欠压锁定保护。
8.自定义的显着计时器和关机延迟定时器
9.低待机电流。
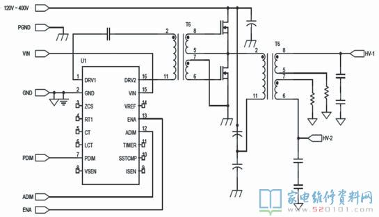
四、OZ9976典型应用电路
1、典型应用电路
2、康佳KIP+L150I14C1-01二合一电源板上应用
如下图所示,它主要由以OZ9976 (U701)为核心的背光控制电路和T751、Q751、Q752、高压变压器T750升压输出电路两大部分组成,产生背光灯所需要的正弦波脉冲电压,将背光灯点亮。




网友评论