• LP系列高可靠105°C卡入式电解电容参数表

    LP系列高可靠105°C卡入式电解电容器具有体积小(外壳直径D=22mm~35mm、外壳高L=25mm~50mm)、等效电阻(ESR)小、直流漏电流(1=0.02CV,C单位为微法;V为额定电压,单位为伏特;漏电流单位为微安)低、纹波电流(与...

    余俊芳   2022-05-25

  • LCD液晶屏面板更换灯管的教程(图)

    1、更换灯管前的准备 更换灯管须选择一个无尘的环境:无尘室或洁净台。(上图为洁净台)备注:CS站目前无洁净台设备,可选用干净的空间更换灯管。 &n...

    TPV冠捷技术课   2022-05-23

  • CRT彩电常见关键测试点波形图

    备注:以下波形峰一峰值电压与电路的供电和设计有关,不同的机芯和机型,会有所差别,仅供测试时参考。 ...

    小苗家电整理   2022-05-21

  • 运用多功能编程器解决软件故障的方法

    在新型家电中,软件故障率较高,而软件故障的排除通常会用到编程器(又称“写程器”、“读写器”“烧录器”或“升级工装”等)。目前,市售的编程器多种多样,既有只适用某一类芯片方案的编程器,也有能用于多类芯片方案的多功能编程器。 ...

    景曙光   2022-05-21

  • 液晶电视软件故障检修思路

    在排除硬件故障后,可用编程器对电视进升级,或通过数据读/写,进一步判断主板上的CPU、Flash或DDR存储器是否正常。还可借助ISP工具与电脑查看开机打印信息,以便分析判断故障部位。开机打印信息反映了电视在开机时系统内部程序的运行状态与进度...

    《家电维修》杂志   2022-05-21

  • 液晶电视屏幕软排线的焊接(图)

    最近维修一台海信液晶电视,装屏的时候不小心把软排线拿掉了,想想修屏又太贵,是个亏本的买卖,于是心有不甘,想办法,把排线焊上去,最后完美的将排线焊接上去了,如下图所示。 ...

    长坡家电维修   2022-05-18

  • 液晶电视电源故障的检修思路

    三无故障的检查思路:检查电源板进线抗干扰电路、桥式整流滤波电路,是否存在有共模电感、共模电容、差模电容、压敏电阻、整流桥堆、滤波电容等元件击穿损坏。 PFC电压无/偏高/偏低检查思路:检查...

    《家电维修》杂志   2022-05-16

  • 高压灭弧硅橡胶(704胶)的保存方法

    高压胶,也称硅橡胶、灭弧灵、703、704、1300、7091等,它有很多厂家型号,它们的主要作用无外乎在电视维修中起到防止打火绝缘灭弧作用,有的很稀但容易起流,有的很稠但容易干。搞家电维修的师傅应该都有过这种经历。 ...

    jsswt   2022-05-14

  • 用指针万用表检测IGBT管的方法

    判断极性方法:把万用表置于R x1kΩ档,将黑表笔固定接在某一引脚上,红表笔分别接其他两只引脚,观察所测得的数据:对调两支表笔,用红表笔固定接在原黑表笔接的那只引脚上,黑表笔分别接其他两只引脚,若两次测得的阻值均为无穷大,则固定不动的那支表笔所接引...

    张大有转载   2022-05-14

  • 液晶电视出现暗屏、灰屏和黑屏现象的维修思路

    首先确定故障范围仔细观察屏幕是暗屏、灰屏还是黑屏,若是暗光有图像,说明电源、主板信号处理电路基本正常,重点检查主板亮度控制电路或屏;若是灰屏,说明背光源已被点亮,重点检查主板信号处理电路、逻辑板及屏电路;若是黑屏有声音,说明电源、主板信号处理...

    《家电维修》杂志   2022-05-13

  • 常用万能遥控器恢复出厂状态的方法

    现在的万能遥控器好多都有断电记忆功能的,今天汇总一下常用的万能遥控器恢复出厂设置的方法,华越139SP遥控器是按住设置键+往复键,红灯闪三次,取出电池放置一天。华飞139C遥控器是按住设置键+屏显键,红灯闪三次,取出电池放置一天;华声的万能遥控器是...

    冰点   2022-05-12

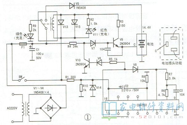
  • ROCKWELL RW2806电动工具充电器电路原理分析

    ROCKWELL RW2806型充电器用于对电动螺丝刀、手电钻14.4V电池充电,实绘其电路如图1所示。因该充电器不能充电,原使用者对其拆解过,但没有查出故障原因。分析其工作原理,充电时,轻触开关SW闭合,经V1~V4、C1整流滤波所得电压一...

    方位   2022-05-08

  • 嘉兴雅马哈电动车充电器无输出电压的维修

    接修一台嘉兴雅马哈电动车专用充电器,输出电压为0V。该充电器高压侧采用开关电源控制块KA3842A和开关管SVF11N60T,低压侧恒流、恒压控制采用4运放块LM324,如图1所示。 &...

    方位   2022-05-07

  • TORMIN BW6100E充电器无12V电压输出的维修

    一台TORMIN BW6100E锂电充电器,用户误给12V电池充电导致无输出。该充电器高压侧采用开关电源控制块UC3842A和开关管STK0760,低压侧恒流、恒压控制采用4运放块PJ324,如图1所示。 &nbs...

    方位   2022-05-07

  • 在维修中学会恒流升压开关管的选择

    接修一台东芝42L1350C液晶电视,开机后有声无光。该机背光升压电路如图1所示,查电源板送给背光板的50V电压正常。在路测量,发现两只0.17Ω的贴片电阻断路,升压整流二极管D1(MB515 )击穿,升压开关管Q2(A0D256)击穿。查资...

    孔德因   2022-05-07

  • 液晶电视机喇叭损坏后的应急维修

    搞维修的朋友们应该都遇到过电视机喇叭损坏的故障,但是现在液晶电视机越来越超薄,喇叭形状也千花百门,不一而足,有时候不一定能找到合适的尺寸喇叭,这时候只能够因地制宜应急维修。电视机声音相当于音响没有那么高的要求,只要不是特别挑剔的顾客,修复后的喇叭都...

    luo1969   2022-05-04

  • LED显示屏中5块极光电源适配器的故障维修

    近日接修5块LED显示屏的电源适配器,用户没有说明相关情况,只是说坏了不能用了。电源适配器型号均为极光CJA-200-5,但是包含两个批次的产品,区别不大。因有5块要修,便跟踪电路绘制了原理图,如图1所示。 &nb...

    齐金龙 刘璐   2022-05-02

  • 常用贴片稳压二极管丝印号与主要参数对照表

    在新型家电中,大量采用贴片稳压二极管,尤其是在电源电路中。这类二极管的表面积很小,大都只有丝印号,而无型号标注。 目前,这类二极管的丝印号与型号、主要参数对照的资料匮乏,即使网络上有一些,但泥沙俱下、真假难辨。在实际维修中,若遇...

    景曙光   2022-04-28

  • 25系列Flash存储器芯片知识

    在液晶电视中,Flash存储器多采用8脚贴片封装的25xx系列,如PS25LV020、PM25VF040、MX25L1605等,其引脚功能见表1。25xxx系列Flash存储器的典型应用电路如图1所示,U1的片选操作端①脚(CE,低电平有效)...

    景然   2022-04-28

  • 教你识别被烧毁的电阻的阻值方法

    日常用的碳膜电阻在家用电器中用得最多,它是在瓷柱体上镀一层碳膜材料,并在这层碳膜上刻槽来达到要求的阻值;阻值越大,电阻上刻槽越密。很多情况下,这电阻一烧毁,其面目全非,此时,我们就感到束手无策了。那么,如何找回它原来的阻值呢?今天我教大家一个...

    3106185359   2022-04-27