您好,欢迎您访问家电维修资料网
登陆
免费注册
实用工具
手机版
用手机访问
首页
维修资料
彩电维修资料
彩电总线调整
维修基础
电子线路
电子制作
空调制冷
家用电器维修
音响功放
卫星有线
VCD、DVD
通讯设备
办公设备
数码摄录
计算机设备维修
软件下载
培训教材
电路图纸
长虹彩电图纸
康佳彩电图纸
TCL彩电图纸
海尔彩电图纸
创维彩电图纸
海信彩电图纸
其他彩电图纸
合资彩电图纸
LG彩电图纸
松下彩电图纸
三星彩电图纸
索尼彩电图纸
东芝彩电图纸
夏普彩电图纸
飞利浦彩电图纸
DVD功放图纸
家用电器图纸
数码相机图纸
显示器图纸
维修工具图纸
数据下载
长虹彩电数据
康佳彩电数据
TCL彩电数据
海尔彩电数据
创维彩电数据
海信彩电数据
其他彩电数据
合资彩电数据
厦华彩电数据
DVD机顶盒数据
说明书
彩电说明书
显示器说明书
家用电器说明书
遥控器说明书
影音系统说明书
视频
彩电维修
空调制冷
电脑软件
办公设备
显示器维修
电子线路
维修基础
电工技术
通讯维修
DVD维修
生活电器
仪器仪表
其他技能
电子制作
搜 索
首页
彩电维修
TCL彩电维修
正文
TCL L43E5000E液晶电视无声(图)
2012-11-28
作者:南昌许康芬
2747
评论
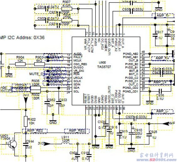
故障现象:无声
分析与检修:开机发现无声,检测其它信源均无声音。本着先软后硬的原则,先软件复位,故障依旧,看来问题出在硬件。拆机测量功放U900供电正常,静音脚(P18)3.3V正常,测量数字音频控制脚(P14(AMCLK),P19(ALRCLK),P20(ABCLK),P21(ASDATA))也正常。测量喇叭线插座电压为0V,用电阻挡测量发现已经对地短路了,断定功放坏,更换功放试机故障排除。
其他推荐
TCL L55P7200-3D电视(MS28C机芯)不
TCL L46V6200DEG电视(MS48IS机芯)
TCL C37E320B液晶(MS81机芯)三无
TCL C37E320B液晶(MS181机芯)灯亮不开
TCL L32E5300A液晶(MS99机芯)灯亮不开
TCL L42E5200BE液晶(MS28机芯)伴音时
网友评论
发表评论
所有评论
目前还没有网友评论
提交
热门资料
1
TCL液晶电视一体屏面板拆卸方法(图)
2
TCL 液晶电视屏驱动板的维修方法(图)
3
液晶屏背光板的工作原理及维修
4
TCL 智能液晶电视本地升级和强制升级的方法(图)
5
TCL液晶电视逻辑板的维修方法
6
TCL 32寸三星液晶屏背光灯驱动和保护电路原理分析(图)
7
华星ST5461D07液晶屏灰屏的断Y技改维修方法
8
关于TCL液晶电视升级后黑屏的处理方法
9
TCL液晶电视3D左右眼切换方法
网友评论