• SONGWEI OK-360A功放机扬声器保护继电器不吸合的维修

    接修一台SONGWEI OK-360A型功放机,机主说:刚开始,继电器偶尔不吸合,预热约2min后可正常吸合,现在完全不吸合了。拆机检查,电路板上元件无明显异常。为方便检修,实绘出相关电路如图1所示(元件位号为笔者标注)。 ...

    陈伟   2022-10-15

  • 夏新唱戏机8脚贴片功放块的代换方法

    接修夏新唱戏机,该机后盖已经被拆开。通电试机,读卡指示灯闪烁,数码管显示播放曲目。查看电路,发现功放块已不知去向。测绘出功放电路如图1所示。 图中可知,功放块的①脚接地,②脚...

    陈伟   2022-10-01

  • 车载低音炮声音小的故障维修

    接修一台车载低音炮,机主说:该低音炮的声音越来越小,现在已经没有声音了。员根据机主所述,判断故障原因是某元件性能变坏。测绘电路如图1所示。该机以TL494为中心组成升压电路,对输入的12V电压进行升压,在环形开关变压器的次级形成土25V电压。...

    陈伟   2022-10-01

  • ALTEC LANSING FX2020有源音箱电路分析与维修

    ALTEC LANSING(奥特蓝星) FX2020有源音箱是一款3英寸直径扬声器单元的有源音箱,其电路如图1所示。 一、电路原理分析 1.音频电路 本音箱音频通道用了一块电子分...

    方位   2022-09-26

  • 用两只D718代换功率对管A1941和C5198

    接修一台功放机,左、右声道功率管A1941、C5198均烧毁。该机采用经典OCL音频功率放大电路,如图1所示。 前级两只2N5551型三极管为差动放大管,2N5401型三极管集电极...

    陈伟   2022-09-19

  • 奥星MP3-A80汽车扩音机不定时无声音的故障维修

    接修一台奥星MP3-A80扩音机,当此机出现无声故障时,关机约10分钟后再开机,有时又可正常。拆机发现,此机功放电路采用分立元件,并且三极管偏置电路使用三端稳压器AN7805供电,功率输出管另设专用偏置电路,如图1所示。 ...

    陈伟   2022-09-12

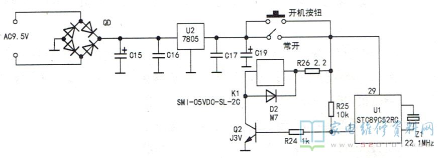
  • 思益JX-DMT-01多媒体中控开机掉电的故障维修

    接修一台思益JX-DMT-01型多媒体中央控制器(中控),按下开机按钮后面板上的“电脑1"指示灯亮,并且能听到机内继电器吸合的“嘀"声,但松手后便掉电,反复按压开关,偶尔又能开机,若能开机则一切功能正常。 &nbs...

    陈晓军   2022-09-07

  • MP3插卡音箱故障维修3例

    例1:一台10英寸有源音箱低音喇叭(外接12V电瓶供电),因音量开得太大,机内冒出一股烟后突然无声,但是读卡指示灯正常闪亮。拆机观察该音箱供电由一组标称12V( 2800mAh )的锂电池担任,充电插口标注电压为15V ,并设有外接12V电瓶输入端...

    陈伟   2022-09-04

  • DELL戴尔AX210电脑音箱无声音的故障维修

    该音箱是一款与电脑配套使用的小型便携式有源音箱,箱内未设电源,使用时需要将附带的USB线插头与电脑USB端口连接,由电脑输出的DC5V直流电压为音箱供电。由实物测绘的电路如图1所示。 &n...

    无名   2022-08-30

  • 用TIP35C代换TIP36C修复功放电路

    从图1中可知,TIP41C与TIP35C组成NPN型复合管,担任推挽放大上臂;TIP42C、TIP36C组成PNP型复合管,担任推挽放大下臂,完成音频信号的放大。复合三极管的组合原则,只要保证TIP42C和后面的功率管复合后保持PNP导电特性...

    陈伟   2022-08-26

  • aglo PA2350功放主电路实绘电路图

    ...

    曹金停   2022-08-10

  • 速修一款凯立德DVD导航一体机无声音的故障维修

    该机在使用中突然无声,收音、放卡、导航提示音也没有了。接入12V维修电源(黄线接12V、红线接5V、粗黑线接地),开机后测量8根喇叭线对地电压均为0V,显然功放块没有工作。正常情况下,8根喇叭线对地电压均为6V左右,功放块内部采用BTL电路设计。 ...

    陈伟   2022-08-10

  • 用TDA2030A功放代换LM1875修复浪庭7056插卡有源音箱

    接修一台浪庭7056型插卡有源音箱,客户因为误把220V交流电通入双12V直流输入插座,造成音箱无声,无线话筒、有线话筒.MP3读卡全部失去作用。该有源音箱功放电路采用2只LM1875组成BTL形式,双电源供电。用指针表Rx1测得2只LM18...

    陈伟   2022-08-03

  • 漫月者D10有源音箱无声音的故障维修

    接修一台漫月者D10有源音箱,故障表现为无声音,该有源音箱内置一对功放管C5198/A1931,输出功率较大,其主电位器所在电路板接线柱如图1所示。试机发现,每次开/关机时喇叭中总会发出较响的电流冲击声,这说明后级功放无问题。 ...

    侯金叶   2022-08-01

  • 谈一谈不同类型三极管的复合应用

    在功放电路中,为了提高电路的放大倍数,常用两只三极管通过一定的连接方式组成一只复合管,亦称达林顿管。在图1所示功放电路中,V4和V6复合成NPN型管。V4导通后,其集电极电流在2200负载电阻R1上产生的压降作为V6的b-e结偏压...

    陈伟   2022-07-24

  • 手提式充电音箱故障维修2例

    例1:音箱不充电,开机没有任何反应。分析检修:连接充电器,充电指示灯先为红色,随后变成绿色。打开后壳,测量电池组电压为正常值8.4V。更换电池组后故障依旧,说明电池组没有问题。查看主板上的连线无异常,怀疑电源开关内部接触不良。用金...

    安家立   2022-07-16

  • DJ-8120定压功放无声音的故障维修

    接修一台DJ-8120型定压功放,机主称前一段时间该机出现时响时不响故障,但轻微震动机壳就好,现在震动机壳也不响了。该机电路采用经典单声道定压输出形式,如图1所示。上电测得功放级的±40V供电及前级电路的±12V供电均正常。将IN端信号送给TD...

    陈伟   2022-06-26

  • ROCK洛克便携式蓝牙小音箱故障维修4例

    ROCK(洛克)蓝牙小音箱内置蓝牙V2.1模块,除具有普通蓝牙音箱的功能外,还有照明功能,并能通过USB口给外部设备充电,本文将详细分享此蓝牙音箱故障维修4例。 故障现象1:通过USB充电输出口(OUT5V)无法给外置设备充电。 ...

    陈伟   2022-06-25

  • 普通功放改定压输出的电路

    本电路下图所示,使用的是100W的电源变压器,初级220V,次级40V,次级接功放输出端,初级做定压输出。定压线间变压器输入端240V,输出端到喇叭(8-16Ω),如果声音小输入端接120V。 ...

    英华家电整理   2022-06-23

  • 三款扬声器保护电路原理图

    给大家分享3款扬声器保护电路图,仅供大家参考。 ...

    佚名   2022-06-23