开机呈三无,经检查发现行输出管7410(BU4508AX)损坏。用BU2529AX管更换后,开机有高压、灯丝能点亮,但约3秒钟后进入保护状态,此时电源指示灯每秒闪烁一次。 
    换行管前对开关电源、逆程电容等进行检查,未见异常,仔细检查行推动级、行输出级亦无虚焊和元件损坏迹象。由于该机电路复杂,不清楚保护原理,一时无从下手。根据维修经验,场输出电路不良,容易引起保护。该机场输出为7501(TDA8172),但检查后未发现异常之处。 
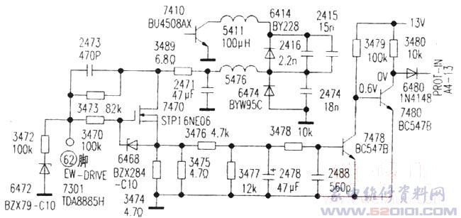
    无奈之下,反复多次连续开机后,发现荧光屏能出现光栅,插上天线有图像.但行幅不足,且呈枕形失真。测得枕校电感5476右端电压为51V(见附图),正常该处电压只有三十几伏。检查二极管6414、6474、枕校电容2471正常,而枕校场效应管7470(STP16NE06)已击穿损坏,电阻3474、3475已开路。由于无同型号场效应管更换,于是用一只IRF640换上,将已损坏电阻用同规格电阻更换后,开机电视机不再保护.图像、声音正常,但行幅不足、图像枕形失真,进入总线也调不到正常状态。
    测量枕校场效应管漏极电压为46V,栅极电压为3.9v,检查二极管6463、6472正常,电阻3472、3473及枕校管7470其他外围元件均正常,用示波器测量枕校管栅极波形正常。怀疑所用的IRF640不能代STP16NE06,又用K1356换上,发现行幅及枕形失真有所改善,阻依然不正常。再用K1266换上,行幅恢复正常,枕形失真消失,此时测得枕校管7470漏极电压为35V,栅极电压为3.8V。维修至此圆满结束。另外、电源指示灯每秒闪烁一次是X射线保护、E/W枕校电路保护和显像管束电流保护。 
    飞利浦29PT6111/93R彩电为A10A机芯,该机进入总线状态的方法是:开机后,用遥控器依次快速输入0、6、2、5、9、6和菜单键(MENU)后,屏显SDM,表示该机已进入SDM模式。只有在SAM模式下才能进行诸如白平衡、行场参数及功能设定等。进入SAM模式的方法是:在SDM模式下同时按住电视机上的“音量+”和“音量-”键,屏显SAM及调整主菜单,表示该机已进入SAM模式,按方向键“→”进入相应子菜单,按方向键“↑”、“↓”选项,再按方向键“←”、“→”调整数据,按菜单键返回主菜单。按待机键退出总线状态。