彩电中放电路的检修(二)

  二、高频头与AFT控制

  中放AFT偏离和传输失常,也会造成跑台。为了弄清这个道理,这里简单说明中放AFT、CPU及高频头三者之间的相互关系。高频头的AFT控制常见的有以下几种形式:
  (1)中放AFT的输出电压直接加到高频头的AFT引脚上,同时也加到CPU的AFT输入脚上。加到CPU的AFT输入脚上的AFT信号仅仅作为调准电台的识别信号,使CPU能自动选台。采用这种方式的AFT电路,如果AFT中周稍有偏移,往往只影响自动选台,如果手动选准一个台并储存的话,这个台并不会跑掉。
  (2)高频头没有AFT引脚,或即使有也加上固定电压而不用。中放输出的AFT电压被送到CPU的AFT输入脚。这时AFT信号有两个作用,在自动选台时作为调准电台的识别傍号;在正常收看时,如高频头的中频输出发生偏差,则中放AFT输出电压也会发生变化,CPU根据AFT的输入电压,自动校正调谐电压的大小,以达到自动校正的目的。这种控制形式在TDA系列机心中经常使用。 .
  (3)中放电路通过总线告诉CPU是否选准了台,AFT通过总线来调准。
  在修理由于AFT问题引起的跑台或自动选台锁不住的故障时.我们先要搞清楚,到底是中放中频或AFT中周偏,还是中放AFT输出到CPU的AFT输入传输中有问题,不能一上来就乱调中周,因为中周一旦调乱,没有经验的人很难把它调好,只会越调越乱。判断方法是让机器自动选台,用万用表测CPU的AFT输入脚电压,不管此时电台能否锁住,CPU的AFT脚电压应不断地变化。如果该脚的电压是固定不变的,说明中放输出的AFT信号未能送到CPU;如果CPU的AFT脚的电压能随选台的变化而变化,说明传输没有问题,但传输是否正确,还有待于进一步检查。
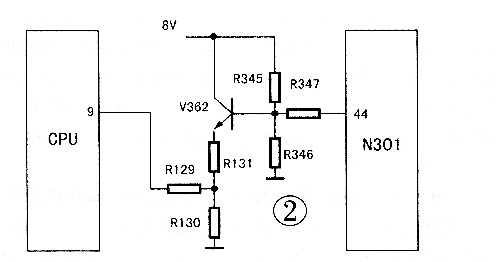
  为了较详细地说明问题,我们以金星C641 1彩电的AFT电路(见图2)为例,进行分析。

  图2是金星C641 1中放AFT至CPU的连接电路。对于CPU而言,若⑨脚输入的电压为2.5V,则认为台是选准的(这是具体某个CPU的特性决定的,不同的CPU,AFT脚有不同的输入电压要求);反之,若CPU⑨脚输入的电压高于或低于2.5V,则CPU就认为电台没选准,它会通过改变调谐电压进行重新调谐.直到⑨脚电压为2.5V为止。
  如果中放电路没有问题,则N301的(44)脚会输出4V电压,经V362射极跟随、R131、R130分压后,送到CPu⑨脚的电压恰好是2.5V,CPU将保持调谐电压恒定。此时,若调谐不正确,N301的⑩脚电压就不是4V,CPU的⑨脚电压也就不是2.5V,CPU将会通过改变调谐电压使调谐准确,这就达到了AFT的目的。
但是,若N301的(44)脚到CPU的⑨脚之间的元件有故障,比如V362击穿、R1 30、R1 31中有一个变值,此时,尽管选台是准确的,N301的(44)脚也输出了4V电压,但CPU的⑨脚却并不是2.5V.CPU就会认为调谐不准确,然后改变调谐电压使电台发生偏移,直到CPU认为调谐准确为止。这就是为什么会发生切换一电台瞬间图像清晰,随后逐渐偏移的故障原因。

  三、中放AFT中周的调整

  如果中放输出的AFT电压到CPU的AFT输入之间传输没问题.但自动选台无法锁住(这里先不讨论由于同步信号造成自动选台无法锁住的问题),或即使能锁住也锁在不准确的位置,这就需要重新调整中放中周和AFT中周了。对于较旧的机器发生此故障,往往是中周内的槽路电容漏电引起的,最好将中周换掉.或将槽路电容挖掉,在中周外边接上一个47~56pF的瓷片电容来代替原来的槽路电容,然后再作调整。中放AFT中周的调整分为两种情况,下面分别介绍。
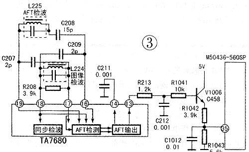
  1.中频中周和AFT中周分别独立的,即有两个中周:一个是中频中周,另一个是AFT中周。这种电路调整起来较容易,这里以最常见的TA两片机金星C542为例作介绍。C542彩电中放至CPU的AFT电。路见图3。