在液晶电视中,采用MST6M69L芯片生产的液晶电视机品牌较多,既有海尔、创维等品牌,也有海信、长虹等品牌。该芯片之所以得到众多生产厂家采用,是由于该芯片功能全,外挂芯片少,支持CVBS、SVH-S、YPbPr、 HDMI、AUDIO、DTV信号直接输入,生产的整机成本低、维修方便。
图1是该芯片在长虹LS20机芯中的典型应用电路,图2为该芯片在海尔LB32R3液晶电视中的典型应用电路。
MST6M69L是一块超级芯片,其内部主要由微处理器、图像信号处理电路、伴音信号处理电路等多个模块电路组成。
一、MST6M69L芯片主要功能和特点
MST6M69L是一块功能强大的电视专用集成电路,内置电视用3D梳状滤波器、多标准的电视伴音调制解调器、高质量数字引擎和3D立体影像处理器屏显OSD系统控制器、8051微控制器、双路8/10比特LVDS模块、DVI/HDCP/HDMI/USB信号处理器。具有画中画处理、USB图片音乐播放、多画面浏览、单独听、数字静像、10比特电视信号处理.TV和RGB/YPbPr信号10比特ADC采样和低EMI和电源管理等功能,支持射频/双视频/S视频/双分量/电脑/双HDMI/USB信号输入和SXGA、XGA等格式信号输入,且还具有电源电压适应范围宽的特点。
二、微处理器
该芯片的微处理器部分主要由集成块的2、3、16、17、83~93、96~105、107~132、164、165、249、250、252~256脚和集成块内部相关电路组成。虽然整个微处理器部分集成在芯片内部,但其电路结构却与我们在CRT彩电中的常见微处理器电路结构基本相同,仍然主要由电源供电电路、复位电路、MCU、只读存储器( ROM )、随机存储器(RAM)、字符显示电路和控制信号(包括总线数据信号接口)输入/输出接口等电路组成。
在长虹和海尔采用该芯片生产的液晶电视中,集成块MST6M69L 128脚均为芯片内部微处理器部分的复位脚,外接的复位电压形成电路的电路结构和电路位号完全相同,图3为该芯片复位电路的电路原理图,芯片微处理器为高电平复位,复位时间约20msa开机瞬间,由于电容C304的作用(开机瞬间,C304相当于短路),使图3电路中的Q21基极为低电平,发射极为高电平,Q21导通,+3.3V电压经电阻R261、组合二极管D32加到128脚,作为芯片内部MCU的复位电压。约20ms后,随着电容C304上电压的上升,Q21会由导通转为截止状态,128脚也会由高电平转为低电平,使芯片内部的微处理器完成一个复位过程。

在图1(或图2)中,集成块MST6M69L的252、253脚外接元件Y3、C164、C165和集成块内部相关电路组成时钟振荡电路,产生12MHz脉冲信号,作为芯片内部相关电路正常工作所需要的时钟脉冲信号。从电路结构上看,由芯片128、252、253脚外接元件和集成块内部相关电路组成的复位电路和时钟振荡电路,与普通CRT彩电微处理器中的复位电路和时钟振荡电路完全相同。在开关电源为芯片控制部分电路提供的电源电压正常的情况下,MST6M69L芯片内部的MCU电路部分要进入待机工作状态,首先是128、252、253脚外接元件和集成块内部相关电路组成的复位电路和时钟振荡电路必须进入正常工作状态。
芯片的16、17、117、118、126、127、129~132脚为总线信号接口。这10个接口引脚功能在不同品牌的液晶电视中是相同的。其中,16、17脚为HDMI总线接口,外挂HDMI信号输入接口、HDMI外部设备数据存储器和HDMI信号切换开关(指具有双HDMI信号输入功能的液晶电视),电视机屏幕上有HDMI工作状态显示,不能正常接收HDMI信号或对HDMI信号进行切换选择,需要检查该接口电路上的存储器;117、118脚为VGA总线接口,外挂VGA信号输入接口、VGA外部设备数据存储器。电视机屏幕上有VGA工作状态显示,不能接收VGA信号,需要检查该接口电路上的存储器;126、127脚为用户存储器数据写入和部分信号处理电路的总线接口,用户存储器、数据写入接口、高频调谐器(或中频信号处理电路)等挂接在该接口电路上,电视机出现二次不开机故障需要对该接口上的相关电路进行检查;129~132脚为程序存储器总线接口,外挂程序存储器,电视机出现二次不开机故障时,需要对挂接在该接口上的程序存储器进行检查。
在长虹采用该芯片生产的液晶电视中,②、③脚为USB过流检测信号输入端,83、86脚为USB接口供电电路控制信号输出端,2、3、83、86脚和集成块内部相关电路共同组成USB接口过流保护电路。在USB外部设备出故障导致接口出现过流时,过流检测信号从②、③脚进入芯片内部,经集成块内部相关电路处理后,从83、86脚输出控制信号送往USB接口供电电路,使其停止工作无电压输出,通过切断USB接口供电的方式实现过流保护。84脚为USB信号切换控制输出端,输出的控制信号送往USB信号切换开关,对USB信号切换开关进行控制,完成两路USB信号切换。在海尔采用该芯片生产的液晶电视中,芯片的2、86脚未用,③脚为YPbPr信号切换控制信号输出端,输出的控制信号直接送往YPbPr信号切换开关,完成对两路YPbPr信号的切换选择。83、84脚为HDMI、DVI音频信号切换控制信号输出脚,输出的控制信号送往HDMI、DVI音频信号切换开关,通过HDMI、DVI音频信号切换开关的控制,实现两种音频信号切换选择。
在长虹和海尔采用该芯片生产的液晶电视中,芯片的85、87、88、91、92、115、119、120、122、125、128、164、165脚功能完全相同。其中:5脚为静音控制信号输出端,输出的静音控制信号送往伴音功放,通过对伴音功率放大器的控制实现静音;87、88脚为指示灯驱动控制信号输出端,输出的控制信号对电视机上的指示灯工作状态进行控制;91、92脚为HDMI切换开关控制信号输出端,输出的控制信号送往HDMI信号切换开关,完成两路HDMI信号的切换选择;115脚为遥控信号输入脚端,来自遥控接收器的信号从该脚加入;119、120脚为本机键控信号输入端,本机控制键按下形成的控制电压从该两脚输入;122脚为FLASH读写控制信号输入/输出端,直接与FLASH读写控制端相连;四脚为脉宽调制信号输出端,输出的控制信号通常作为背光灯驱动电路的控制信号;128脚为开待机控制信号输出端,输出的开/待机控制电压送往开关电源,对开关电源实行开/待机控制;164脚为上屏电压供电控制电压输出端,输出的控制电压直接加在上屏供电电路上;165脚为背光灯驱动电路启动/停止控制电压输出端,输出的控制电压直接加在背光灯驱动电路上。
值得注意的是:在采用MST6M69L芯片生产的液晶电视中,由于芯片内部微处理器、外部用户存储器, FLASH相互配合是不能组成完整的控制系统电路的。只有在图像信号处理电路中的帧存储器的配合下,才能形成完整的控制系统电路,输出正常的控制量。
从上面的分析可以看出,同样型号的集成块,在不同品牌的液晶电视中,其微处理器部分的功能和正常工作所需要的外部条件虽然相同,但由于集成块制造商在生产集成块时,根据各彩电厂家的要求预留了一定的自定义脚,由生产厂家自己进行功能定义,这就形成同型号集成块其微处理器部分引脚功能不一样的情况。此种现象与我们常见的CRT彩电中所采用的超级芯片(TDA9373、TMPA8859等)极为相似。不过,部分引脚功能位置的变化,并不影响我们在实际维修过程中的故障分析思路。因为电路的功能和在电路中所发挥的作用并没有发生质的变化,只是控制量输出位置改变而已。
MST6M69L芯片的图像信号处理主要由信号输入、视频信号切换开关、色度信号解调和亮度信号处理A/D变换、变频和上屏信号形成几大部分电路组成。其中,视频信号切换色度信号解调、亮度信号处理、A/D 变换、上屏信号形成完全由芯片内部电路完成。
在长虹和海尔采用该芯片生产的液晶电视中,芯片的④~⑦、⑨~13脚为HDMI信号输入端,来自HDMI切换开关的HDMI信号从上述各脚进入芯片内部电路后,首先进入相关电路进行处理,然后送往变频处理电路;芯片的19、23、25、26脚为VGA图像和行、场同步信号输入端,来自vGA接口的VGA信号从这些脚迸入芯片内部后,首先送往VGA/YPbPr切换开关电路进行切换选择;芯片的27~30、32、33脚为YPbPr信号输入端,来自YPbPr切换开关的YPbPr信号从这些脚进入芯片内部后,也被送往VGA/YPbPr切换开关电路进行切换选择。VGA、YPbPr 信号经VGA/YPbPr切换开关选择后被送往A/D变换电路,经A/D变换电路转换成数字信号后再送往变频电路进行变频处理;芯片的38~41脚为Y/C信号输入端,s端子输入的Y/C信号从这些脚输入后,直接进入内部的Y/C信号切换开关。芯片的43、44、46、47脚为视频信号输入端,TV视频和AV视频信号从这些脚进入芯片内部后,首先由内部的视频切换开关进行切换,然后再送往Y/C分离电路进行YIC分离,视频信号经Y/C分离电路处理后得到的Y、C信号直接送往y/C信号切换开关与来自S端子的Y/C信号进行切换。Y/C信号经Y/C信号切换开关选择后被分别送往色度信号解调电路和亮度信号处理电路进行处理,处理后得到的YUV信号直接送往A/D变换电路进行A/D变换,变换成数字信号后再送往变频电路进行变频处理。
用MST6M69L芯片生产的液晶电视变频处理电路主要由芯片的234~239、242、243、222、223、225、228、231、232、201~207、209~214、215~220、245、241、230、199、196、197、198脚内部相关电路和芯片外挂的帧存储器(通常由两块型号相同的集成块组成,如长虹和海尔采用的两集成块型号均为:DDR_128Mb_TSOP66 )组成。芯片的234~239、242、243、222、223、225、228、231、232脚为数据信号输入/输出脚,芯片内部的变频电路通过这些脚与帧存储器进行数据信息交换;芯片的201~207、209~214脚为地址信号脚,内部的变频电路通过这些脚将选址信号送往帧存储器;芯片的215、216脚为层选地址脚;217脚为写允许脚;219脚为列地址脚;218脚为行地址脚;220、245脚为数据输入输出屏蔽控制脚;241、230脚为数据输出标识脚;199脚为时钟使能脚;196脚为基准电压设定脚;197、198脚为时钟正反相输出信号脚。芯片内部的变频电路通过上述脚将控制信息送往帧存储器,控制帧存储器的工作状态,完成不同信号的变频处理。
在芯片MST6M69L内部,不同信号经变频电路处理后得到归一化格式的数字视频信号后不再输出,直接送往芯片内部的上屏信号形成电路转换成满足液晶屏上逻辑板(又称“控制板”或"T-CON板")要求的LVDS数字信号从芯片的135~146、148~159、输出,然后通过.上屏线(信号板与屏上逻辑板间的信号连接线)送往逻辑板。
四、伴音信号处理
MST6M69L的伴音信号处理电路主要由芯片的53、56~63、66~71、74、75脚和芯片内部相关电路组成。其内部的伴音处理电路主要由音频信号切换开关、音效处理(高音、低音、平衡、环绕声、均衡器、假立体声).音频ADC和DAC变换等电路组成。
芯片的52、53脚为伴音中频信号输入端,来自中频信号处理电路的伴音中频信号从该两脚输入。目前,在国内各品牌采用该芯片生产的液晶电视中,由于其射频电视信号处理电路均采用独立的组合型高频调谐器( 高频调谐器+图像中频信号处理电路)或近似普通CRT彩电的图像公共通道电路(由独立高频调谐器和独立中频信号处理电路组成)结构,输出的已经是音频信号,因此两脚通常未用。56~63脚为音频信号输入端,来自组合型高频调谐器(或图像公共通道信号处理电路,如TDA9885)的音频信号从芯片的63脚输入,来自视频输入接口的AV、VGA、HDMI、YPbPr音频信号分别从芯片的56、57和60~63脚输入。不同音频信号经芯片内部的音频切换开关.音效处理等电路处理后,分别从芯片的70、71、74、75脚输出。其中,70、71脚输出的音频信号送往音频输出接口,74、75脚输出的音频信号输往伴音功率放大器。66~69的脚外接音频处理滤波网络电容,如果无声或声音异常则查这4脚外接元件。
五、故障判定思路
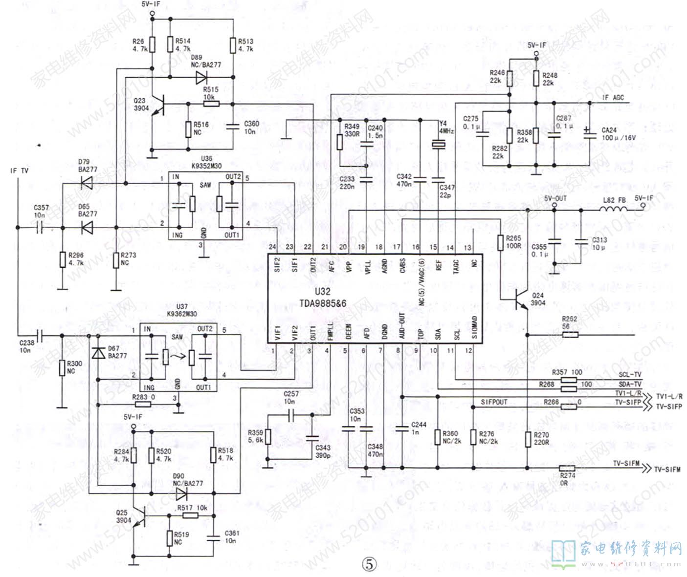
前面介绍了MST6M69L芯片在液晶电视中的应用电路,就采用该集成块生产的整机电路而言,如果不考虑开关电源和液晶屏的结构情况,其电路结构通常有两种:一种是整机的图像公共通道电路采用独立高频调谐器型和独立中频信号处理型,如海尔LB32R3液晶电视。图4是此类电路中的高频调谐器电路原理图,图5是此类电路中的图像中频信号处理电路原理图。
图4中的高频调谐器工作状态受总线信号和高放AGC电压控制,输入射频信号,输出图像中频信号。而图5中的图像中频信号处理电路除集成块工作状态受总线控制外,其作用与早期由独立集成电路组成的图像中频信号处理电路并无多大差别,在总线信号控制下,也是完成图像和伴音中频信号的放大、检波等处理。输入图像和伴音中频信号,输出高放AGC电压、视频全电视信号和音频信号。
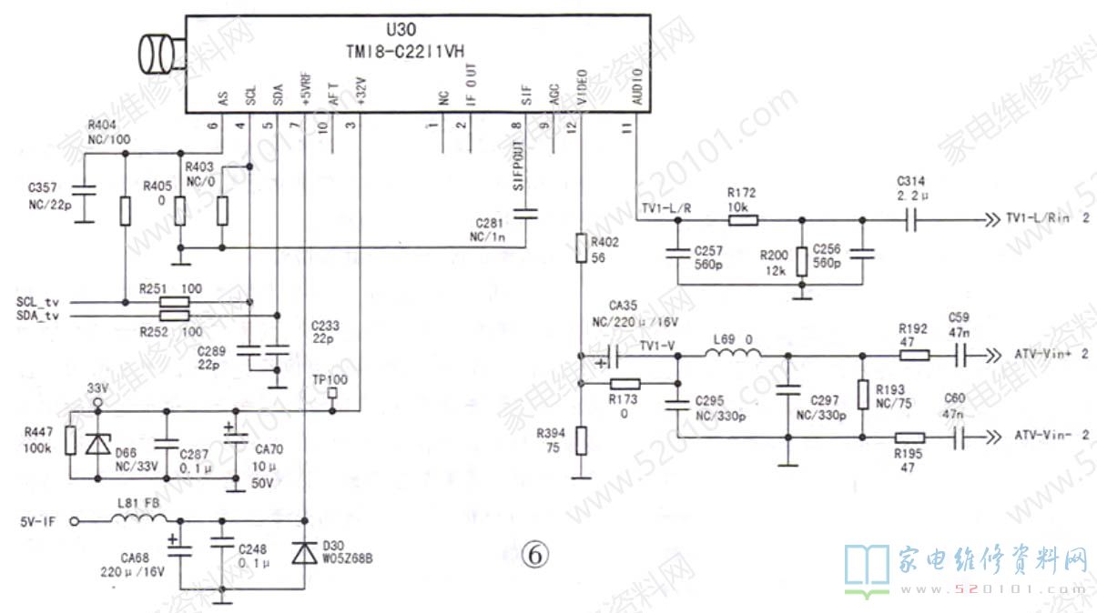
另一种电路结构是整机的图像公共通道电路采用组合高频调谐器型,图6就是这种电路结构中所采用高频调谐器的典型代表。该高频调谐器是长虹LS20机芯所采用的高频调谐器,其工作状态受总线信号控制,在总线信号控制下,输入射频信号,输出视频电视信号和音频信号。应当说,此种高频调谐器与通常见到的CRT数字高清彩电所使用的高频调谐器相同。

另外,在采用MST6M69L芯片生产的液晶电视中,部分厂家生产的部分机型设计有双路USB、HDMI信号输入功能,能输入两路USB、HDMI信号。下面再谈一下采用该芯片生产的液晶电视故障维修思路。
1.无光栅、无伴音的检修
对液晶电视来讲,无光栅、无伴音故障应当与液晶屏无关,其故障应当在开关电源或由芯片MST6M69L组成的电路上。检修此类故障机时,应当首先对所维修的电视机结构进行细心观察,了解电视机上有无指示灯设计(某些机型没有设计指示灯),若设计有指示灯,应当通电后观察电视机上的指示灯是否亮,若指示灯不亮,应当将故障锁定在开关电源。若指示灯亮度正常,应利用遥控器或本机键进行二次开机,并注意观察开机瞬间指示灯是否闪烁和屏幕上有无光栅出现,若发现指示灯闪烁,屏幕上瞬间也有光栅出现,电视机也不自动返回到待机状态,说明故障可能在主板或屏逻辑电路上。若二次开机后,电视机上的指示.灯无变化,则故障应在由芯片MST6M69L、用户存储器、FLASH组成的电路上,此时,要排除故障,需要按顺序先后对MST6M69L的供电电路、复位电路、时钟振荡电路和用户存储器FLASH、MST6M69L进行检查或代换。若维修过程中,发现电视机二次开机后,指示灯虽然闪烁,但屏幕上并无光栅出现,且电视机又自动返回到待机状态,则应当判定其故障在MST6M69L与帧存储器之间的信息通道,或MST6M69L和帧存储器上。
如果所维修的电视机上无指示灯设计,则需通过电压测量的方法来确定其故障范围。测量电压时,第一步是测量开关电源的输出电压,以确定其故障是在开关电源,还是在MST6M69L组成的电路上。当判定故障在MST6M69L组成的电路上时,请按顺序先后对MST6M69L的供电电路、复位电路、时钟振荡电路和用户存储器、FLASH、MST6M69L进行检查或代换即可。
2.接收TV信号无图像或图像不正常的检修
在采用MST6M69L芯片生产的液晶电视中,只要电视屏幕上有噪波点出现,其接收TV信号无图像或图像不正常故障均应当与芯片MST6M69L无关,故障应在前端的图像公共通道(射频信号处理)电路上。检修时,若发现所维修彩电采用的是组合型高频调谐器(高频调谐器+图像中频信号处理电路),测量高频调谐器的供电电压又正常,则故障原因一定是高频调谐器损坏,更换高频调谐器后即可排除故障。若检修过程中,发现所维修彩电的图像公共通道电路采用的是独立高频调谐器和独立中频信号处理电路结构,则故障可能在高频调谐器或中频信号处理电路上。由于具有独立高频调谐器和独立中频信号处理电路结构的液晶电视,其图像公共通道电路与普通CRT彩电中的图像公共通道电路结构相同,所以,对此类电路进行检修时,完全可借用普通CRT彩电图像公共通道的故障维修方法进行维修。
3、接收AV、YPbPr、Y/信号无图像或图像不正常的检修
电视机接收TV信号.VGA信号、HDMI信号和USB信号图像正常,说明芯片MST6M69L内部的色度信号解调电路和亮度信号处理电路A/D变换电路、变频电路和上屏信号形成电路工作正常。由于芯片内部的色度信号解调和亮度信号处理电路TV信号与AV、YPbPr.Y/C信号是公用的,所以,可以确定,在采用MST6M69L芯片生产的液晶电视中,接收AV、YPbPr.Y/C信号无图像或图像不正常故障,应当在这些信号的输入接口电路或MST6M69L内部的AV、YPbPr、Y/C信号输入接口电路上。在检修时,若确定其信号输入接口和与芯片信号输入脚间的电路无故障,则一定是芯片MST6M69L损坏。
4、接收VGA、HDMI、USB信号无图像或图像不正常的检修
一般来讲,在采用MST6M69L芯片生产的液晶电视中,VGA、HDMI接口上均设计有外部设备专用电视参数存储器。在具有双HDMI.USB功能的电视机中,还设计有HDMI、USB信号切换开关。所以,在维修采用MST6M69L芯片生产的液晶电视接收VGA、HDMI.USB信号无图像或图像不正常故障时,不仅要对其信号输入接口和HDMI.USB信号切换开关进行检查,还要注意对挂接在信号输入接口上的数据存储器进行检查。
5.花屏故障的检修
液晶电视出现的花屏故障,通常在变频处理电路上。检修花屏故障时,通常是先检查MST6M69L的234~239、242、243、222、223、225、228、231、232、201~207、209~214、215、216、217、219、218、220、245、241、230、199、196、197、198脚与外挂帧存储器间的信息传输通道,若正常,再分别按先后顺序对帧存储器和芯片MST6M69L进行代换即可。
6.图像彩色不正常故障检修
液晶电视的彩色不正常现象有两种特征,一种与普通CRT彩电的彩色不正常故障现象相似,另外一种现象是与普通CRT彩电上所见到的故障现象完全不同,其现象通常是图像上出现局部的彩色斑块或图像边缘出现拖尾。对于前者,应当是图像信号处理电路中的色度信号解调电路出了故障,对于后者,应当是数字信号处理电路工作不正常所致。由于采用MST6M69L芯片生产的液晶电视中,色度信号处理电路完全由芯片MST6M69L内部相关电路组成,所以,在检修采用MST6M69L芯片生产的液晶电视彩色不正常故障时,若发现输入TV和AV信号时,其故障现象与普通彩电一样,则一定是芯片MST6M69L存在故障。若发现所维修彩电彩色不正常现象与普通CRT彩电的彩色不正常现象不一样,则故障范围一定在逻辑板或MST6M69L芯片上,此时,需要对逻辑板或MST6M69L芯片进行代换,即可排除故障。
7.图像正常,无伴音故障检修
在采用MST6M69L芯片生产的液晶电视中,若电视机出现接收任何信号均无伴音,其原因一定是伴音功放或芯片MST6M69L内部的音频信号处理电路存在故障。此类故障在检修过程中,可采取将图像公共通道电路输出的音频信号直接跨接在伴音功放电路上的音频信号输入端的方式进行故障范围确定。若跨接后有伴音,则无伴音故障在MST6M69L芯片;若仍无伴音,则无伴音故障在伴音功放。



网友评论