最近接修两台厦华XT-3465T型大屏幕彩色电视机,出现同一种枕形失真故障,其表现是光栅左右两侧向内凹,行幅不足。 
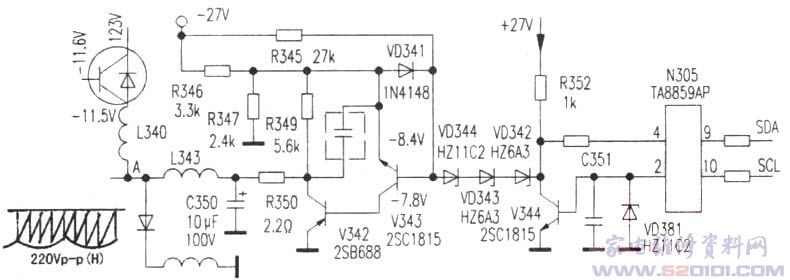
    据故障现象分析,应重点检查附图所示电路。经检查,发现C350无容量,用10uF/250V电解电容器更换后,故障排除。 
    在检修上述两台机的过程中,发现C350的安装位置距V342的散热片很近,因而认为C350的失效原因主要是长期过热所致。因此,在更换C350时,除要选择标称温度值较高(如105℃)的正品电容器外,还应调整C350的安装位置,使其远离热源。
    见附图,C350主要用于抛物波电压形成,并通过L343去调制行扫描锯齿波电流,调制后的行扫描电流波形如A点所示。 
    V342为PNP大功率管,它与V343组成级联放大器,用于激励场频抛物波。V344为东-西枕校调整管,受N305②脚输出信号及I2C总线数据控制。