大家在日常维修电磁炉遇到屡爆IGBT后查换元器件需要注意这几点:

1、优质正品IGBT是首位,参数越接近原来的型号越好,如果25A等级代20A更好,加强绝缘。

2、300V电容MKP-X2型与并联谐振电容MKPH型代换。
3、300V、18V、5V是正常工作的前提,有的18V风扇短路使驱动电压下降,IGBT激励不足。
4、对于线路板脏污的清洗、烘干、上漆。
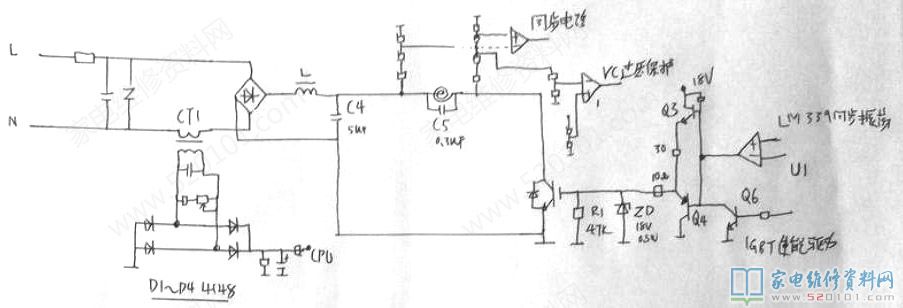
5、关键的保护电路检查、市电浪涌保护、VC过压保护、功率整定电路即电流互感器部分易受短路浪涌电流冲击也要重点检查。现在电磁炉基本都采用康铜丝完成电流信号的采样,接触不良,打火易损伤单片机。
6、IGBT短路,驱动电路最易受到冲击。

      当某种原因IGBT击穿,主回路流过约200-300安培的强浪涌电流(电源内阻低的电流更大),对主回路关联电路避免不了产生冲击,当保险熔断或空开脱扣的瞬间,加热线圈产生很高的感应电压与300V滤波电压叠加,首当其冲地冲击IGBT,IGBT击穿,强电冲击着栅极驱动电路,这里的18V稳压二极管对18V供电过高击穿IGBT起到钳位作用,但主回路的浪涌电流,它是无法保护对Q3、Q4驱动电路的保护,因为动态内阻大,吸收主回路强浪涌是有限的,而驱动管8050、8550的BVceo仅20几V,所以Q3、Q4、Q6都应该更换,对于采用LM339的老式结构也应该更换。
      半导体元件对过电、温度、辐射敏感,对于过电损坏有的是软击穿,万用表测试正常,而且还能暂时正常功能,由于驱动电路的稳定性直接决定着IGBT的工作可靠性。
      总之,对于多次爆IGBT的必须更换ZD 18V、Q3、Q4、Q6等关键部件(易收到冲击的元件)的半导体器件。