接修一台九阳JYC-21GS02电磁炉,故障表现为显示E0,首先网上查了一下资料说是内部电路问是题,用检测PWM小工具测,灯不亮,现查18V、5V,正常,测量几个大功率电阻,大电容,都正常,测了18V的稳压管,也正常。

      在板子上测了一下功率管,然后再测几个贴片的电阻都是正常的,在主板大的电阻都拆下来测过,8550和8050管子也拆下来测过都正常,前后花了一个多小时了,然后就找换了大功率的电容,还是不行,最后想起功率管坏也有可能。换了一个,装机试一下,正常了,再测一下功率管,它没有短路击穿,但管子1脚和3脚正反阻很小,在主板上测量没有注意这点,想没有短路,总以为管子好的,所以浪费很多时间,希望同行们注意。

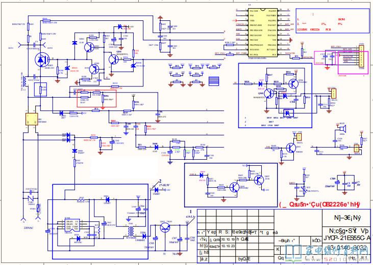
     附:九阳JYC-21GS02电磁炉电路原理图