概述:LTC4099采用超薄 (0.55mm) 20 引脚 3mm x 4mm QFN 封装,
一、LTC4099功能和特点:
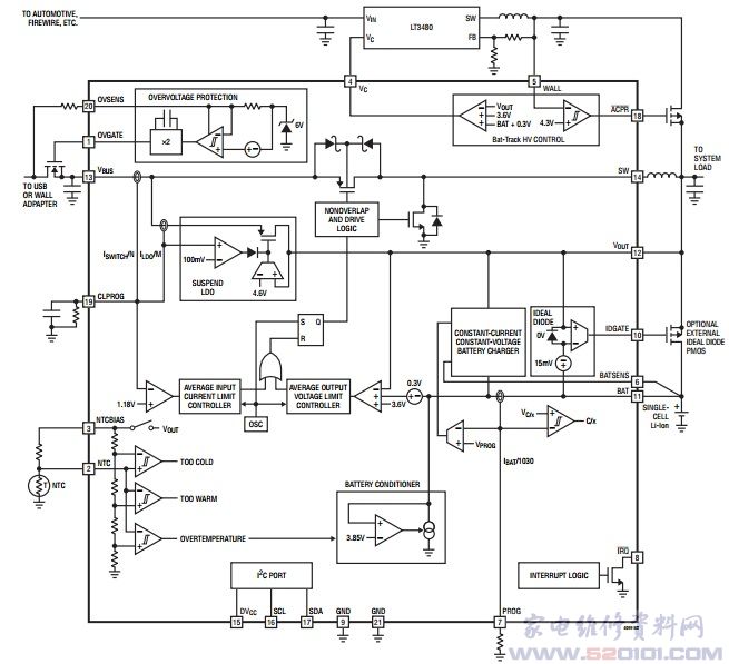
1、具电池跟踪自适应输出控制功能的开关稳压器最佳地使用了来自 USB 端口的有限可用功率,以满足电池充电和电源应用的需要
2、I2C 端口用于实现最佳系统性能和提供状态信息
3、输入过压保护 (高达 68V)
4、外部降压型开关稳压器的电池跟踪控制最大限度地提高从汽车或其它高压电源供电的效率
5、在低电池电量时即时接通工作
6、当输入功率有限时理想二极管无缝地连接电池
7、过热电池查验器
8、全功能锂离子/聚合物电池充电器
9、从交流适配器提供具热限制的 1.5A 最大充电电流
10、可从一个 500mA USB 端口向系统负载提供 700mA 最大电流
11、转换控制降低开关 EMI



网友评论