TCL LED液晶彩电采用的TV3205-ZC02-01A电源板,集成电路采用ICE3B0565+OB2263组合方案,组成副电源和主电源,副电源输出+5VSB、5V电压,主电源输出12V和24V电压,为主电路板和背光灯电路供电。应用于TCL LED32C500、LED32C100、LE32C16、LE32M18等LED液晶彩电中。
一、电源板工作原理
TCL TV3205-ZC02-01A电源板原始设计设有PFC功率因数校正电路,由于应用于小屏幕LED彩电,消耗功率较低,所以PFC电路未安装。该电源板实物图解见图1所示,电源板电路组成框图见图2所示。

TV3205-ZC02-01A电源板由两部分组成:一是由厚膜电路ICE3B0565(U1)、变压器T2为核心组成的副电源,通电后,副电源首先工作,产生5VSB电压,为主板控制系统供电,同时5VSB电压经开/关机电路Q1控制后输出5V电压,为主板小信号电路供电;二是由驱动电路OB2263(U7)、灌流电路Q10、Q11和MOSFET开关管Q12、变压器T3为核心组成的主电源,遥控开机后启动工作,产生24V电压,为背光灯板供电;产生12V电压,为主板伴音功放等负载电路供电。
开/关机控制采用控制主电源驱动电路OB2263的PFC-VCC供电和控制副电源5V电压输出的方式。
1.抗干扰和整流滤波电路
TCL TV3205-ZC02-01A电源板抗干扰和整流滤波电路见图3所示。由抗干扰电路和市电整流滤波电路组成。

(1)抗干扰电路
抗干扰电路利用电感线圈L5、L4、L3和电容器CX1、CY3、CY4组成的两级共模滤波电路,一是滤除市电电网干扰信号,二是防止开关电源产生的干扰信号窜入电网。图中F2为保险丝,电源板发生短路故障时烧断,断电保护电源板:RV1为压敏电阻,市电电压过高时击穿,将F2烧断,断电保护;RT1为限流电阻,限制开机瞬间大滤波电容EC1、EC2的充电电流。
(2)市电整流滤波电路
滤除干扰脉冲后的AC220V市电,通过全桥D19~D22、电容EC1、EC2将交流市电整流滤波,产生+300V的直流电压,送到副电源和主电源电路。
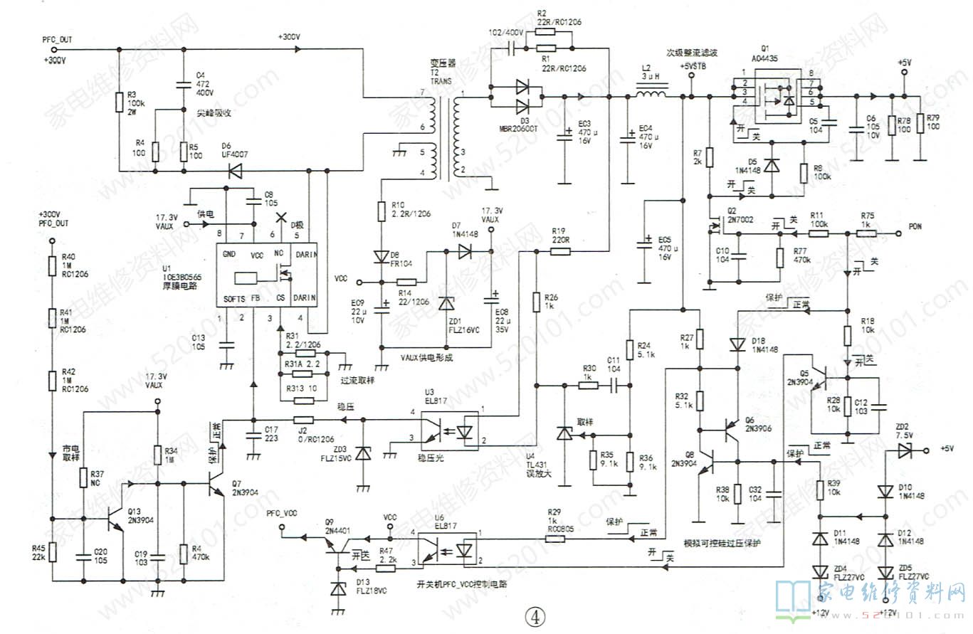
2.副开关电源

TCL TV3205-ZC02-01A电源板副开关电源如图4所示,由厚膜电路U1(ICE3B0565)开关变压器T2、稳压控制电路U4(TL431)、光电耦合器u3(EL817)及其次级的整流滤波电路组成,通电后,副电源首先工作,在冷地端产生5VSB电压,为主板控制系统供电,同时5VSB电压经开/关机电路Q1控制后输出5V电压,为主板小信号电路供电;在热地端产生VCC电压,经开/关机电路控制后产生PFC-vCC电压为主电源驱动电路U7提供工作电压。
(1)ICE3B0565简介
ICE3B0565是PWM控制芯片/MOSFET大功率场效应管的复合电源芯片,包括振荡器、取样稳压、驱动级等控制电路和MOSFET开关管,为单极性控制驱动输出,设有过流、过压、欠压保护功能,其引脚功能和维修参考数据见表1所示。

(2)启动工作过程
市电整流滤波后产生+300V的PFC-OUT电压通过开关变压器T2的初级⑦-⑥绕组加到U1的④、⑤脚,一是为内部大功率开关管的D极提供电压,二是为内部振荡、驱动控制电路提供启动电压,U1启动工作,内部开关管工作于开关状态,其脉冲电流在T2各个绕组产生感应电压。
其中T2的热端⑤-④绕组感应电压经R10、D8、EC9整流滤波后,产生vCC电压,该电压分为两路:-路送到开/关机控制电路Q9的c极,控制后产生PFC-vCC电压,为主电源驱动电路U7供电;另一路经R14、ZD1、D7稳压后,产生VauxD电压,为U1的⑦脚提供工作电压,替换下内部启动电压,维持U1工作。T2次级冷端①-②/③绕组感应电压,经D3整流、EC3、EC4、L2、EC5组成的t式滤波器滤波后,形成+5VSB电压,一是为电源板的稳压、待机控制电路和保护电路提供电源,二是通过连接器CON4的⑧脚向主电路板的微处理器控制系统提供电源;三是经过开/关机电路Q2、Q1控制后输出5V电压,为主板小信号处理电路供电。
(3)稳压控制电路
副开关电源的稳压电路通过取样电路R24与R35、R36分压,对输出的+5VSTB电压取样后送给误差放大器U4(TL431),比较后输出误差信号,通过光电耦合器U3(EL817 )对厚膜电路U1(ICE3B0565 )的②脚电压进行控制,调整U1内开关管激励方波的脉宽,使输出5V电压稳定。
当输出的+5VSTB升高时,经上述取样电阻分压所得的电压也随之升高,即U4的R极电压升高,经U4比较放大后K极电压下降,即U3的②脚电压下降;同时,升高的+5VSTB电压通过R19使U3的①脚电压升高,①、②脚内部的发光二极管发光增强,使U3的③、④脚间的光敏三极管导通程度加深,其c、e极间等效电阻减小,则U1的②脚反馈电压FB下降,在芯片内部PWM控制器的作用下,U1内部MOSFET开关管导通时间变短,则开关电源输出电压下降,从而达到稳压的目的。若输出的+5VSTB电压下降,其稳压过程与上述相反。
(4)U1内部保护电路
U1的③脚接内部开关管S极,外接R31、R31A、R31B为开关管过流电流采样电阻,当内部开关管电流过大时,在R31、R31A、R31B两端产生的电压降升高,③脚内部过流保护电路启动,副开关电源停止工作;U1的①脚外接防冲击电容C13,防止因冲击电流造成U1损坏;U1的内部设有过压、过热保护电路,当U1的供电电压或输出电压过高、温度过热时,也会采取保护措施,副开关电源停止工作。
(5)市电欠压保护电路
由于准谐振模式控制器没有最大占空比的限制,若在交流输入电压很低时,会使MOSFET管开启时间变得很长,则MOSFET管极可能因过载而损坏。为此,该电源板设置了以Q13、Q7为核心的市电检测电路。
AC220V市电整流滤波后输出的PFC-OUT电压,经R40~R42与R45分压后为Q13的b极供电,市电电压正常工作时,Q13导通,Q7截止,对U1的②脚FB电压无影响;当市电过低时,Q13截止,迫使Q7导通,将U1的②脚FB电压拉低,U1据此停止工作。
(6)尖峰吸收电路
为了防止U1内部mOSFET开关管在截止期间被T2初级绕组产生的较高的反峰压电压击穿,设有D6、R3~R5、C4组成的反峰压吸收电路。当U1内部MOSFET开关管截止时,将T2初级绕组产生的反峰压吸收释放,避免击穿U1内部MOSFET开关管。
(7)开/关机控制电路
开/关机电路由Q5、U6、Q9组成的PFC -VCC控制电路和由Q2.Q1组成的+5V输出控制电路两部分组成。开机时,主板控制系统送来P-ON高电平,该电压分为两路:一路使PFC-VCC控制电路Q5、U6、Q9导通,将VCC电压变为PFC-VCC电压,送到主电源驱动电路U7的⑤脚,主电源启动工作,为整机提供+24V、+12V电压;另一路使+5V输出控制电路的Q2、Q1导通,输出+5V电压,为主板小信号处理电路供电,进入开机状态。
待机时,主板控制系统送来P-ON变为低电平,该电压分为两路: 一路使PFC-VCC控制电路Q5、U6、Q9截止,停止输出PFC-VCC电压,主电源停止工作;另一路使+5V输出控制电路的Q2、Q1截止,停止输出+5V电压,进入待机状态。
(8)模拟可控硅保护电路
该电源板围绕开/关机控制电路设有图4右下部所示的由Q6、Q8组成的模拟可控硅过压保护电路,对开/关机控制电路光耦U6的①脚供电和开/关机P-ON电压进行控制。
当主电源输出的24V电压超过稳压管ZD5的稳压值27V时,将ZD5击穿,经D12向模拟可控硅电路Q8送去高电平触发保护电压;当主电源输出的12V电压超过稳压管zD4的稳压值15V时,将ZD4击穿,经D11向模拟可控硅电路Q8送去高电平触发保护电压;当副电源输出的5V电压超过稳压管zD2的稳压值7.5V时,将ZD2击穿,经D10向模拟可控硅电路Q8送去高电平触发保护电压。上述高电平触发电压使模拟可控硅电路Q8、Q6导通,一是将开/关机控制电路光耦U6的①脚供电拉低,U6和Q9均截止,停止输出PFC-VCC电压,主电源停止工作,进入待机保护状态;二是通过D18将P-ON开机高电平拉低迫使+5V输出控制电路Q2、Q1截止,停止输出5V电压。
3.主开关电源

该板主开关电源如图5所示,由振荡驱动控制电路u7(OB2263)、灌流电路Q10、Q11(未安装)开关管Q12、T3和稳压电路光耦u8(EL817)、误差放大器u9(TL431 )等组成。遥控开机后启动工作,产生+12V和24V电压,为主电路板和背光灯电路供电。
(1)启动工作过程
接通电源后,+300V整流滤波电路输出的+300V的PFC-vCC直流电压经T3的④-③绕组加到Q12的D极,作为Q12的工作电压。开机后,开/关机控制电路输出的PFC-VCC电压加到u7的⑤脚,同时为灌流电路供电,主电源启动工作,U7内部振荡电路启动,产生的振荡脉冲信号经内部电路处理后,从⑥脚输出,经灌流电路Q10.Q11加到Q12的G极,Q12工作于开状态,开/关电源启动工作,其脉冲电流在T3中产生感应电压。T3 的⑨//10~11//12绕组输出的感应电压经D16、EC13、EC14、L7、EC15、C26整流滤波后,得到+24V电压,为背光灯板供电。T3的⑦-⑧绕组输出的感应电压经D14、EC10、EC11、L6、EC12、C23整流滤波后,得到+12V直流电压,作为信号处理电路的工作电压。
(2)稳压控制电路
该电源的稳压控制主要由三端精密稳压器U9(TL431)、光耦u1(EL817)及24V取样电阻R71、12V取样电阻R70和分压电阻R73、R74等元件组成,对U7的②脚FB电压进行控制。当输出的12V或24V升高时,经上述取样电阻分压所得的电压也随之升高,即U9的R极电压升高,经U9比较放大后K极电压下降,即U8的②脚电压下降;同时,升高的+12V电压通过R68使U8的①脚电压升高,①、②脚内部的发光二极管发光增强,使U8的③.④脚间的光敏三极管导通程度加深,其c、e极间等效电阻减小,则u7的②脚反馈电压下降,在芯片内部PWM控制器的作用下,U7的⑥脚输出的脉宽变窄,开关管Q12导通时间缩短,开关电源输出电压下降,从而达到稳压的目的。若输出的12V或24V电压下降,其稳压过程与上述相反。
(3)过流保护电路
U7的④脚为电流检测输入端,内接电流控制电路,用于检测Q12的工作电流。正常工作时,电流检测电阻R65、R66、R67上的电压通过R62送至U7的④脚,对电流进行控制;当R65、R66、R67上的电压超过保护设定值时,U7进入过流保护状态,⑥脚无激励脉冲输出,开关电源停止工作。
(4)尖峰吸收电路
为了防止开关管Q12在截止期间T3初级绕组产生的较高的反峰压电压击穿,设有DI15、C21、R50、R52、R53组成的反峰压吸收电路。当开关管Q12截止时,将T3初级绕组产生的反峰压吸收释放,避免击穿开关管Q12。
三、电源板维修提示
1.待机指示灯不亮
(1)保险丝烧断
测量保险丝F2或限流电阻RT1是否熔断,如果已经熔断,说明开关电源存在严重短路故障,主要对以下电路进行检测。
1)检测市电输入抗干扰电路cx1、CY3、CY4及整流滤波D19~D22、EC1、EC2是否击穿漏电,压敏电阻RV1是否击穿。
2)检查副电源厚膜U1的④、⑤脚内部MOSFET开关管和主电源开关管Q12是否击穿,如果击穿,进-步检查相关变压器初级并联的尖峰吸收件是否开路失效;检查相关稳压控制电路是否开路失效,检查过流检测电路取样电阻是否因过流烧毁或阻值变大。
(2)保险丝未断
如果测量保险丝F2或RT1未断,说明开关电源不存在严重短路故障,主要是副开关电源电路未工作,应对以下电路进行检测。
测量副开关电源有无电压输出,如果有5VSTB电压输出,则是输出连接器接触不良或主电路板故障;如果无输出,则首先测量市电整流滤波后EC1 EC2两端输出的300V是否正常,无300V电压检查市电抗干扰和整流滤波电路是否有开路故障;有300V电压输出,测量副电源U1的⑦脚有无启动电压,检查②脚外部的市电过低保护电路是否启动,测量Q7的基极是否由正常时的0V上升到0.7V,如果为0.7V则是该保护电路启动,且AC220V电压正常,多为降压电阻R40~R42阻值变大。
上述电压正常 ,测量检查U1及其外部电路元件,外部电路元件正常则更换U1试之。最后检查副电源次级整流滤波电路是否发生短路开路故障。
2.待机指示灯亮
按遥控"POWER”键,测连接器CON4的⑨脚板控制系统,有高电平则故障在电源板开/关机控制电路和主电源。
(1)测量主电源有无输出电压
开机瞬间测主电源二次侧有无+24V和+12V直流电压?如果开机瞬间有+24V和+12V电压输出,然后降为0V,说明主电源保护电路启动,重点检查以Q6、Q8模拟可控硅为核心的过压保护电路。
(2)测量PFC-VCC供电
如果测量+24V、 +12V开关电源无电压输出,说明+24V、+12V主电源未工作,测量U7的⑤脚有无PFC-VCC供电?无VCC-PFC供电,查开/关机控制电路Q5、光耦U6.VCC控制Q9;检查副电源vcC整流滤波电路R10、D8、CEC9。
(3)测量主电源电路
如果U7的⑤脚有PFC-VCC供电,则测U7的⑥脚有无PWM驱动脉冲?如果有PWM驱动脉冲,查U7的⑥脚外接R57、Q10、Q11、Q12和开关管Q12的s极电阻R65、R66、R67是否开路。检查变压器T3次级整流滤波电路是否发生短路、开路故障。
3.保护电路维修
TCL TV3205-ZC02-01A电源板设有模拟可控硅过压保护电路,当开关电源发生过压故障时,多会引起保护电路启动,进入保护状态,开关电源停止工作,看不到真实的故障现象,给维修造成困难。维修时,可采取测量关键点电压判断是否保护,或解除保护观察故障现象的方法进行维修。
(1)根据故障现象,判断是否保护如果指示灯亮,开机的瞬间,主开关电源启动,并在主开关电源变压器的次级有电压输出,几秒钟后主开关电源停止工作,输出电压降到0V,多为模拟可控硅保护电路启动所致。
(2)测量关键点电压,判断哪路保护在开机的瞬间,测量保护电路的模拟可控硅Q8的b极电压,该电压正常时为低电平0V。如果开机时或发生故障时,Q8的b极电压变为高电平0.7V以上,则是以模拟可控硅为核心的保护电路启动。由于Q8的b极电压外接三路过压保护检测电路,为了确定是哪路检测电路引起的保护,可在开机后保护前的瞬间,测量过压取样电路的隔离二极管D10、D11、D12的正极电压或两端电压,哪个隔离二极管的正极为高电平,则是哪路检测电路引起的过压保护。
如果判断主电源过压保护电路启动,应对可能引起开关电源输出电压升高的稳压控制环路的U9、U8和分压取样电路等元件进行检测;如果判断副电源过压保护电路启动,应对可能引起开关电源输出电压升高的稳压控制环路的U4.U3和分压取样电路等元件进行检测。
(3)解除保护,观察故障现象
确定保护之后,可采取解除保护的方法,开机测量开关电源输出电压和负载电流,观察故障现象,确定故障部位。为了防止开关电源输出电压过高,引起负载电路损坏,建议先接假负载测量开关电源输出电压,在输出电压正常时,再连接负载电路。
全部解除保护:将模拟可控硅Q8的b极对地短路,解除保护,开机观察故障现象。
逐路解除保护:对于+24V过压保护电路断开D12;+12V过压保护电路断开D11;+5V过压保护电路断开D10。每解除一路保护检测电路, 进行一次开机实验,如果断开哪路保护检测电路后,开机不再保护,则是该电压过高引起的保护。
注意:断开二极管后不可长时间通电,以免引起元件损坏。
4.电源板维修实例
例1:开机黑屏幕,指示灯不亮。分析检修:测量市电输入电路的保险丝F2未断,测量副开关电源无5VSTB电压输出,判断副开关电源电路发生故障,造成无副电源输出,指示灯不亮。对副开关电源进行检测,测量驱动电路U1的⑦脚无启动电压,对⑦脚外部的电路C8进行检测,发现C8短路,更换C8后,故障排除。
例2:开机黑屏幕,指示灯亮。分析检修:指示灯亮,说明副开关电源正常,按下“POWER"键开机,测量主开关电源无+24V、+12V电压输出,测量U7驱动控制电路的⑤脚无PFC-VCC供电,对PFC-VCC供电电路进行检查,发现光耦U6 的①脚电压仅为0.45V,估计是模拟可控硅电路启动,测量Q8的b极电压果然上升到0.7V,开机的瞬间逐个测量过压保护取样电路D10~D12的正极电压,发现D12的正极开机瞬间为高电平,判断系24V过压检测电路引起的保护。
采用脱板维修的方法,接摩托车24V灯泡假负载对电源板进行检测,将连接器CON4的⑧、⑨脚之间跨接500Ω电阻为开/关机电路提供高电平,将过压保护电路Q8的b极对地短路,通电测量电源板输出电压瞬间超过29V,马上切断电源,对主电源稳压电路进行检测,当代换主电源稳压电路光耦U8后,电源板输出电压恢复正常。拆除假负载装机后,故障排除。
网友评论