一、原理分析
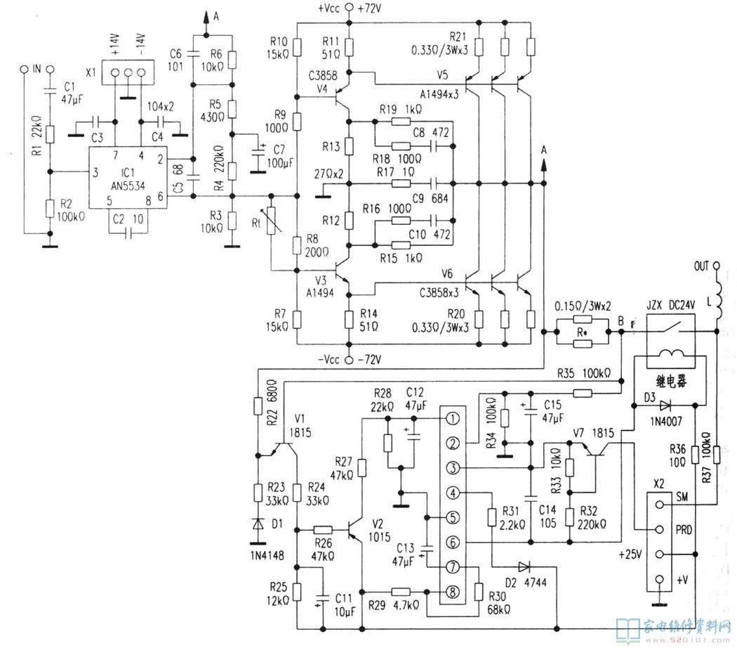
该电路主要由一块电源板、一块前置板和两块功放输出板(左右声道各一块)组成。维修实践表明,该机常见故障主要出现在功放输出板,根据实物测绘出功放输出电路如下图所示。
电路原理
功放输出电路包括前置放大、功放输出末级和过流过压保护三部分。
1.前置放大
该部分的核心是一个8脚双极型单通道运放NE5534,其具有高增益带宽(10MHz)、高转换速率(13V/μs)、低噪声(噪声电压均方根值为3.5nV,参考频带1kHz)和宽电源适应能力(±3v~±20V)。有“运放之皇”的美称,目前在音响电路中使用广泛。NE5534的引脚功能如下:(1)脚平衡端(0.6V),(2)脚反相输入端(0V),(3)脚同相输入端(0V),(4)脚负电源端(-14v),(5)脚补偿端(-0.6V),(6)脚输出端(0V),(7)脚正电源端(+14v),(8)脚平衡补偿端(+0.6V)。NE5534的(2)脚从功放末级引入负反馈电压,使功放机具有较好的电压稳定性。
2.功放输出末级
由V3、V4、V5和V6等组成,使用±72V双电源。v3、v4构成互补推挽式放大电路,分别为V5、V6提供推动电压;v5、V6组成推挽输出末级。分别使用1~4对音频功放专用的大功率管2SA1494和2SC3858并联工作,对管并联数量依整机需要的额定输出功率而不同。实查该机型可知,额定功率为200W的使用三对管作输出,240W使用四对管作输出;R20、R21用于平衡各并联功率管的电流,避免因管子参数的差异而造成某只过流损坏;Rt为负温度系数的热敏电阻,它用螺钉紧固在功率管散热器上,当功率管温度上升→基极偏流上升→输出端偏压发生漂移时→Rt阻值减小(因为温度升高)→功率管基极偏压下降一输出端偏压回零;输出端与前级NE5534(2)脚之间的Rs、R6、c6。与推动管发射极之间的R15、R16、R18、R19、c8、c10。共同组成电压负反馈网络。且对低音频响有所提升;同时,R4、R5和C6在。NE5534(6)脚和(2)脚之间引入直流负反馈,可以进一步减小零点漂移。另外,该机的末级功放管为集电极输出,具有电压增益高、抗负载反冲电压能力强,以及功率管散热效果更好、可靠性更高等优点。这种功放电路一般都引入较强的电压负反馈,使整机稳定性增强,频响特性更好。目前,集电极输出的推挽式功放,在专业的定压输出式功放机中已经普遍采用。
功放输出电路信号流程是:前级信号经插件进入电路中IN端→c1→R1→IC1(2)脚→Ic1(6)脚→R8、R9→V3、v4→v5、V6→R*→继电器内部开关→L→OUT去扬声器。
3.保护电路
由R*、V1.V2、IC2和继电器JZX等组成。IC2为音箱保护集成电路MPC1237HA,8脚单列直插结构,因其功能完善、性能优良、价格低廉而广泛用于国内外各类音响产品中。MPC1237HA用于功放电路中,能有效消除功放开/关机冲击噪声。防止功放过流及输出端直流偏移损坏扬声器。MPC1237HA各引脚功能为:(1)脚过流检测端(0V);(2)脚功放输出直流偏移检测端(0V);(3)脚扬声器保护电路工作方式选择端(0V)。当此端通过0.22μF的电容接地时。为锁存方式。直接接地为自复位方式。本机采用后者;(4)脚交流断电检测端(10.5V):(5)脚地;(6)脚继电器驱动端(24V);(7)脚电源接通延时端(0.6V);(8)脚电源端(5V)。
保护电路工作原理:在电源正常接通时。在最初的3~4秒内,IC2(6)脚输出高阻态。继电器断电,其内部开关断开。
防止扬声器因功放机初始电压不稳而损坏。初始延时时间的长短取决于(7)脚外接R30xC13的大小,一般电源接通3秒~4秒以后。电源电压都已稳定,IC2(6)脚输出低阻。继电器得电。内部开关接通,扬声器接通。R*是过流检测电阻,当输出电流过大,致使Uba=|Io×R*|>O.6V时,V1导通→V2导通→Ic2(1)脚电压升高大于O.6V→内部保护启动→IC2(6)脚变为高阻态→继电器失电→开关断开→扬声器断开进入保护状态。功放电路输出端直流偏置电压经R35、R34、c14送入Ic2的(2)脚。当偏置电压绝对值大于0.6V时。IC2内部保护也启动,最终同样断开扬声器。c15是滤波电容,用于滤除输出电压中的直流分量。c12用于滤除瞬时大脉冲电流引起的触发电压,防止保护电路误动作。
MPC1237HA(4)脚用于关机静音,当交流断电(关机)时,放大器失电是一个过渡过程,中点电位不能马上降为零,若经输出端加到扬声器则表现为冲击噪声,严重时甚至损坏扬声器。将(4)脚通过R31、D2接在25V电源端,当关闭电源时,25V立即消失,(4)脚降为0V,MPC1237HA使继电器立即断开。从而起到静噪保护作用。
二、维修实例
该功放机最常见的故障是无输出。原因可能有多种,按概率依次为:
1.功率管损坏
在路或拆下功率管V5和V6独立检测,各引脚间均开路,须更换全部功率管。注意:更换的大功率管须经检测配对,如果V5、V6的参数(主要是电流放大系数)差异太大,很容易再次损坏。实践中,发生功率管损坏的时候。往往R20和R21也同时开路损坏,应注意检查并同时更换。另外,发现功率管损坏时,别忘了检查下一项。
2.前置放大NE5534损坏
NE5534(6)脚电压为+12V或-12V,功率管输出端Ua电压偏离正常的0V,而接近+70V或-70V。这是NE5534内部损坏的常见症状,而且多数情况下会造成功率管同时损坏。
3.保护集成电路IC2损坏。
造成误保护在IC2(1)、(2)脚都为正常0V的情况下,其(6)脚为高阻态,电压为25V,使其外接继电器失电,扬声器被断开,致使无声。保护集成块MPC1237HA不易购得,应急修理可以不用它,而将二极管D3正极接地,扬声器即可恢复正常发声。但这种处理使扬声器失去了应有的保护,应谨慎。

网友评论