MBA-1600是一款功率较大的专业功放,环型电源变压器主输出经整流滤波后给功放电路提供±110V的电压,两块功放主板各自安装在大面积的散热片上。每块电路板上安装有五对C5200、A1943,总输出功率可达1600W。此电路板是系列产品通用板,利用这种电路板可配置出几种不同型号的系列产品。如果把板上空缺元件都装全,输出功率可达到2000W以上。
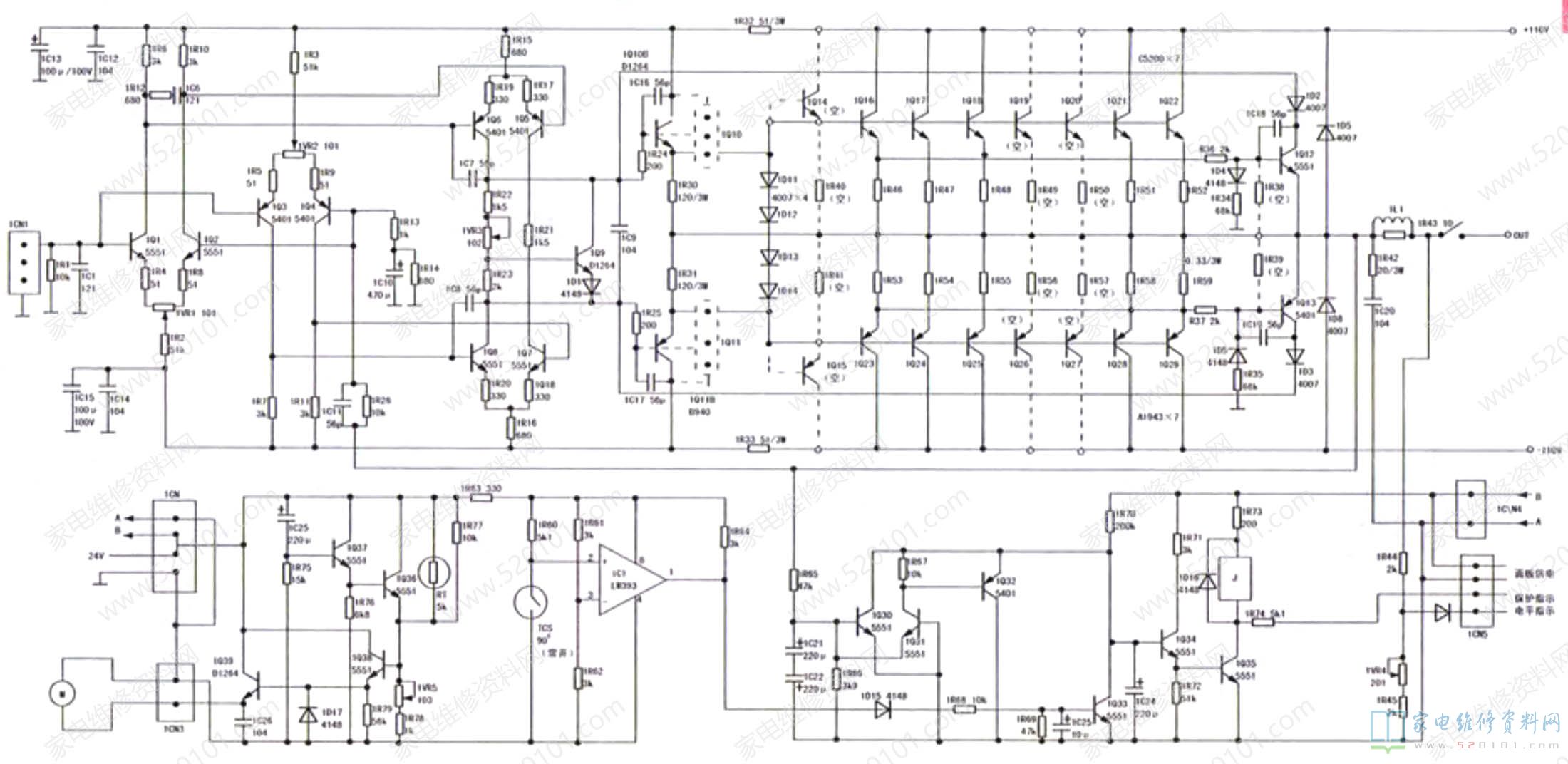
该功放电路原理见图1,图中前置电路和电源电路没有画出,只是一个通道主放大器的电路图。由输入插孔CH1、CH2输入的音频信号经运算放大器放大和音量电位器控制后分别送到两块主功放板ICN1插座,输入的信号经过1R1.1C1滤除超音频信号后提供给由1Q1、1Q2和1Q3、1Q4组成的双差分输入级。在每对差分管两个发射极之间设置有1VR1、1VR2两只可调电阻,可对输出中点进行微量调整,弥补晶体管分散性造成的中点偏移。1Q1、1Q2两集电极之间的IR12、1C6可限制该级放大器的频宽,对超音频信号进行限制。电压放大级也采用差分电路形式。1Q5、1Q6和1Q7、1Q8互为集电极负载,全对称电路提高了前两级的稳定性。1Q9、1D1 组成恒压偏置电路,1Q9固定在散热片上,具有温度补偿功能。此机的偏置电路比一般功放多一只二极管1D1,它的加入将偏置电压下限钳位在0.7V,可防止大动态时1Q9深度导通造成的交越失真。1Q10B、1Q11B是电流放大级,电路板上还预置有并联的1Q10、1Q11插座,可外接并联同样的中功率管,增加推动级的输出电流。该电路板上还有预留的1Q14、1Q15两只大功率推动管的位置,是为千瓦级功放更大的推动电流准备的。该机没有安装这两只管子和发射极电阻1R40、1R41,用跨接线将空位的基极与发射极连接。1C16、1C17与前边的1C7、1C8都是作相位补偿的中和电容,防止高频自激。此机在1Q10B、1Q11B发射极之间增加了1D11~ID14四只二极管,将推动信号限幅在±1.4V之间,防止过激励造成功率管的损坏。1Q12、1Q13 是过流保护电路,当信号过强功率管输出电流过大时,1R46、IR53两只电阻上压降将增大,使1Q12、1Q13导通,通过1D2、1D3将推动级偏置拉低,以减小输出电流。电路板上1R38、1R39两只电阻没有安装,是为增加输出功率后的机型预留的。增加这两只电阻可对取样电压进行分压,减小过流管的反馈量,提高输出功率。此电路板上有7对功率管和发射极功率电阻的位置,该机型没有完全安装。1R42、1C20 构成纯电感负载补偿电路,防止高频信号在电感上的移相所造成的高频自激。IL1、1R43用以滤除超音频杂波。IR26、1C11、1R13、1R14、1C10构成交直流负反馈网络,直流反馈对输出中点进行伺服控制,交流反馈对超高频自激进行抑制。其中IR14在一般功放中是没有的,这里增加此电阻可对直流分量进行分压,减小低频信号时直流分量的反馈,提高整机输出的低频动态范围。为防止输出中点直流漂移对扬声器的冲击,输出中点经保护继电器J的常开触点连接到后面板的输出端子。此机的直流保护电路、过热保护电路和风机控制电路也设置在主电路板上,由电源电路提供的24V通过1CN2(连接1CN4 )给这部分电路供电。开机时24V经1R70向1C24充电,1Q34基极电压由0V开始上升,在此电压没有达到1.4V以前,1Q34不会导通。1Q36没有偏置而处于截止状态,继电器J不能吸合,扬声器与输出端处在断开状态。在延迟几十秒后,当1C24上的电压达到1.4V后随着继电器的吸合扬声器才接入电路。可有效防止oCL电路没达到平衡前输出中点直流电压对扬声器的冲击。1Q30、1Q31、1Q32组成直流检测电路。在输出中点输出正常的交流信号期间,交流信号电压通过1C21、1C22对地短路。只管子都不导通,不影响继电器正常吸合。当主放大电路出现异常,输出中点有超过0.7V的直流正电压时,1Q30就会导通。把1Q34基极拉成0V,继电器就会释放,断开扬声器。当输出中点有-0.7V以上电压时,1Q31的发射极负压等于基极得到正偏置而导通。此时1Q32基极等于接地而导通,同样使继电器释放。1Q33、1IC1 和温度继电器TCS组成过热保护电路。1ICI 是双比较器LM393,电路中只使用一半。正相输入端③脚通过1R61、1R62分压,保持在12V上。温度继电器常态是断开的,常态时反相输入端②脚由IR60提供24V,因此常态时①脚输出是0V,对后边继电器不产生影响。当散热片上温度达到90P时,固定在散热片上的TCS触点闭合,②脚接地为0V,①脚输出成高电平。此电压通过1D15加到1Q33基极,1Q33导通使继电器释放,断开负载停止输出,起到保护机器的功能。
一般功放的散热风机,一种是过热前不工作,过热时才运转;另一种是一开机风机就始终在高速运转。而此机的风机转速是随散热片温度变化而变化的。开机瞬间,1C充电使1Q37饱和导通, 1Q36、1Q38、1Q39都饱和导通,风机全速旋转,提示风机电路正常。随着1C25充电结束,1Q37、1Q36截止。1Q38通过1R77和并联的热敏电阻RT得到上偏置。适当调整1VR5,使风机处于弱转状态。RT是负温度系数的NTC元件,用导热硅脂贴在散热片上。当散热片温度升高时,RT阻值变小,提高了1Q38的基极电压,增加了1Q39的导通程度,提高风机转速。当温度降低后风机又恢复弱转状态,实现风机转速的自动控制。
此机维修方法和实物测量的数据见《图解MBA-1600专业功放维修》,供维修时参考,此机的原理与维修也适用于采用同样电路板的该系列其他机型。

网友评论