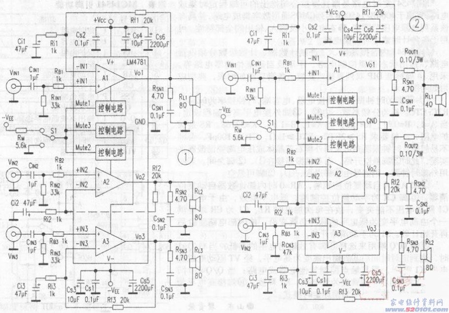
LM4781的电源电压范围非常宽,从±10V~±35V,总静态电源电流约75mA。每个通道在8Ω的负载下,输出功率为35w,总THD+N≤0.5%,信噪比大于93dB。
LM4781有两个非常突出的特点:一个是每个放大器各自带静音控制电路,消除了放大器接通和关断时的开/关噪声,静音衰减达110dB;另一个是内含专门的自动峰值瞬时温度(spide TM)保护电路,有一个最优化的安全工作区(SOA),带有输出过压、欠压、过载、短路和过热关闭等保护功能。
LM4781组成的3×35W功放电路如图1所示,放大器增益由反馈电阻Rf和反相输入电阻Ri决定:Av=1+Rf/Ri=1+20k/1k=21(V/V)。Rf与Ri的选择,应保证10≤Av≤50。Ri和Ci还组成高通滤波器,-3dB点频率fi=1/2πRiCi。输入耦合电容Cin除隔直外,还与Rin形成另一个高通滤波器,-3dB点频率为fi=1/2πRinCin。
利用LM4781中的两个运算放大器,可以组成桥式放大器或并联放大器,图2示出的是并联放大器电路,可用作驱动4Ω的重低音扬声器,第三个放大器A3用作驱动8Ω的高/中频扬声器。并联放大器有较高的输出功率,是第三个放大器A3输出功率的两倍。
也可以利用LM4781中的两个放大器组成桥接负载(BTL)放大器,第三个放大器采用单端(SE)模式,但BTL模式输出功率为SE模式的4倍。
LM4781还可以利用单电源工作,同时每个放大器也可以用作组成反相放大器。

网友评论