1脚:0V——地
2脚:14V——场输出
3脚:27V——场输出电源
4脚:0.8V——场脉冲输入
5脚:-0.2V——回扫启动脉冲输入
6脚:1V——泵电源输出
7脚:27V——电源
AN5534
该电路摘自长虹N2918型彩电
1脚:9V——9V电源输入
2脚:1.2V——场触发脉冲输入
3脚:3.2V——场交流负反馈输入(场幅)
4脚:4V——50/60Hz切换输入,50Hz=H,60Hz=L
5脚:5.4V——场锯齿波形成
6脚:5.0V——场交流负反馈输入(场线性)
7脚:27V——电源
8脚:1.3V——场逆程脉冲输出
9脚:0V——地
10脚:14V——场扫描输出
11脚:27V——泵电源输入
12脚:1.2V——防自激电容
LA7833
LA7833/LA7830是较常见的场扫描输出集成电路,一般用于25及25寸以下的彩电中。
1脚:0V——地
2脚:15V——场输出端
3脚:27V——泵电源输入端
4脚:0.9V——场激励信号输入端
5脚:0.8V——滤波
6脚:27V——电源
7脚:1.4V——外接升压电容
LA7838
(LA7837也可参考此电路,两者的区别仅在于输出电流不同)
1脚:9.2V——VCC1电源
2脚:4.8V——垂直触发输入端
3脚:4.8V——单稳多谐振荡时间常数设定端
4脚:4.8V——场幅控制端
5脚:0.5V——50/60HZ转换场幅稳定控制端(50HZ:L 60HZ:H)
6脚:4.8V——锯齿波电压形成端
7脚:4.6V——场输出交、直流反馈输入端
8脚:24.5V——VCC2电源
9脚:1.9V——泵电源输出端
10脚:1.5V——防自激负反馈输入端
11脚:0V——地
12脚:15V——场扫描输出端
2脚:13V——输出端
3脚:25.5V——电源
4脚:2.6V——反馈输入端
5脚:2.6V——场激励信号输入
6脚:25.3V——电源
7脚:2.1V——泵电源输出
OTL分立
    该OTL分立元件组成的场输出电路,在各种品牌机上有着广泛的应用(一般用在25或25寸以下机器中),尽管电路位号不尽相同,但电路程式是完全相同的,在维修时可作参考。
TA8403
1脚:0V——地
2脚:12.4V——场输出
3脚:25V——场输出级电源
4脚:1.0V——场激励信号输入
5脚:0.6V——相位补偿
6脚:24V——电源
1脚:0V——地
2脚:14V——场输出
3脚:27V——场输出级电源
4脚:1.0V——场激励信号输入
5脚:0.6V——相位补偿
6脚:27V——电源
7脚:1.9V——泵电源输出端
TA8445K
该电路摘自西湖CM2528。
1脚:9V——电源1
2脚:0.2V——场触发脉冲输入端
3脚:1.3V——场幅控制
4脚:L/HV——50/60Hz转换(50Hz=L;60Hz=H)
5脚:3V——外接锯齿波形成电容
6脚:3.2V——负反馈
7脚:25V——电源2
8脚:1.2V——泵电源提升端
9脚:0.8V——滤波器电容
10脚:0V——地
11脚:13V——场输出
12脚:24.6V——电源3 
TDA3654
    TDA3654是一块能驱动多种偏转角系统的场输出电路,驱动电流可达1.5A(P-P),内有过热、过载保护。
    图示为TDA3654与TDA8362配套使用的应用图。TDA8362的(43)脚输出的场锯齿波经R503、R501送到TDA3654的(1)、(3)脚,经放大后从(5)脚输出场锯齿波电流,驱动场偏转。R512、R508为直流反馈,R511为场线性调节,R510为场幅调节,C506为线性校正电容,C507为输出电容。
    TDA3654采用泵电源供电,泵电源从(6)脚输入,V501为整流二极管,C504为泵电容。(9)脚为TDA3654的电源脚,正常工作时为27V。
1脚:2.1V——输入
2脚:0V——地
3脚:1.6V——输入
4脚:0V——地
5脚:13V——场输出
6脚:25V——泵电源
7脚:0V——保护
8脚:8V——逆程脉冲形成
9脚:25V——电源
TDA8351
该电路摘自金星D2933F
1脚:2.4V——正相输入端
2脚:2.4V——反相输入端
3脚:16V——电源1
4脚:8V——输出端(下)
5脚:0V——地
6脚:45V——电源2
7脚:8V——输出端(上)
8脚:0.2V——场基准电流
9脚:8V——反馈输入
TDA8351AQ
TDA8351AQ和TDA8351Q是不同的,两者引脚数不一样,TDA8351Q为9脚,而TDA8351AQ为13脚,不能互换。该电路摘自金星C8602
TDA8351AQ引脚功能:
1脚——正相输入端
2脚——反相输入端
。
3脚——输出A
4脚——16V供电
5脚——反馈
6脚——空
7脚——地
8脚——45V供电
9脚——输出B
10脚——帧逆程脉冲输出
11、112、13脚——空
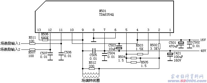
TDA8354Q
该电路摘自金星D2908F
1脚:0.3V——
2脚:7.9V——电流反馈输入
3脚:8.4V——电压变换输入
4脚:16V——电源
5脚:8.4V——电压输出端(下)
6脚:0V——地
7脚:48V——电源
8脚:0V——地
9脚:8.4V——电压输出端(上)
10脚:16V——电源
11脚:1.2V——场推动输入(-)
12脚:1.2V——场推动输入(+)
13脚:2V——补偿电阻输入
upc1378H
    uPC1378H引脚功能:
1脚:0V——地
2脚:12V——场输出
3脚:26V——自举电压输入
4脚:0.8V——场推动信号输入
5脚:0V——外接退耦电容
6脚:26V——电源输入
7脚:1.8V——自举电压输出



网友评论