问1:信号板的作用、特点与电路组成是什么?答:信号板又称主板或主板组件,是液晶电视中信号处理的核心部分,在系统控制电路的作用下,将外接输入信号转换为统一的液晶屏能识别的信号。
早期部分产品由两块板(或三块板)组成,如图1所示,安装有高频调谐器那块板常称作高频板,另一块板称作数字板或解码板;后期产品由于采用全功能大规模集成电路,电路得以简化,多采用一块板结构,如图2所示。
1.信号处理系统的流程相同
输入的TV、AV、YPbPr、PC及HDMI等模拟或数字信号,经信号板处理后将其转换为逻辑板所需的信号格式,常为LVDS格式,早期的部分液晶屏为TTL格式。
2.微处理器对整机的控制相同
输入到微处理器的指令都是通过遥控接收头或键控板输入,微处理器对相关电路的控制指令都通过输出高低电平信号或通过总线控制实现。其中,对电源板的开/待机控制、背光灯驱动板的开/关控制、上屏电压的开/关控制、以及背光亮度模拟调节,均是通过输出高低电平信号实现的;对程序存储器用户存储器音效处理等电路的控制是通过总线控制实现的。
3.供电系统相同
开关电源输出的+12V、+5V等电压送到信号板后,信号板上各低压稳压电路将其转换成3.3V、1.8V等多组电压,供各个IC及相关电路使用。
根据上述特点结合具体电路上看,信号板主要包含模拟音、视频处理,A-D转换及格式变换,系统控制以及供电系统四大部分电路,如图3所示。
近年来,由于芯片集成度越来越高,出现了大量液晶彩电专用的多功能单芯片,将视频解码、视频开/关选择、A-D和D-A变换、隔行-逐行处理、模式变换及系统控制集于一身,如MST9U88L、MST718BU、MST739DU、MT8222、RTD2660等芯片,因此液晶彩电的信号板电路得以简化,主要由模拟音、视频处理,A-D转换、格式变换及系统控制,供电系统三大部分电路组成,如图4所示,以高频调谐器、音效处理块和伴音功放为主构成模拟音、视频处理电路,其工作原理与检修方法与普通彩电相同;以多功能单芯片、程序存储器和用户存储器为主,构成视频解码A-D转换.MCU、信号格式变换等系统控制电路;以多块低压差的DC/DC(直流转直流)转换及稳压IC为主构成供电系统,输出5V、3.3V、1.8V、1.26V等多组电压,为信号板及液晶屏组件供电。
问2:液晶彩电信号板的型号如何识别?答:目前,液晶彩电信号板的型号命名并无统一格式,其命名方法由信号板生产厂家自行命名。一般来说,在信号板正面的空隙处(通常在靠近四边的位置)印有型号与版本号(部分产品没有版本号)。
一款长虹液晶彩电信号板的型号如图5所示,"Ju7.820.357-4”便是该信号板的型号,“V2.0”表示该信号板的版本号为2.0,第二行数字“20070524”表明该印制板的生产时间是2007年5月24日。部分长虹液晶彩电信号板除标有型号、版本号及生产时间外,还标有机芯名称,如图6所示,第一行为信号板型号与版本号,第二行中的"IS15”表明该板为LS15机芯,生产时间是2007年1月26日。
一款海信液晶彩电信号板的型号如图7所示,"RSAG7.820.2247”便是该信号板的型号,“ROH VER.B”表示该信号板的版本号为B。
一款创维液晶彩电信号板的型号如图8所示,“5800 -A8K210-0160便是该信号板的型号。根据该品牌彩电的机型命名规则可知,型号中“8K21"表示该信号板为8K21机芯。
问3:液晶彩电图像信号的处理流程是什么?答:液晶彩电输入的图像信号种类较多,既有模拟信号,如TV、AV和S端子信号(Y/C),隔行色差信号YCbCr,逐行色差信号YPbPr等,还有数字输入信号,如DVI或HDMI等信号。由于各类信号的组成方式不尽相同,所以信号板上应设有相应电路,分别针对各类信号的特点进行变换处理,这一点与CRT高清彩电有相同之处。
在实修中为了便于判断故障,可将,上述信号分为隔行信号(TV、AV、Y/C.YCbCr)、逐行信号(YPbPr、VGA)和数字信号(DVI、HDMI)三大类,每类信号的处理流程如图9所示,即隔行信号要先经视频解码,再A/D变换成数字视频看,部分液晶彩电(尤其是较早期产品)的视频处理电路(图9中虚线框内所示电路)由一块集成电路及其外围电路来完成,图像缩放电路由另一块集成电路及其外围电路来完成,例如创维8TT6系列机芯液晶彩电,TVP5147为视频处理电路,TSU66A为图像缩放处理电路,如图10所示,其图像信号流程如图11所示。

提示:对于视频解码电路相对独立的液晶彩电而言,若出现图像异常故障,实修时可通过输入TV、AV及VGA信号,观察各个状态的图像情况,从而快速判断出故障部位,如TV图像异常,但AV及VGA图像正常,则故障在高频调谐器或中放电路;若TV,AV图像异常,但VGA图像正常,则故障在视频解码电路,这两类故障的后续检修方法与普通彩电相同。

近年来,许多液晶彩电采用了单芯片方案,即视频解码电路与图像缩放电路由一块集成电路及其外围元件组成,其图像信号流程参见图4,例如在长虹LS15机芯中,,用单芯片MST718BU,如图12所示。MST718BU的内部电路框图如图13所示。

TV、AV及S端子输入的γ信号进人MST718BU后,首先进行切换,切换后和S端子色度信号-一起送入AFE(视频模拟前端处理)电路,再经视频解码、2D梳状滤波分离出Y/C信号,然后进人色度解码电路解调出RGB基色信号送人MUX (数据选择器或多路开关)电路。输入的高清YPbPr信号和RGB基色信号进入MST718BU,经模数转换后也送人MUX电路。经MUX切换后的基色信号由CSC (色度空间转换)电路处理后,再经图像实时缩放、MACE (混合处理)、3D色度空间转换、屏显菜单形成及Gamma(伽马)校正等电路处理,最终形成包含RGB基色信号行场同步信号、时钟信号和使能信号的TTL信号提供给液晶显示屏。如果液晶显示屏需要的是LVDS低压差分信号,通过软件设置可由内部相应电路将TTL信号通过编码转换成LVDS信号。整个图像信号的处理过程都在MST718BU内部微处理器(MCU)的控制下实现的。
问4:信号板上的控制系统的组成与正常工作条件是什么?答:液晶彩电的控制主要由MCU(微控制器)、程序存储器(FLASH)、用户存储器及按键、遥控等电路组成,如图14所示,与常见的CRT彩电控制系统基本相同,仅多出一个程序存储器,这是因为液晶彩电图像信号的后端处理具体方式需与液晶屏对应,则需预先烧录人相应的运行程序,故称之为程序存储器。与CRT彩电一样,控制系统要正常工作必须满足以下工作条件:
1.MCU与程序存储器(FLASH)、用户存储器的供电正常
MCU供电电压通常是多组(有别于CRT彩电),常见为+2.5V、+3.3V和+5V;程序存储器和用户存储器的供电多为3.3V,上述工作电压均来自开关电源的待机电源5V,例如长虹LS15机芯控制系统的供电如图15所示。
2.时钟电路正常
MCU所需基准频率都由时钟电路分频得到。时钟电路由晶体振荡器(简称晶振)与移相电容组成,如图16所示。移相电容为数十皮法的瓷片电容,与晶振引脚串联,可使晶振可靠起振,并确保晶振频率的稳定性。另外,在单芯片方案电路中,时钟电路所产生的振荡信号还送往视频解码器,以便准确地解调出色差信号,若振荡信号频率异常,会造成彩色不正常,甚至无彩色。

3.MCU复位电压正常
在液晶彩电中,大多数芯片有多个复位端,且无外部复位电路,其复位电位设在IC内部,这也有别于CRT彩电。例如单芯片MST718BU有两组共5个复位引脚,其中42脚(FB1)、39脚(FB2)为外部复位引脚,外接分压电路,当42、39脚的电压低于1.2V时,芯片将进行复位动作;44脚(Powergood)、68脚(Power_on RStm)和72脚(Reset)为内部复位引脚,靠内部产生的复位信号给芯片其他模块提供复位。若上述任一路复位不成功,均会引起二次不开机故障。
4.总线及外接存储器正常
总线上常接有用户存储器、程序存储器PC存储器及音效处理块、高频调谐器等器件,如图17所示,若任一路总线出现短路现象,均会导致不开机故障。

实修时,可通过观察指示灯来大致判断故障部位:若指示灯不亮,应检查MCU工作电压;若二次开机后指示灯颜色不变化,说明MCU没有从程序存储器和用户存储器中读取到相应的数据,应对串行数据总线进行检查;若指示灯不停地闪烁,说明MCU复位不成功,应检查复位电路。
提示:用户存储器是存储用户关机前的使用信息,如频道、音量、亮度、对比度、色度等,以便下次开机能迅速读出上次的使用状态,具有记忆功能;程序存储器是外置FLASH存储器,存放整机的主控制程序,需提前写入,能实现软件烧录,软件升级及正常使用;PC存储器是存储该机作为PC显示器时VGA接口支持的各种信号格式等各种信息,供显卡读取并输出相对应的信号格式,主要存储数据有:表头、制造商标识、产品标识、EDID版本、显示器基本参数和特征参数、图像最大尺寸、显示器传输特性(Gamma值)、显示器特性参数、彩色特性参数等参量。
问5:如何快速判断信号板上的控制系统是否正常?答:在实际维修中,判断信号板上的控制系统是否正常的常用方法是:按遥控器或本机面板上的开/待机键后,看信号板能否进人二次开机状态。无论二次开机后有无图像或图像是否正常,只要信号板上的相关测试点具有以下二次开机特点,就表明控制系统已进入了正常的工作状态:
1.信号板发出开关电源的开/关指令,即MCU的POWERON/OFF端在二次开机后电平反转,其测试端为信号板与电源板相连插座的开/关机端,或开/待机控制三极管的c极电压,如图18、19 所示;
2. MCU给出上屏(ON PAN-EL)指令,此时,上屏电压控制电路处于接通状态,输出正常的上屏电压到逻辑板,其测试点常选在信号板的上屏线插座或逻辑板的VCC端处,如图20所示;3.MCU发出“背光开”指令(BACK ON)送往背光灯驱动板,其测试端为信号板与背光灯驱动板相连插座的开/关机端,如图21所示。
问6:液晶彩电与CRT彩电信号板的主要异同之处有哪些?答:从外观上看,液晶彩电信号板并无大个头的变压器、散热器等元件,取而代之的是多引脚的集成电路和贴片元件,这主要原因是液晶彩电信号板上没有高电压或大电流的行、场扫描电路,器件易实现集成化与小型化。
从电路组成来看,液晶彩电信号板与CRT彩电信号板的图像信号前级处理电路(高放、中放、解码等)、伴音信号处理电路基本相同,尤其是与CRT高清彩电相比,区别主要集中在图像信号的后级处理电路中:液晶彩电是对前级送来的图像信号进行缩放和格式转换处理,输出LVDS或TTL信号送往逻辑板;而CRT彩电是对前级送来的图像信号进行预视放处理,输出RGB三基色信号送往视放板。
从其他单元电路来看,液晶彩电信号板与CRT彩电信号板主要存在以下几点不同:
1、33V调谐电压形成电路
在液晶彩电中,开关电源输出电压一-般为+5V、+12V和+24V,均低于高频头所需的调谐电压(+33V),若将+24V电压用作调谐电压,则会出现各频段部分台搜不到的现象,因此需设有一个升压电路,将+12V或+24V升至+33V,其工作原理分析见“问7”。
2、供电系统由于液晶彩电信号板上各单元电路所需的工作电压不完全相同,且电压值较多,并且也存在受不受开/待机控制的问题,因此液晶彩电信号板的供电系统较CRT彩电复杂,常输出+5V、+3.3V、+1.8V 等电压,供给相应电路。
3、总线转换电路
在液晶彩电的信号板电路中,CPU的供电电压通常为3.3V,甚至更低,这就意味着CPU的总线电路电压最大为3.3V,而一般的频率合成式总线高频头以及部分需总线控制的集成电路(如音效处理块)的工作电压为+5V,所需的总线电压为5V。因此,上述二者的总线不能直接接在一起,否则会导致CPU工作异常。要实现3.3V总线对5V总线的控制,则需要接入总线转换电路,如图22所示,以实现CPU与高频头、音效块之间总线电压的匹配,具体工作原理见“问8”。
4、存储器电路
在CRT彩电中,大量采用rC总线接口型EPROM存储器,如常用的24系列PCF85系列、93系列,这类存储器在彩电中主要用于存储以下三类数据:(1)用户数据,如各套节目所在的波段、调谐电压,亮度、对比度、色度等模拟量的数据;(2 )质量控制数据,如几何失真调整数据、白平衡数据;(3)项目选择数据,如功能或模式选择。根据存储器所存数据内容,常将该类存储器统称为用户存储器。另外,在CRT高清彩电中,还有一类存储器,其作用是与主芯片配合,存入与读出数据,以完成图像信号隔行到逐行的变换,这类存储器常称为帧存储器,如图23所示。
在液晶彩电中,除了有上述用户存储器和帧存储器外( 部分信号处理芯片已将帧存储器集成在IC内部,外围无专用的帧存储器),一般还安装有程序存储器(存储液晶彩电启动和运行时所需的程序数据)和PC存储器(存储该机作为PC显示器时vGA接口支持的各种信号格式等各种信息,供显卡读取并输出相对应的信号格式)。有关程序存储器的具体作用与特点见“问9"。
另外,在接口和功能较多的液晶彩电中,尤其是具有多媒体解码和网络功能的液晶彩电中,由于启动和运行的程序数据量较大,还设有引导存储器(Mboot FLASH)、主程序存储器(NAND FLASH) 和HDMI(高清数字接口标准,它可以提供很高的带宽,无损地传输数字视频和音频信号)的HDCP(高带宽数字内容保护技术)存储器,如图24所示。

该机Mbootflash采用32Mbit的串行外设接口(SPI)Flash,存放着系统的引导程序及部分系统、用户数据。系统上电后,首先通过Mboot引导启动,在完成启动后Mboot再启动系统主程序(存放在NAND Flash中)。NAND Flash 为快闪记忆存储器,以储存数据为主,主要用于存储系统的主程序,又称为DataFlash,其容量一般为1Gbit~2Gbit。
HDMI的HDCP存储器多采用常见的24C系列EPROM,主要存储版权保护协议数据,而HDMI的EDID(扩展显示标识数据,包含有关显示器及其性能的参数、供应商信息、图像最大尺寸、颜色设置、厂商预设置、频率范围的限制以及显示器名和序列号的字符串)内置于主程序存储器中,即存储在NAND Flash中。
[提示]只要引导存储器(MbootFlash)和NAND Flash存储器中任何一个有故障,就会导致整机无法启
5、部分液晶彩电设有待机控制CPU
部分液晶彩电(常标注有“节能”字样)为了降低待机时的整机功耗,以达到国际节能标准(不大于3W),在待机控制上没有采取传统的控制方式,而是专设有一只待机控制CPU,俗称小CPU。该CPU仅在待机状态时起作用,接收按键与遥控信号,一旦电视启动后,整机的控制权将转交给主CPU。这类待机控制CPU引脚较少,外围电路简单,多采用PIC单片机,如8只引脚封装的PIC2F675。
问7:液晶彩电调谐电压形成电路的工作原理是什么?答:液晶彩电的调谐电压形成电路实质是升压电路,目前主要有倍压升压与开关升压两种方式,下面分别进行介绍。
1、倍压升压方式
长虹LS15机芯的调谐升压电路如图25所示,实质是一个降压电路与一个升压电路的组合。AP3003S(U3)为可调降压型开关稳压源,可以与LM2596-ADJ、LM1796-ADJ直接互换。

在本机芯彩电中,+24V电压从U3的①脚输人,进入IC内部后分两路:一路加到内部开关管的c极,另一路加给启动控制电路,使开关管导通,经U3降压后从②脚输出电压经电感L1、电容CE11滤波后向负载提供电能,同时部分电能存储在L1中,当开关管截止时,L1将存储的能量继续向负载释放,经二极管D5形成放电回路,因此L1被称为续流电感,D5被称为续流二极管。若L1短路或电感量大幅减小,则该稳压电路就成了普通的串联稳压电源,输出电压将大幅降低。
U3的④脚为取样输入端,外接分压电阻R13.R16,其分压值(即④脚的电压)决定②脚输出电压的高低。在本机芯中,④脚电压为1.0V,则降压后②脚的输出电压为+12V。U3的⑤脚为开/关机控制端,当呈低电平时,该IC的②脚才输出电压。
倍压升压电路的原理是利用电容两端的电压不能突变这一-性质,在电容与地之间得到一个叠加了脉冲的电压,整流管将该电压整流,再经电容滤波后获得所需的电压。倍压电路输出电压的高低由倍压的级数、输人电压的高低以及倍压电容的充电时间决定。
当U3内部的开关管截止时,+24V直流电压经D6、D8中①、③脚间的二极管和C34向CE11 充电,由于CE11的容量远大于C34的容量,则在C34两端很快得到一电压,其值接近输,人电压24V。当U3内部的开关管导通时,其②脚输出电压的峰值幅度为24V,加到C34的另一端,由于电容两端的电压不能突变,此时C34-端(A点)对地电压为24V,另一端(B点)对地电压接近48V(即C34两端电压仍为24V)。
48V电压经D6、D8中②、③脚间的二极管整流后加到C40一端(C点),由于此时C40两端存在24V的电位差,则C40起滤波作用,并在C40.上获得近似2倍输入电压的直流电压(48V),最后经R26限流、D7稳压.C39滤波后输出33V电压,送给高频调谐器U8。
综上所述,该机倍压整流电路主要由二极管D6、D8及电容C34组成,如图26所示,48V为该倍压电路的最高输出电压值。U3内部开关管的导通时间决定了倍压电容的充电时间,即倍压电路输出电压的高低,当其不带负载或负载比较轻时,开关管导通时间将缩短,通过C34给C40的充电时间缩短,输出电压下将,实测约为40V。

2.开关升压方式
该升压方式与CRT彩显的二次升压电源工作原理相同,主要由升压电感L、升压二极管D及开关管等元件组成,如图27所示,当Q导通时,L储能;当Q截止时,L上的感应电压与输入电压叠加,经过D给电容C充电,则C两端的电压高于输人电压。

[提示]调谐电压形成电路无论采用哪种方式,均需给升压电路送入方波脉冲,且输出电压的高低由脉冲的占空比决定,而脉冲的产生也主要有两种方式:一是由单独设计的振荡电路产生,二是由CPU产生,通过一个端口输出。
问8:总线电平转换电路的作用与工作原理是什么?答:下面以长虹LS15机芯为例,对总线电平转换电路的工作原理进行说明。长虹L15机芯总线转换电路如图28所示,U11(MST718BU)内部的CPU从58、59脚输出总线电压,一路与用户存储器 U13(24LC32)相连,另一路分别经场效应管Q11、Q15后,与高频调谐器U8(TM14-C2211RW)和音效处理块U9(NJ]M1142)相接。

待机时,U11的58、59脚输出的总线电压约为2.12V,由于Q11和Q15的内部接有二极管,加之其漏极此时没有供电电压5V-IF,则二极管正偏导通,所以待机时Q11.Q15的漏极电压约为1.85V。二次开机后,相关电路输出5V-IF电压,Q11和Q15漏极得到5V电压而导通(内部的二极管反偏截止),其漏极电压会随源极电压的变化而变化,相当于把总线数据从源极传递到了漏极,即U11通过Q11.Q15将指令信息传给U8,U9,实现对高频头和音效IC的控制,从而实现将总线电压3.3V转变成5.0V的目的。
[提示]当U8或U9的总线电路出故障时,会引起总线电压下降,使U11的总线电压低于1.0V,这样将会影响U11与U13之间的通讯,表现为指示灯成黄色,不接受任何操作指令,或不开机,或自动慢开机。
问9:程序存储器的作用与特点是什么?答:程序存储器又称FLASH存储器,用于存储整机控制程序,实质为串行内存芯片,现在多采用8脚贴片封装的IC,常见型号有PS25LV020 .PM25VFO40.MX25L1605等,如图29所示。
程序存储器中存有机器正常工作时需要的所有程序,其程序数据不仅包括遥控码的识别输人信号的种类,还包括决定解码芯片内部缩放电路的工作模式数据,使之输出的信号与所用的液晶屏相匹配。所谓对机器进行升级或给通用主板写程序,实质就是更新这个存储器中的数据。在液晶彩电中,程序存储器(FLASH)与用户存储器(通常为24CXX系列)相比,其显著特点是程序存储器与CPU的连接端较多,一般为5个,如图30所示:FLASH的片选操作端①脚(CZ),受CPU输出的SPIL CZ信号控制;FLASH的写操作端③脚(WP),受CPU输出的WP-FSH信号控制;FLASH的数据输出端②脚(so), 接CPU的sPI-DO端;FLASH的数据输入端⑤脚(SI), 接CPU的SPI-DI端;FLASH的时钟信号输入端⑥脚(SCK),接CPU的SPI-CK端。

长虹LS15机芯的FLASH存储器电路如图31所示。
MST718BU所运行的程序存储在外置串行闪存芯片PS25LV020内。PS25LV020 是一块2Mbit的串行FLASH,供电电压在2.7V~3.6V之间,软件保护设置为只读模式,硬件通过WP脚可设置写保护,其引脚功能与电压见表1。
MST718BU是通过一个四位串行总线与PS25LV020进行数据读取的。主芯片U11 52~55脚的串行数据信号经排阻RP17与外挂FlASh存储器U13 ①~②、⑤~⑥脚进行通讯。
开机后,CPU从U12中读出控制程序,只有正常读取了U12 的相关数据,CPU才能正常二次开机。U12由3.3V电压供给,若无正常的工作电压或CPU与FLAH存储器交换的任一-路串行数据线不正常,均不能读取程序从而引起二次不开机,指示灯星黄色。当程序读取正常时,可在RP3排阻上测到数据波形。
[提示]对液晶电视而言,若程序存储器出现故障,是不能二次开机的;用来存储操作信息(如亮、色、对比度等模拟量和节目信息)的用户存储器不良时,一般不会出现不开机现象,多数情况下会产生宇符菜单显示异常或图暗、无彩色、无声音等故障。
问10: 常见的直流电压变换(DC-DC)集成块的特点是什么,如何代换?答:液晶彩电信号板所需的5V、3.3V、2.5V、1.8V等直流电压,通常由多块DC-DC转换集成块得到,如图32所示。从DC-DC转换块的外形看,主要分两大类:一是有3只引脚的三端低压差稳压块,如常见的1117系列、1084系列,另一类是内含PWM调控电路或同步整流电路的芯片,引脚较多,如LM2596、MP1482、AP1513等,下面分别举例介绍。
1.1117系列
1117系列稳压块的型号较多,如AZ1117 、AMS1117、LM1117等。这是一款最常用的低压差降压集成块,其实物如图33所示,①脚为ADJ(调节)端,②脚为oUT(输出)端,③脚为IN(输入端),散热片与②脚直通,即散热片也是输出脚。

在1117系列稳压块中,有一类型号后标有输出电压,如“1117-33”,即表示输出电压为3.3V。这类稳压块的外围电路很简单,接上滤波电容即可,如某款液晶彩电DDR存储器的3.3V供电由AMS1117-33提供,如图34所示。

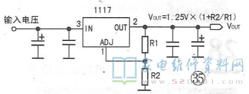
还有一类1117系列稳压块没有标注输出电压值,则其输出电压由①脚外接的分压电阻比值决定,如图35所示。通常情况下,输出电压=1.25VX(1+R2/R1),R1为①脚对输出端电阻,R2为①脚对地电阻。只要合理选择R1.R2的值,即可输出所需的电压值,但输入电压至少应高于输出电压1V,例如某款液晶彩电主芯片内部MCU的1.8V供电由LM1117 提供,如图36所示,其①脚外接分压电阻R18R19。

2.1084系列
1084系列稳压块体积较大,如图37所示,是一款常用的低压差降压大电流输出集成块,最大输出电流为5A,其引脚功能与1117系列相同,同样也有标注输出电压与未标输出电压两大类,对于标有电压者,其输出电压就是标注值,如图38所示;对于未标输出电压者(型号后面常标有“ADJ"字样),其输出电压由①脚外接的分压电阻比值决定,如图39所示。

[提示]在实际维修中,同系列不标输出电压值的和标注输出电压值的可以代换,但应改动①脚外围电路;在输出电压相同的情况下,1084系列可以代换1117系列,但1117系列不能代换1084系列,因1084系列的输出功率大于1117系列。
3.同步降压稳压器MP1482
MP1482是一种单片同步降压稳压器,采用8引脚sOIC封装,宽电压输入(4.75V~18V), 输出电压可调(0.923V~15V),并能提供2A的连续负载电流,其引脚功能见表2。

在液晶彩电中,该IC常用于单芯片内核MCU的DC-DC变换电路中,例如在采用MST6M16方案的一款液晶彩电,MST6M16芯片内核MCU的1.26V供电电路如图40所示。

4.2A PWM降压块AP1513
AP1513是一款PWM控制的降压开关稳压器,如图41所示。该IC内置P沟道MOS管、参考电压源、振荡电路、误差放大器和软启动电路,振荡频率为300kHz,占空比在0~100%内可调,输入电压为3.6V~18V,最低输出电压为0.8V,最大输出电流为2A,其引脚功能见表3,应用电路如图42所示。

为便于维修时代换,特附上液晶彩电中常见DC-DC块的主要参数及代换型号,见表4。

问11:何为液晶彩电软件升级?答:液晶彩电软件升级的目的是为了弥补生产时软件设计的不足,或解决某些硬件引发的故障,其方法是通过专用设备(常称写程器或升级工具)给程序存储器写入对应的程序,这个过程也就是常说的软件升级。
由于不同品牌不同机芯的液晶彩电软件设计不尽相同,则软件存在缺陷时所表现的故障现象也千差万别,如部分台收不到、部分台无彩色、部分台有杂音或输人某些信号源时图像异常等。一般来说,这类因软件问题而出现的故障,厂家一般会以技改方案的名义要求售后维修人员进行处理。因此,在实际维修中,应注重收集厂家的技改方案资料,这样可以快速地判断该类机芯的哪些故障需通过软件升级来解决,从而避免维修走弯路。
就软件升级操作而言,不同芯片方案的信号板,其升级方法一般也不相同,但升级时均需具备以下条件:
1.升级工具及相应的连接线
用于液晶彩电软件升级的工具很多,有采用总线方式(SDA、sCL)传输数据的,如图43所示,有采用半双工方式(RXD、TD)传输数据的,如图44所示。

从电脑主机与升级工具相连的接口来看,主要有USB接口、25针打印机接口及9针RS232串口;从信号板与升级工具相连的接口来看,主要有专用升级插座VGA插座耳机插座等,因此在升级时还需准备相对应的连接线,例如:海信REALTEK机芯液晶彩电的升级线的连接关系如图45所示,将升级工具上15针插头中的GND、TXD、RXD端子与电视机耳机插头的GND、TXD、RXD端对应连接起来;用于海信MTK537x .538x系列机芯液晶彩电的升级线的连接关系如图46所示,将升级工具上9针插头中的GND TXD RXD端子与电视VGA插头中的GND、TXD、RXD端对应连接起来。

值得一提的是,现有部分机芯液晶彩电无需升级工具,而是将存有升级程序的u盘插在电视的USB的接口上,电视便可自动检测到升级文件,并按相应操作即可完成升级,如图47所示。

2.烧写程序
这里所说的烧写程序是指向程序存储器中所写人的数据,该程序文件通常是二进制或十六进制的,如图48所示,其中后缀名为“bin"的为二进制文件, "hex"为十六进制的文件。值得注意的是,升级时一定要选用对应机型相应故障的烧写程序进行烧写,否则会导致新的故障。

3.程序烧写方法
在升级操作时,除具备以上两点外,还需掌握此机的程序烧写方法(包括相关电路板的连线及升级工具的驱动程序安装等),只有这样,才能成功地向程序存储器写人数据。由于不同方案芯片的程序烧写方法不尽相同,因此在升级操作前应参阅相关资料,熟悉不同机芯彩电升级的相关连线、驱动程序的安装及烧写步骤。
[提示]由于在设计电视机时不能完全预见电视的实际使用环境,从而会导致电视在某些环境中工作异常,例如某些地方有线电视信号不标准,电视机会出现无伴音、无彩色等故障,这时可通过软件升级来解决。另外,当配用不同型号的液晶屏时,或想在不改变硬件的情况下增减电视的某些功能,也可通过软件升级来解决。所谓软件升级就是电脑主机(PC)通过专用的接口电路将bin或hex格式的数据在线写入到电视机中Flash(存放程序文件的存储器,常称闪存)中。接口电路就是负责建立PC与电视机MCU之间的硬件连接关系,常称升级工具或升级工装。
液晶电视程序升级通常有两种方法,一是通过相应的升级平台和升级工具将数据在线写入Flash,二是将Flash拆下来,直接用编程器将程序文件烧录进去。目前,液晶电视机MCU接口电路主要有RS232、TTL和IIC总线三种,所以在线写入的具体操作方法也各不相同。
问12:同型号信号板是否可以直接互换?答:一般来说,同一机芯的液晶彩电所用的信号板型号是相同的,但这一型号的信号板可能配接不同品牌、不同尺寸的液晶屏,由于信号板上程序存储器中存储的程序需与液晶屏对应,这样才能正常显示图像,因此同型号信号板上程序存储器中存储的数据可能不同,为了区分这种情况,许多厂家会在存储器或电路板的空隙处贴上程序编号标签,如图49所示,表明该机的程序编号为“26F8"”。

若两块信号板的型号与程序编号完全相同,则可直接互换;若两块信号板型号相同,但程序编号不相同,这时两者不能直接互换,应先对比两块板的屏供电电路、上屏线接口电路及屏地址电阻设置情况,若不相同,则需更改代换板上的相关元器件,使之与原信号板一致,再给代换板写入该液晶屏对应的驱动程序(这一过程常称为程序升级),或进人维修模式重新预置屏参数。
值得一提的是,在更换同型号信号板时,一定要仔细查看屏供电电路,尤其是相关的跳线设置,若代换板的上屏电压与液晶屏不对应,一定要先调整相关元件,以保证上屏电压对应,且不可贸然试机,以防损坏液晶屏。
[提示]更换同型号信号板时,在屏供电电路、上屏线接口电路及屏地址电阻设置相同的情况下,且原信号板程序存储器正常时,可将原信号板的程序存储器换到代换板上,这样就可免去程序升级或进入维修模式的操作。
网友评论