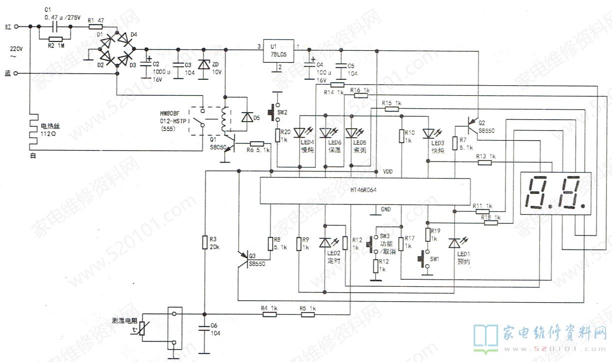
接修一台天际牌DDG-30MT电炖锅,按机器的轻触键,所有功能指示灯及LED显示屏均能正常显示,但发热盘不发热。按轻触键使电炖锅处于运行状态,测发热盘电热丝两端(红线和白线)间电压为0V。该机电热丝通/断是由三极管Q1和继电器HM808F控制,如图1所示。
测得Q1的b极电压为0.6V,c极电压为0V,说明CPU输出高电平使Q1饱和导通,但继电器没有吸合,此时测继电器线圈两端电压为3.8V,远低于正常电压10V。继电器线圈的电压取自稳压二极管ZD两端,待机时测得ZD两端电压升至75V,说明问题在阻容降压电路中。取下C1测量,其容量已由0.47uF降为0.15uF,将其换新后再开机,故障排除,此时测得ZD两端电压稳定在10V。
出于体积限制或者成本考虑,不少低功耗小电流电路采用阻容降压电路供电,电路的最大输出电流由降压电容的容抗决定。如果降压电容容量减小,导致供给负载的最大工作电流变小,从而引起负载工作异常,这点值得注意。

网友评论