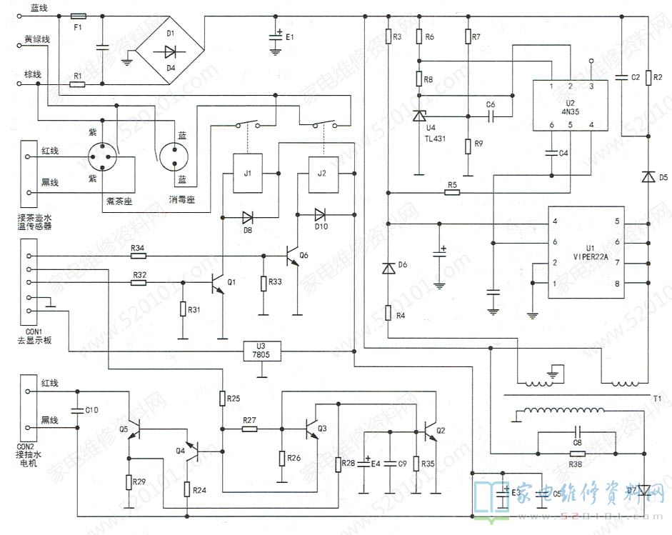
接修一台金灶T300电热茶艺炉,接通电源后开机,数码管显示正常,加热、消毒也正常,蜂鸣器也响,但是加水泵不受控制,一直处于抽水状态。开机后数码管显示,加热、消毒都正常,这说明其交流开关电源电路、加热与消毒控制电路都正常,判断故障在抽水控制电路中。该机电源板电路如图1所示。拆开后盖,目测电路板上没有元件烧黑异常现象,接着测量抽水泵控制三极管Q2~Q5,发现Q5的c、e极短路,找来一只同型号(D882)三极管换上后,故障排除。
接修一台金灶T300电热茶艺炉,接通电源后开机,数码管显示正常,加热、消毒也正常,蜂鸣器也响,但是加水泵不受控制,一直处于抽水状态。开机后数码管显示,加热、消毒都正常,这说明其交流开关电源电路、加热与消毒控制电路都正常,判断故障在抽水控制电路中。该机电源板电路如图1所示。拆开后盖,目测电路板上没有元件烧黑异常现象,接着测量抽水泵控制三极管Q2~Q5,发现Q5的c、e极短路,找来一只同型号(D882)三极管换上后,故障排除。
网友评论