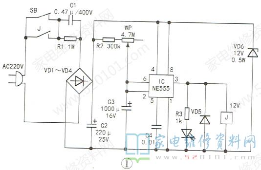
一台台全关断型电子定时器,按下启动按钮SB,指示灯LED亮一下就灭,再按就不亮了。分析检修;该定时器电路如图1所示。在路测量NE555的各脚对地电阻(见表1),发现③脚阻值只有0.4kΩ,焊下IC进行非在路测量(见表2),③脚正、反向电阻分别为25kΩ、7kΩ,正常。分析认为,因③脚与继电器J并联,而」线圈电阻为400Ω,所以IC应该是好的,将其焊回电路。

       检查整流滤波后的电压,测12V稳压管VD6两端电压为0V;断电,测VD6正、反向电阻均为0Ω,说明VD6损坏。换新后通电,指示灯仍不亮;再测VD6两端电压又是0V,检查VD6再次损坏,发现电容C4有一脚虚焊。C4一端接NE555的⑤脚,为电压控制端,C4一脚虚焊后电压失控,VD6因电压升高而损坏。正常情况下,按下SB,电源通过R2、WP向C3 充电,由于C3上电压不能突变,NE555的②、⑥脚为低电平,③脚输出高电平J接通,指示灯LED亮;现在LED不亮,说明C3正极(即NE555的②、⑥脚)是高电平、③脚为低电平,C3未起作用。测量发现C3一脚虚焊,将其焊牢,插上电源,按SB,指示灯LED亮,并能保持,但当定时快结束时,指示灯闪亮不灭,这表明继电器有问题,换新后故障排除。