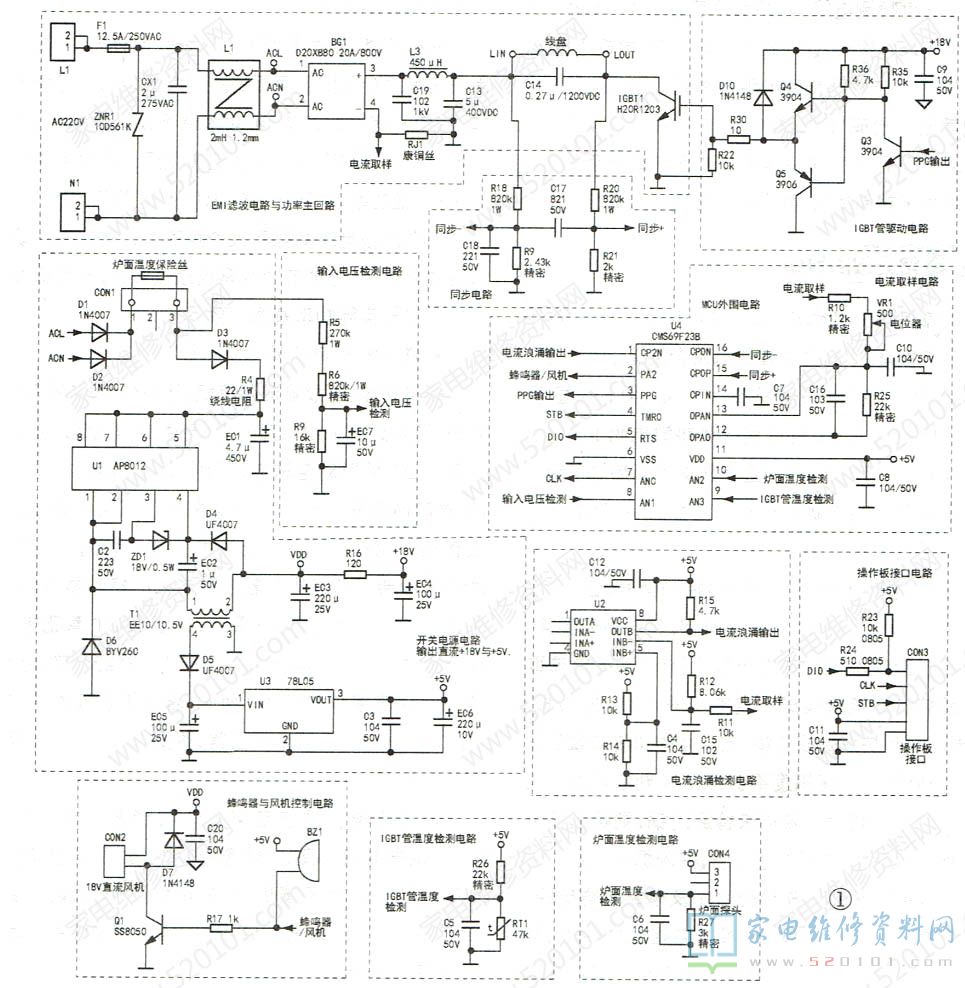
海尔C21-B系列电磁炉是海尔公司2016年底推出的新品,主要型号有C21-B2117、C21-B2118、C21-B2126等机型。这些机型的主板电路相同,如图1所示,区别在于按键与面板电路。

一、主板电路简析

       U1 (AP8012)、ZD1、T1 等元件构成开关电源电路,输出+18V和+5V两组直流电压,其中,+18V电压供风扇电机、蜂鸣器和IGBT管驱动电路;+5V电压供给单片机(MCU,U4 )和温度检测电路。

       R5、R6和R9是市电电压检测电阻,R9两端的电压送给U4的⑧脚。当市电电压高于275V或低于100V时,CPU停止输出IGBT驱动脉冲(PPG),这时蜂鸣器响一声,数码管显示代码"E2"(高压保护)若“E1”(低压保护);当市电电压低于270V或高于115V时,电磁炉恢复原状态工作。

       U2、C4、C13、R14等元件构成电流浪涌检测电路。康铜丝RJ1及C10、R10、VR1等元件构成功率调整电路。R18~R21、C18等元件构成同步电路。三极管Q3~Q5,电阻R35.R36和二极管D10构成IGBT管驱动电路,以实现IGBT管的快速导通和截R26、C5、RTI构成IGBT管温度检测电路,当IGBT管表面温度超过789C时,电磁炉关闭功率输出,以防止IGBT管过热损坏。若RT1开路或短路,则开机后数码管显示代码"E3"。

       R27、C6 与插座CON4所连的炉面热敏电阻构成炉面温度检测电路,当炉面温度超过200°C时,电磁炉关闭功率输出,这时蜂鸣器响一声,数码管显示代码“E6”。若炉面热敏电阻开路或短路,则开机后数码管显示代码“E5”;若电磁炉加热6分钟后,炉面温度仍低于40°C,则U4判定炉面热敏电阻失效,电磁炉关闭功率输出,数码管闪烁显示代码"E4"”。

二、常见故障检修

        故障现象1:开机后,面板显示故障代码。分析检修:本机的故障代码及含义见上述分析。若显示"E1”或“E2" ,则检查R5、R6、R9;若显示“E3",则检查IGBT管温度检测热敏电阻RT1;若显示"E4"、“E5"或“E6" ,则重点检查炉面热敏电阻。

        故障现象2:开机后检锅不成功,数码管显示“”,并闪烁。分析故障:检锅时,U4输出控制信号,让IGBT管每3s导通一次,如果炉面上有锅,且电路无异常,此时通过康铜丝RJ1的电流较大(约10A),电流取样电路将此电流转换成直流电压送给U4的⑧脚,U4据此判断炉面上放有锅。若U4的B脚未收到此电压,或收到的电压幅度不够,则U4判断炉面上无锅,重复3次检锅后,若仍未检测到锅,则机器回到待机状态,数码管显示"_ _ _ _ ”,并闪烁。实修此故障时,先检查RJ1及电流取样电路,然后检查同步电路中的1W精密电阻R18~R21,再检查驱动电路中的Q3~Q5.D10等元件,最后代换U4。

       故障现象3:开机后,加热功率可调且显示正常,但不加热。分析检修:加热功率可调且显示正常,这说明开关电源及MCU控制电路基本正常,故障原因通常是U4的⑨脚检测到错误的电压信号,或者U4的⑨脚内部IO口损坏,误以为IGBT管的温度已达到了保护温度,电磁炉进入保护状态,从而出现有功率显示而无功率输出的现象。实修时,先检测或代换RT1 ,然后检查R26、C5,最后代换U4。

       故障现象4:加热功率调节异常(面板显示的功率与实际功率不符)。分析检修:若功率调不小俗称“火力大”),其原因通常是线盘与陶瓷面板的距离太近,这时可增加垫片,使两者距离合适;若功率调不大(火力小),其原因一是线盘与陶瓷面板的距离太远,这时可减少垫片;二是功率调节电位器VR(500Ω)损坏。在调节线盘与陶瓷面板的距离时,建议串入功率表或电流表,边调节边观察仪表读数,直至面板显示的功率与实际功率基本一致。

       故障现象5:保险管容断。分析检修:此故障俗称爆机,损坏的元件除保险管外,通常还有IGBT管击穿、全桥BG1短路,甚至还有IGBT管驱动电路中某元件损坏,或者CPU的10端口损坏等。实修时,可先将数字万用表置于二极管挡,用红、黑表笔分别接IGBT管的G、e极(IGBT管两侧的引脚),若万用表中的蜂鸣器鸣叫,则说明IGBT管已损坏;否则,说明IGBT管正常。对于全桥的检查,同样用二极管挡,将红表笔接全桥-极,黑表笔分别接AC两脚,若万用表读数均在0.4-0.8之间,则表明全桥正常;否则,表明全桥已损接下来检查滤波电容C13与谐振电容C14,+18V供电电压以及IGBT管驱动电路。更换损坏元件后试机,为防止再爆机,可在电磁炉的电源输入端(或在保险管处)串入一只40W/220V灯泡,进行限流,如图2所示。

        先断开开关K,然后上电,正常时,电磁炉中的蜂鸣器发出一声"嘀"音,但灯泡不会闪亮,更不会长亮;按开机键后(即进入加热状态),灯泡会有规律地间歇闪亮。只有灯泡的状态符合上述特点后,才能闭合开关K试机。若上电后灯泡就亮,则说明电磁炉的高压回路有短路现象,重点检查整流滤波及谐振回路。若上电时正常,但开机后灯泡长亮,则说明IGBT管驱动电路或振荡电路有故障。