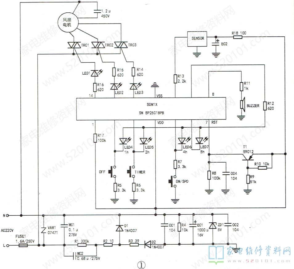
接修一台艾美特FB3013R电风扇,按ON/SPD (开启/速度)按键后,开始能中速运转(中挡指示灯亮),一会儿后自动转为低速运转(低挡指示灯亮),随后自动关机。该电风扇运转由CPU(SN 8P2501BPB )控制,如图1所示。如按键ON/SPD有漏电,可能会误触发CPU,但更换ON/SPD按键后'故障依旧。

      检查后发现,当CPU的⑦脚(复位)电压从4.1V降到'2.9V时,风扇自动关机,接着⑦脚电压又升到4.1V。怀疑⑦脚外接T1、CC4等元件异常,经测量切正常。查CPU的④脚供电电压明显波动,检查该供电电路,发现降压电容MC2容量已由0.68uF降为0.1uF,换新后故障排除,此时CPU的④脚电压稳定在5V。

      出于体积限制或者成本考虑,不少低功耗小电流电路采用阻容降压电路供电,电路的最大输出电流由降压电容的容抗决定。如果降压电容容量减小,导致供给负载的最大工作电流变小,从而引起负载工作异常,这点值得注意。