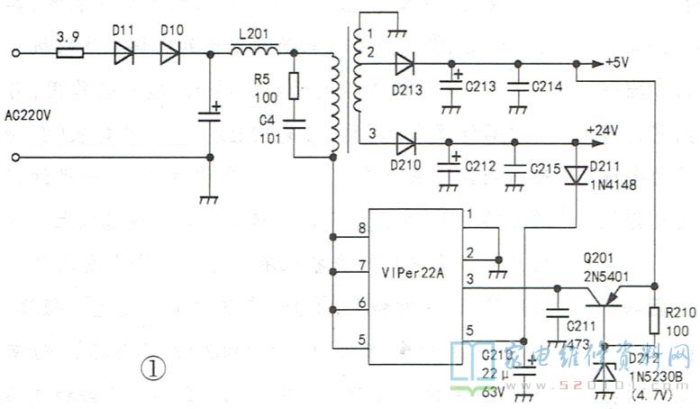
接修一台小天鹅XQG70-1098CS滚筒洗衣机(大LCD液晶显示屏),通电后无反应。分析检修:拆开前面板,发现开关电源板上有明显烧痕。此开关电源以VIPer22A为核心,如图1所示,输出+5V和+24V电压分别供给CPU及继电器。在路测量D212 (1N5230B )、D211 (1N4148 )、Q201( 2N5401)、VIPer22A均已损坏。将上述元件全部换新后开机,测量+5V、+24V输出电压,发现开机瞬间C213两端电压达35V,随后快速下降;C212两端电压升至约3V时便下降。

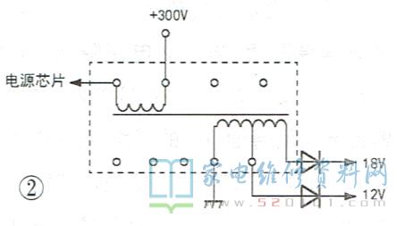
     仔细检查,发现开关变压器上的胶带有溶化现象,怀疑该开关变压器(型号为BCK-EE16-6213A.NER )有问题。位观由于手头无此型号的变压器,于是在电磁炉废板上拆下一只体积略大、型号为DM -EE 19B WL的开关变压器,其引脚功能如图2所示。按实际引脚功能连线后,通电试机,有正常的开机启动声音,+5V电压正常,屏显也正常,但+24V输出电压只有10V(在电磁炉电路中,此绕组的输出电压为+18V),继电器无法正常工作。拆下新换上的变压器,挑开③脚,在②-③绕组上加绕线圈,直到该绕组的输出电压接近24V时为止。经过多次试验,实测+24V电压为24.3V,连线试机,故障排除。