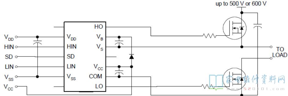
概述:IRS2110芯片是双通道、栅极驱动、高压高速功率器件的单片式集成驱动模块,由于它具有体积小、成本低、集成度高、响应速度快偏值 电压高驱动能力强等特点,自推出以来,这种适于功率MOSFET管IGBT驱动的自举式集成电路在电机调速、电源变换等功率驱动领域中获得了广泛的应用。IRS2110采用先进的自举电路和电平转换技术,大大简化了逻辑电路对功率器件的控制要求,使得每对MOS-FET(上管、下管)可以共用一片IRS2110,并且所有的IRS2110可共用一路独立电源。对于典型的三相桥式逆变器,可采用3片IRS2110驱动3个桥臂,且仅需1路10V~20V电源。IRS2110的内部框图如图2所示,引脚功能如表1所示。


一、IRS2110引脚功能


二、IRS2110内部方框图


三、IRS2110典型应用电路