概述:LTC3786采用耐热增强型MSOP-16封装和3mmx3mmQFN封装。该器件以一个高效率 N 沟道 MOSFET 取代了升压二极管。这样就可以去掉通常在中高功率升压型转换器中所需的散热器。在输入电压可能超过稳定输出电压的应用中,LTC3786 能保持同步 MOSFET 连续接通,以便输出电压以最低功耗跟随输入电压。LTC3786 的 55uA 低静态电流延长了电池供电应用在备用模式时的运行时间。这个控制器能以高达 98% 的效率从 12V 输入产生 24V/5A 输出,从而非常适用于汽车、工业和医疗应用,在这类应用中,升压型 DC/DC 转换器必须具有小的解决方案尺寸并产生很少的热量。        启动时,LTC3786 在 4.5V 至 38V 的输入电压范围内工作,启动后直至 2.5V 都保持工作,并可调节高达 60V 的输出电压。强大的 1.2Ω 内置 N 沟道 MOSFET 栅极驱动器能快速转换大的 MOSFET 栅极,从而最大限度地降低转换损耗,并允许高达 10A 的输出电流。
      具有可调的逐周期限流保护,并运用一个检测电阻器或通过监视电感器 (DCR) 两端的压降来检测电流。LTC3786 具有 75kHz 至 850kHz 的相位可锁定开关频率范围以及 50kHz 至 900kHz 的固定工作频率范围。此外,LTC3786 具有可调软启动,并在 -40°C 至 125°C 的工作温度范围内保持 ±1% 的基准电压准确度。 

一、LTC3786特点:

• 高达98%的效率

• 在中高功率升压型转换器中无需散热器

• 可在VOUT 高达60V 时工作

• 4.5V至38V的宽VIN 范围,启动后直至2.5V都保持工作

• 55uA低静态电流延长电池供电应用的运行时间

• 8uA停机电流

• 强大的1.2Ω 栅极驱动器

• 同步MOSFET的100%占空比能力

• 75kHz至850kHz 的相位可锁定频率范围

• 50kHz至900kHz的可编程固定频率范围

• RSENSE或电感器DCR电流检测

• 电流模式控制

• 在-40oC至+125oC 的温度范围内具±1%基准电压准确度

• 可编程软启动

• 电源良好输出

二、LTC3786引脚功能

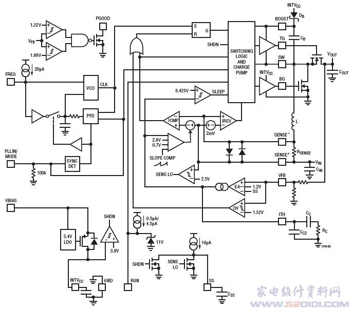
三、LTC3786内部方框图

四、LTC3786典型应用电路

五、LTC3786极限参数