概述:LTC3852采用耐热增强型3mmx5mmQFN-24封装。窄/宽输入电压范2围 (2.7V 至 5.5V 或 4V 至 38V) 同步降压型 DC/DC 控制器 LTC3852 。该器件的内置充电泵提供 5V 偏置电压,以从标称的 3.3V 电源驱动低 RDS (ON) 和标准逻辑电平的功率 MOSFET。因为 LTC3852 的内部充电泵和 DC/DC 控制器是相互独立的,所以充电泵可以提供 5V 输出以给内部栅极驱动器供电,而 DC/DC 转换器的功率级可以从另一个电源 (最大值高达 38V) 吸取功率。LTC3852 在 0.8V 至 99% VIN  (2.7V 至 5.5V) 的输出电压范围内可提供高达 25A 输出电流,从而使该器件非常适用于 3.3V 供电的负载点应用。    恒定频率电流模式架构允许 250kHz 至 750kHz 的可选固定或可锁相 (PLL) 频率。可选突发模式 (Burst Mode) 工作、脉冲跳跃或强制连续模式是用户控制的,以优化轻负载时的效率。OPTI-LOOP 补偿允许在宽输出电容和 ESR 值范围内优化瞬态响应,其中包括所有陶瓷输入和输出电容器。输出电流检测通过测量输出电感器两端的电压降 (DCR) 来完成 (以实现最高的效率),或通过采用一个与电感器相串联的任选检测电阻器来实现 (旨在获得最高的准确度)。电流折返功能可限制短路和过载情况下的 MOSFET 热耗散。
  此外,LTC3852 具有可调的软启动或跟踪以控制电源的接通特性,并具有一个在 -40°C 至 125°C 工作温度范围内准确度为 ±1.25% 的精确 0.8V 基准。凭借 99% 的最大占空比,LTC3852 具有非常低的压差电压,这对于在电池供电型应用中延长运行时间是一个非常有用的功能。

一、LTC3852功能和特点:    
      ●VIN 范围:用于充电泵的 2.7V 至 5.5V
  ●VIN 范围:用于 DC/DC 控制器的 4V 至 38V
  ●高效率
  ●内置充电泵从 3.3V 电源轨提供 5V 栅极驱动
  ●强大的内置 MOSFET 驱动器
  ●VOUT 范围:0.8V 至 99% VIN
  ●固定频率、峰值电流模式控制
  ●可选突发模式工作、脉冲跳跃或强制连续模式
  ●DCR 或检测电阻器电流检测
  ●逐周期峰值电感器电流限制 (53mV 最高门限)
  ●250kHz 至 750kHz 的可锁相固定频率
  ●可编程软启动或跟踪
  ●在 -40oC 至 +125oC 的温度范围内基准电压准确度为 ±1.25%

二、LTC3852引脚功能

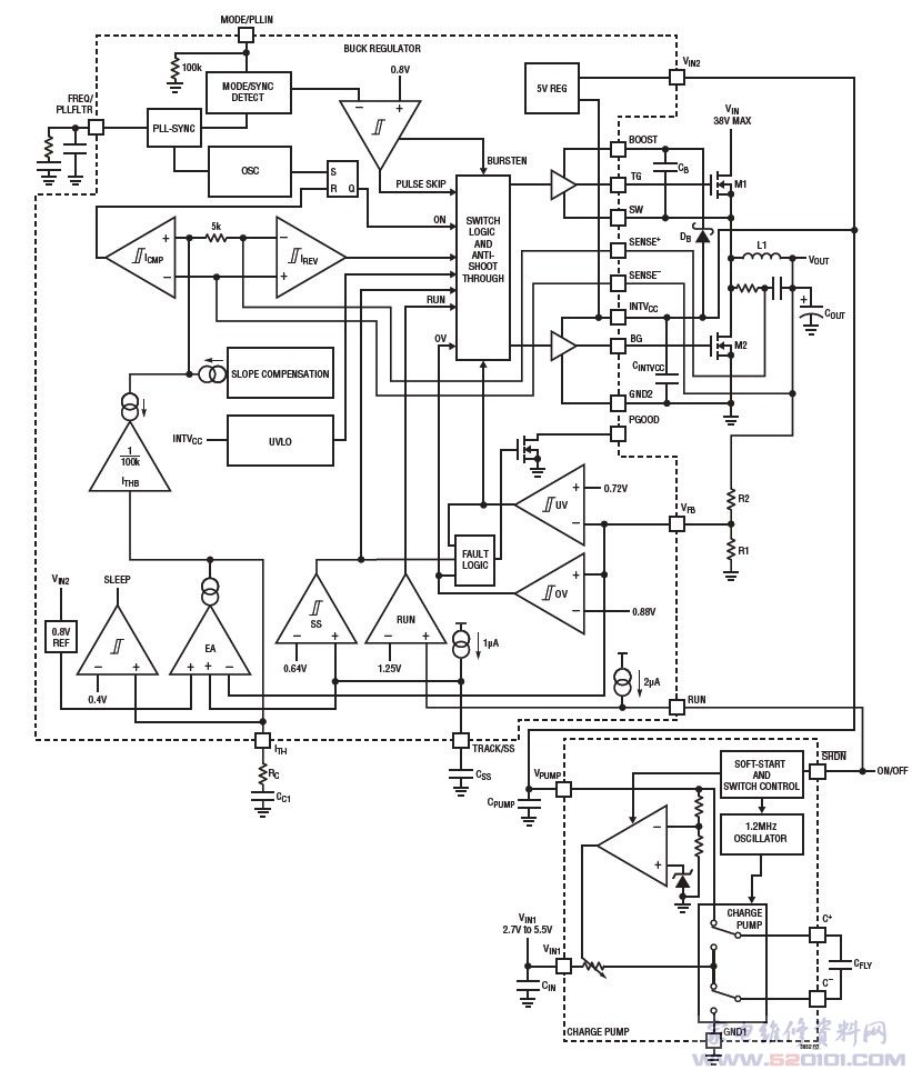
三、LTC3852内部方框图

四、LTC3852典型应用电路

五、LTC3852极限参数