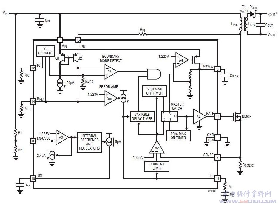
概述:LT3748H采用小型MSOP-16 封装,但去除了 4 个引脚以实现额外的高压引脚间隔。在结温高达 150°C 工作时有保证。该器件极大地简化了隔离式 DC/DC 转换器的设计,因为输出电压是从主端反激信号中检测到的,所以无需光隔离器、第三绕组或信号变压器来实现反馈。在 5V 至 100V 的输入电压范围内工作,并驱动一个外部 N 沟道功率 MOSFET。         以边界模式、电流模式控制开关电路工作,从而在整个电压、负载和温度范围内实现 ±5% 的典型调节。与功能相同的连续传导模式设计相比,边界模式还允许使用较小的变压器。输出电压非常容易由两个外部电阻器和变压器匝数比设定。

一、LT3748H功能和特点:

•保证工作在 -40°C 至 150°C 的结温范围

•5V 至 100V 的 VIN 范围

•无需光隔离器、变压器或第三绕组实现反馈

•驱动外部 N 沟道功率 MOSFET

•电流模式控制

•边界模式工作

•用两个外部电阻器设定 VOUT

•采用现成有售的变压器

•可编程软启动

•可编程欠压闭锁

•输出电压温度补偿

二、LT3748H引脚功能

三、LT3748H内部方框图

四、LT3748H典型应用电路