用手机访问
概述:LTC3441是Linear公司生产的一款微功率同步降压和升压型DC/DC转换器。它为贴面12脚封装,工作电压3.3V。
一、LTC3441引脚功能排列
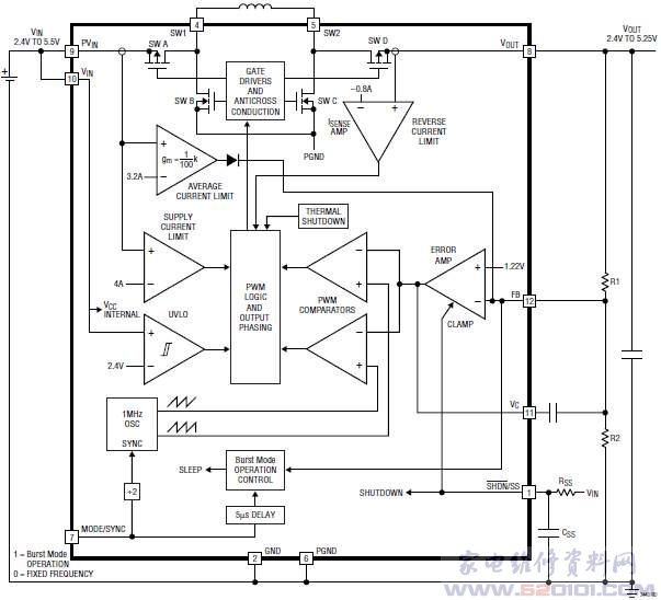
二、LTC3441内部方框图
三、LTC3441典型应用电路
网友评论