一、波段开关式输入选择电路
波段开关式输入选择电路是采用机械式波段开关直接对各路音频/视频信号进行切换。它是一种原始的输人选择电路,早期生产的功放机大多采用这种电路。这种输入选择电路虽有结构简单的优点,但由于波段开关的机械触点易发生接触不良而引发噪声、小声,以及无声等故障,同时其寿命较短。目前有些波段开关经过特殊处理后,其性能得到大幅度提高,但同时成本也提高了,因此仅在少部分高档机型中才用到。
二、继电器式输入选择电路
采用这种控制方式,其分离度高,可以提高输入性能,但使用成本高,只在少量的高档机中才采用。对继电器吸合与释放的控制,既可采用机械式波段开关来控制,也可采用由触发器或者运算放大器组成的互锁电路来实现控制。下面介绍几种比较典型的继电器式输入选择电路。
1.简单的继电器式输入选择电路
简单的继电器式输入选择电路是由儿个继电器和一个机械式波段开关组成,奇声HF-111B功放机的音源选择电路即采用了这种电路形式,其电路如下图1所示,图中只画出了一个声道。
该机有DVD、CD、TUNER、VCD、TAPE、AUX(辅助输入或线路输入)六组音频输入端子,每组输入端了的信号均经继电器内的开关后送到前置放大电路1N1(4558)。图中,1J1-a~1J6-a是输入电路中的6个继电器,这6个继电器受波段开关K1—L控制。K1-L拨至某一挡位时,+24V直流电压经K1-L动臂加在相应的继电器线圈两端,该继电器吸合,其中的开关接通,该路音源信号接入功放,而其他继电器因无工作电压均处于释放状态,所接的音源信号不能进入,从而达到了输入选择的目的。被选择出的音源信号送入运算放大器1N1(4558)组成的前置放大电路进行放大后,再经音量电位器1W1控制后输往后级电路。R1~R6为隔离电阻,防止外线输入时,信号线与地短路时损坏运算放大器1N1。用来泄放继电器释放时产生的反向电动势,保护电源中的整流二极管。
虽然这种继电器式输入选择电路中还用机械式波段开关来选择输入信号,但音频信号不经过这一开关,因此,即使该波段开关接触不良也不会引入噪声、小声的故障,而是引起无声或声音断断续续的故障。
2.运算放大器互锁电路控制的继电器式输入选择电路
这种继电器式输入选择电路,是通过由多个运算放大器组成的互锁电路来控制继电器的吸合与释放。绅士E1080功放音源选择电路即采用了这种电路形式,其电路如图2所示。

图2中,四个运算放大器(IC703A~IC703D)接成四路互锁电路,然后通过四个驱动管(VT5、VT8、VT7、VT10)来控制相应继电器的吸合与释放来达到切换音源的目的。
R702、R703、C701、VT703组成开机复位电路。在刚开机时,由于电容C701两端电压不能突变,故其上端电位在开机瞬间为低电平,此时三极管VT703因无基极偏置电流而保持截止,+12V电压通过VT703集电极电阻R703、二极管VD724为运算放大器IC703A正相输入端供电,IC703A输出高电平,使驱动管VT5导通,继电器J101吸合,将VIDEO-l输入插口的音源接入后级电路,同时发光二极管VD4点亮,指示所选择音源为VIDE0—1。而此时由于其他运算放大器正相输入端均处于悬空状态,反相输入端则约为10V电压(由+12V电压经过R703和VD724、VD709、VD710降压而得),故其他运算放大器均输出低电平信号使三极管截止。随着C701充电的进行,C701上端电位上升,当升到0.65V时,VT703由开机瞬间的截止转换为导通,二极管VD724随之截止,完成开机复位动作。复位后,VT703A输出端的高电平信号通过R719、R720为IC703A正相输入端提供约+5.8V的高电平,使IC703A输出端持续输出高电平信号(即锁定)。
在按下按钮“VIDEO-2”时,+12V电压直接接在运算放大器IC703B正相输入端,由于二极管VD711、VD712有1.4V的压降,使各运算放大器的反相输入端电压为10.6V电压,该电压高于IC703A正相输入端的+5.8V(开机后没按其他按钮),IC703A输出端跳变为低电平,三极管VT5截止,继电器J101释放,内部开关断开。此时,C703B正相输入端电压高于反相输入端电压,IC703B输出端跳变为高电平,驱动管VT8导通,继电器J102吸合,将VIDEO-2输入插口的音源接入后级电路,同时发光二极管VD3点亮,指示所选择音源为VIDEO-2,同样IC703B输出端的高电平通过电阻R722、R723使其输出端保持高电平。
同理,在按下其他音源选择按钮时,也会使相应的三极管导通,接通相应的继电器,并且点亮相应的发光二极管,而此时其他运算放大器的输出端跳变为低电平,保证只能接通一路音源到后级电路。
3.D型触发器控制的继电器式输入选择电路
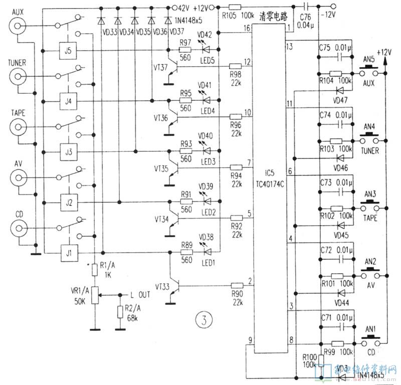
这种继电器式输入选择电路,继电器的控制电路是由多个D型触发器接成锁存器的形式构成。中联F-9500A功放音源选择电路即采用了这种电路形式,其电路如图3所示。

该电路采用了一个六D触发器TC40174C,接成五位锁存器。刚开机时,由R105、C76组成的清零电路使TC40174c清零,②脚输出(Q1)端输出高电平,使VT33导通,继电器J1吸合,接通CD,同时LED1发光,显示选择的音源是CD。
当按动AN2时,TC40174C④脚输入高电平,同时经VD44使⑨脚(时钟输入端)输入一个脉冲,使⑤脚输出转为高电平(同时②脚转为低电平),使VD34导通,继电器J2吸合,接通AV,同时LED2发光,显示选择的音源是AV。同理,当按动AN1、AN3、AN4、AN5时,TC40174C的②、⑦、⑩、12脚就会输出相应的高电平,控制相应的继电器接通相应的音源,同时LED1、LED3、LED4、LED5也相应发光,指示所选择的音源。
三、电子开关式输入选择电路
近几年生产的Hi—Fi功放和AV功放,大多采用了电子开关式输入选择电路,功放机中输入选择电路中的电子开关可使用三极管,也可使用集成块,如CC4051(CD4051、HCF4051、TC4051)、CC4052(CD4052、HEF4052、TC4051)、CC4053(CD4053、TC4053)、CC4066(CD4066、TC4066)、BA7612、PT2323等电子开关集成块。另外,许多的集成电路将输入电子开关与音量、音调、前级放大集成为一体,如PT2314、TDA7449L、LC75396NE等。电子开关的通/断可由机械式波段开关来实现控制,也可由触发器或者单片CPU来实现控制。下面分析几种比较典型的电子开关式输入选择电路。
1.三极管电子开关输入选择电路
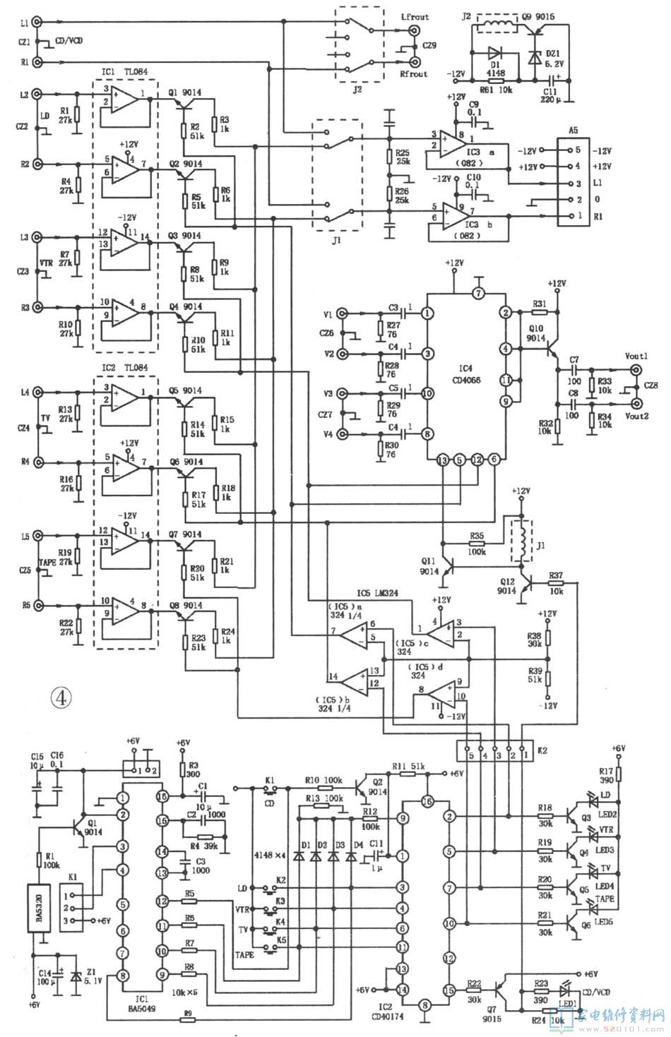
天逸AD-5100A功放机的音频输入选择电路就是由三极管作为电子开关,而视频信号的输入选择则采用CD4066电子开关集成块,并用触发器来控制电子开关的通、断进行音频和视频信号输入选择,控制与输入信号选择电路如图4所示。

该机有CD/VCD、LD、VTR、TV和TAPE五组音频输入端子+除CD/VCD输入端子外,每组输入端予的信号均经过由一个运放(1/4TL084)接成的跟随器,再经电子开关管(Q1-Q8)和继电器J1,送到IC3(TL082)。经IC3跟随后的音频信号通过接插件A5送到后级。J2为关机信号直通控制继电器。当电源未接通时,Q9截止,J2的常闭触点接通,CD/VCD输入信号直通到左、右主声道信号输出端,使信号在关机时不经过任何信号处理电路而保持最高的保真度。K2~K5为音源选择按键,CD40174(IC2)为六D触发器,在这里接成五位锁存器。为了满足控制Q1—Q8开关管通、断所需电平的幅度和极性,又加入了由四运放IC5(LM324)接成的4个电平转换电路。IC5接成正相输入的电压比较器,可将CD40174输出的控制信号经转换后去控制Q1~Q8开关管的通、断。CD4066(IC4)为视频信号选择电路,同样由K2-1~K2-4电平控制,使音频、视频信号能同步进行转换。BA5320为遥控接收头,BA5049为遥控接收解码电路。
CD40174是六D触发器,引脚功脚功能与TC40174C一样,两集成块可以直接代换。刚开机时,由R11、C11组成的清零电路使CD40174清零,15脚输出低电平,使Q7(PNP管)导通,CD/VCD音源指示灯LED1点亮,K2—1输出高电平,送到驱动管Q12基极,Q12因此导通,控制继电器J1吸合,CD/VCD输入信号经J1常开触点送到IC3,经IC3跟随后送往后级电路。
当按动K2时,CD40174C③脚输入高电平,同时经D4使⑨脚(时钟输入端)输入一个脉冲,使②脚转为高电平,15脚也转为高电平。CD40174C 15脚输出的高电平,使Q7截止,Q7的c极(即K2—1)输出低电平,使Q12截止,继电器J1释放。CD40174②脚输出的高电平,使Q3导通,LED2点亮指示音源为LD,同时,与②脚相连的K2—2输出高电平,并送到电压比较器IC5(a)。IC5(a)将K2—2输出的控制信号经转换后送至开关管Q1、Q2基极,使Q1、Q2正偏导通,LD的左右声道信号经J1常闭触点送到IC3,经IC3跟随后送往后级电路。同理,当按动K3、K4、K5时,TC40174c的⑤、⑦、⑩脚相应输出高电平(15脚为高电平),分别使Q4、Q5、Q6导通,LED3、LED4、LED5相应点亮,分别显示选择的音源VTR、TV和TAPE,K2—3、K2-4、K2—5也相应输出高电平去控制音源选择电路。
此后,若再按下K1(CD/VCD键),Q2导通.CD40174①脚转为低电平,IC2复位,15脚输出低电平,K2-1又转成高电平,受其控制的输入信号选择电路也转换到CD/VCD状态,即恢复到开机状态。
该机的视频信号选择电路主要由集成块CD4066(IC4)组成,同样由K2-1~K2-4电平控制,使音频、视频信号能同步进行转换。
CD4066(CC4066、TC4066)是COMS四路双向电子开关,其控制关系如表1所示。

当开机时,音源选择自动置于CD/VCD状态,K2-1输出高电平,Q12导通,Q12的c极呈低电平,使Q11截止,Q11的c极呈高电平,即CC4066 13脚为高电平,控制①、②脚接通,使视频输入信号V1经射随器Q10送到视频信号输出端口Vout1和Vout2。同理,当音源选择分别置于LD、VTR、TV时,K2—2、K2—3、K2—4分别输出高电平,相应地选择视频输入信号V2、V3、V4。这样使音频、视频信号能同步进行转换。
输入信号选择若用遥控器操作,在分别按下遥控器上的各输入信号选择键时,遥控器发射出的红外线遥控信号由遥控接收头(BA5320)转换为电信号,经Q1放大后输入遥控接收解码电路BA5049,经解码后,分别从⑧、⑨、⑩、11、12脚输出控制电平,用于控制输入信号选择。如按下遥控器的LD键,BA5049⑧脚输出高电平,通过R9送到CD40174③脚,相当于按下K2,②脚输出高电平,使K2—2输出高电平,去摔制音源选择和视频选择电路,选择LD音频和视频。
2.CD4052组成的输入选择电路
CD4052(CC4052、HEF4052、TC4066)是双4选1电子开关集成电路。该电路相当于一个双刀4位开关,其输出端分别为③、13脚,可分别选择从①、②、③、⑤、11、12、14、15脚输入的信号。信号选择控制由⑥、⑨、⑩脚的逻辑电平控制,其控制关系如表2所示。

在实际电路中,可采用波段开关,也可由触发器或者运算放大器组成电平转换电路,用来改变CD4052控制端⑨、⑩脚的电平组合,从而达到切换信号的目的。
(1)利用波段开关来改变CD4052控制端的电平

图5是奇声AV-757B型功放机的输入选择电路,该电路工作原理是通过音源选择开关K001(双刀4位开关)改变CD4052控制端(⑨、⑩脚)的组合电平,从而控制其内部的电子开关来接通不同的音源。当把开关K001拨至位置1(即LD挡)时,CD4052的两个控制端⑨、⑩脚均为低电平,内部电子开关将①脚与③脚接通、12脚与13脚嘞接通,将LD输入端口]的音源信号接入后级电路。同理,当把音源选择开关拨至其他位置时,就会改变CD4052的两个控制端⑨、⑩脚的电平组合,从而接通相应的音源。
从CD4052③、13脚输出的音频信号分为两路,一路经R004、R005以及R013、R012送录音输出插口(RECOUT),用于外接录音设备进行录音;另一路送往音量控制电路。
(2)利用触发器采改变CD4052控制端的电平
图6是奇声AV-1100功放机的输入选择电路。该机采用双上升沿D触发器CD4013来改变CD4052的两个控制端⑨、⑩脚的电平组合来达到切换音源的目的。表3是CD4013的功能表。
该电路的工作原理是,通过四个轻触按键开关,将+5V高电平提供给CD4013中两个D触发器的R、s端(④、⑥脚与⑩、⑧脚),改变两个触发器的Q端(①、13脚)输出电平,这样就能控制CD4052控制端⑨、⑩脚的电平组合,从而控制CD4052内部的电子开关,接通不同的音源信号。
开机后,机器进入默认输出选择状态,如CD状态。当要选择接入DVD机的信号时,按1K3按键,+5V通过1K3分两路分别去触发CD4013的两个触发器,一路经1D5到达CD4013第⑥脚,使第一个D触发器的S1端为高电平(H),这时,第一个D触发器的R1端(④脚)通过1R4接地,为低电平(L),其⑤脚(D1端)、③脚(CP1端)直接接地。此时,①脚(Q1输出端)为高电平(H),使CD4052的第⑩脚A控制端为高电平。第二路经1D6到达CD4013第⑩脚,使第二个D触发器的R2端为高电平(H),这时,第二个D触发器的S2端(⑧脚)通过1R2接地,为低电平(L),其⑨脚(D2端)、11脚(CP2端)也直接接地。此时,Q2输出为低电平(L),使CD4052的第⑨脚B控制端为低电平。1K3在放手后自动断开,此时+5V电压不再控制CD4013,其R端(④、⑩脚)、S端(⑥、⑧脚)被1R1-1R4拉低为低电平,触发器处于保持状态,实现了状态的自锁,Q1、Q2维持原有电平。此时,CD4052的第⑩脚A控制端为高电平,⑨脚B控制端为低电平,则其内韶电子开关将⑤脚与③脚接通、14脚与13脚接通,将DVD输入端口的音源信号接人后级电路。另外,CD4013的两个触发器也同时输出一低一高电平,与Q1、Q2输出的高低电平一起,送住显示电路。

当按下1K1或1K2、1K4时,CD4013就会有一个或两个触发器发生翻转,从而形成新的组合,并送到CD4052的A、B控制端,改变其接通状态,同时改变显示,达到进行输入信号选择的目的。
(3)利用运算放大器组成的电平转换电路来改变CD4052控制端的电平
奇声AV-2700功放机的输入选择电路,采用运放集成块LN324中的四个运放作电压比较器,结合相应的电路来完成对CD4052的控制,其电路如图7所示。

该机开机默认输入状态为VCD,开机后,由于LM324中的比较器IC2-2、IC2-3、IC2-4同相端(⑤、⑩、12脚)都分别被R1、R2、R3接地,电压为0V,而反相端(⑥、⑨、13脚)由+23V经R7、R11分压为11.5V电压。远远高于同相端电压,因此,三个比较器均输出低电平(0V)。三路低电平经D6~D9分配组合为两路低电平,再经R13、R14输出。此两低电平一方面使CD4052的A、B端(⑩、⑨脚)均为低电平(0V),控制CD4052内部接通VCD音源的左右声道;另一方面使IC2—1的反相端(②脚)为低电平(0V)。IC2—1的正相端(③脚)由+23V电压经R9、R10分压为11.5V,远远高于反相端电压,比较器IC2—1输出接近电源电压的高电平(+21V),驱动荧光屏(VFD)中的VCD发亮,显示选择的音源为VCD。
当要接入TAPE音源时,按下按键K1,+23V经K1后分为两路;一路直接送到IC2—2的同相端(⑤脚),使其为23V电压;另一路经D1、D10降压后获得约为21V的电压,送到IC2-2、IC2-3、IC2-4反相端。此时,IC2-3、IC2-4反相端电压远远高于同相端(K2、K3未按下,为0V),比较器IC2-3、IC2-4输出低电平。比较器IC2-2因同相端电压(23V)高于反相端(约21V),所以输出接近电源电压的高电平(约2lV)。比较器IC2-2输出的高电平一路经D7、R13、R17、R19送到CD4052的⑩脚(A端),另一路经D8、R14、R18、R20送到CD4052的⑨脚(B端),CD4052的⑩、⑨脚(A、B端)均为高电平,则CD4052内部接通TAPE的左右声道。IC2—2比较器输出的21V高电平还送入荧光显示屏,点亮其中的TAPE。D5、D4从R13、R14输出端取出的21V电压汇合后,送到IC2-1反相输入端(②脚)。IC2-1反相输入端电压高于正相输入端(由+23V电压经R9、R10分压为11.5V),使IC2-1比较器无电压输出,使荧光屏中开机时被点亮的“VCD"字符熄灭。
比较器的自锁状态:IC2—2比较器输出的高电平还经R4返回到⑤脚,R4与D1、D10、R11组成分压电路,使IC2-2同相端维持在13V左右,仍高于由R7、R11分压提供给反相端的11.5V电压,使比较器输出端持续输出高电平(即锁定),使得按键K1在松开手指后的弹开状态,功能控制持续有效。
同理,当分别按下K2、K3后,比较器IC2—3、IC2—4则分别输出高电平,而在按下K4后,三个比较器均输出低电平,即与开机默认输入状态相同,就会改变CD4052的两个控制端⑨、⑩脚的电平组合,从而接通相应的音源。
(4)CD4052组成的视频输入选择电路
爱威DSP2029型AV功放机的视频信号选择输入电路采用两片双4选1开关电路CD4052,一片用于S视频信号的选择,一片用于复合视频信号的选择,其电路如图8所示。

3IC1(CD4052)用在S视频信号的选择时,两组选择开关分别选择色度信号和亮度信号。用S视频接口将视频信号中的色度信号和亮度信号分别进行传输,可避免色度信号和亮度信号的互相窜扰,使图像更清 晰、干净,同时还可避免因色副载波的存在造成信号在处理过程中必须滤除色副载波带来的图像信号的损失。
3IC1选择输出的色度信号和亮度信号,分别经3Q1、3Q2接成的射极输出器缓冲后输出,送到S视频输出端子。2IC1(CD4052)用在复合视频信号选择时,只用了一组选择开关,另一组未用(接地)。
2IC1选择输出的复合视频信号经2Q1接成的射极输出器缓冲后输出,送到复合视频输出端子。由于两片CD4052控制端(⑥、⑨、⑩)均并接在一起,并同样由CPU输出的信号控制,故可同步进行S视频和复合视频信号的转换。
3.CD4051、CD4053组成的输入选择电路
CD4051(CC4051、TC4051、HCF4051)是8选1电子模拟开关集成电路。该电路相当于一个单刀8位开关,可分别选择从①、②、④、⑤、12、13、14、15脚输入的信号,其输出端为③脚。信号选择由⑥、⑨、⑩、11脚的逻辑电平控制。其功能见表4。

CD4053是三路2选1电子模拟开关集成电路,其控制关系如上表5所示。
(1)爱威DSP2090型AV功放音频输入选择电路

图9是爱威DSP2090型AV功放音频输入选择电路(只画出了左声道的电路图,右声道电路与此相同)。该机设有8组音频输入端子,其中4组与视频输入进行同步切换。由两片CD4051分别对8路音源的左、右声道信号进行输入选择。由两片CD4053对数字声场解码电路送来的5.1声道与外接直接输入的5.1声道信号进行选择。
IC101(CD4051)与外围元件组成立体声音源的左声道输入选择电路,IC102(CD4051)与外围元件组成立体声音源的右声道输入选择电路。各音源的左、右声道信号分别送两IC的X0~X7八个输入端.经选择后的信号从X端(③脚)输出。两片IC的输入状态由选择控制端(⑨脚c、⑩脚B、11脚A)电平决定。CPU发出指令后,经Q101、Q102和Q103反相,对两片IC进行同步控制(同时还控制视频信号选择电路)。经选择的左、右声道信号分别经IC103A、IC103B缓冲放大后送到DI)SP和杜比定向逻辑解码电路。
该机为了方便与DVD机或其他数码环绕声处理设备连接,设置了6声道独立输入接口和相关的转换电路。电路中的2IC14(CD4053)组成了5.1接口与数字声场解码电路的左(L)、右(R)、中置(C)声道的输入选择,2IC15(CD4053)组成环绕左(SL)、环绕右(SR)、超低音(SW)声道的输人选择。解码板送来的5.1信号分别送两IC的②、⑤、12脚,外接口送来的信号分别送①、③、13脚。5.1接口的输入状态由两片IC的选择控制端(⑨脚c、⑩脚B、11脚A)电平决定。CPU发出AC-3控制指令后,经2Q7反相,对两片IC进行同步控制。
(2)高士AV-9092B型功放机的输入选择电路
图10是高士AV-9092B型功放机的输入选择电路。
该机设有6组音频输入端子,其中3组与视频输入进行同步切换。音源选择采用两片HCF4051BE型8选1电子开关电路,分别对6路音源的左、右声道信号进行输入选择。经选择后的左、右声道信号分别从两片HCF4051BE的X端(③脚)输出,送到杜比定向逻辑解码电路。两片IC的输入状态由选择控制端(⑨脚c、10脚B、11脚A)电平决定。由于两片HCF4051BE的控制端(⑨脚C、⑩脚B、11脚A)均并联在一起,并同样由cPu输出的信号控制,故可同步进行左、右声道的转换。
视频选择采用一片CD4052BE型双4选1开关电路,但在该机中只用 了一组选择开关。LD、VCD、VCR三组视频信号送CD4052BE的12、14、15脚,经选择后从X端(13脚)输出,再经Q51、Q52、Q53及其外围元件组成的共集电极输出电路缓冲后,分别从三个视频输出端子(VCR OUT、VCD OUT、LD OUT)输出视频信号,分别送到电视机进行影院播放,同时送录像机同步录像或刻录机同步刻录光盘。CD4052BE的输入状态由选择控制端(⑨脚c、⑩脚B)电平决定。由于CD4052BE的控制端与HCF4051BE的控制端并联在一起,并同样由CPU输出的信号控制,故可同步进行音,视信号的转换。
4.M72471组成的信号选择电路
M72471是专用音/视频信号选择集成电路。该集成电路内含4路双声道音频选择电路和4路视频信号选择电路,采用串行数据信号控制办式,其应用电路如图11所示。
M72471 12~15脚为4路左声道音频信号输入端,19-22脚为4路右声道音频信号输入端,经选择后的左、右声道音频信号从11、①脚输出。M72471③、⑤、⑦、⑨脚为4路视频信号输人端,经选择后的视频信号从⑩脚输出,经Q1接成的跟随器缓冲后送视频输出端子输出。M72471内部进行的音/视频同步选择受④、⑥脚输入的串行数据信号(CPU根据使用者的操作控制而输出的)控制。
5.BA7612N组成的视频输入选择电路
BA7612N是ROHM公司生产的3选1模拟电子开关(也可全部关断输入)集成电路,常用于电视、录像机、影碟机以及功放机等进行视频信号选择。该集成电路内含模拟切换开关、6dB放大器、75Ω驱动器等电路,其应用电路如图12所示。
3路视频信号从BA7612N①、 ④、⑥脚输入到内部的电子开关,该电子开关的接通状态受②、③脚内接的逻辑控制电路控制,其控制关系如表6所示。
经选择后的视频信号在集成块内部经6dB放大、75Ω驱动处理后,从⑧脚输出,送视频输出端子输出。

网友评论