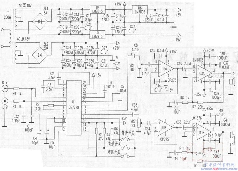
本电路相当简洁,音效处理采用加拿大QSOUND公司的单片QS7779虚拟环绕电路。由于该电路内置了杜比定向逻辑和杜比数码混合信号解码器。不仅能使普通的立体声信号进行效果增强,当播放的是。DVD的杜比数码信号时也能够先解码,然后再进行矩阵运算,虚拟化为二声道输出,另外还可以通过开关来切换不同的效果。有关该电路的使用效果和音质在音响界已有定论,比起那些形同虚设的“3D环绕”更实在。本电路的缓冲级仅用了一片OP275用于改善经过音量电位器之后的输入和输出阻抗。该款运放用在此处可以增强对末级的驱动力,减小前、后级之间在大动态下的相互影响。末级功放选用的是闻名发烧界的LM1876TF,该IC出自美国NS公司,转换速率达18uV/ms、信噪比达92dB,其静态电流只有4mA。由于集成了两路完全独立的声道,共用一块散热片,保证了电路具有较高的分离度和相同的温度特性。该Ic输出功率为25W,用在听音环境不大的小型多媒体有源系统中再好不过了。该功放外围元件数量少,每声道仅有8只,所以很容易制板并对现有的多媒体音箱进行改造。
点击放大 
    制作要点:电阻宜选用温漂小的金属膜电阻,各处的耦合、负反馈和退耦电容应选用ELNA补品电解。变压器用200w的优质环牛,次级各为两组双18V输出,一组为小电流,另一组为大电流。电源处的滤波电容宜选用Rubycon的2200uF/50V多个并联使用。这样才能保证在大动态下具有强劲的动力。电容C14、C21、C16、C23、C18、c42、C37、C38、C40、C27、C31、C44、C45用WIMA 0.1uF/63V。三端稳压用一般的LM7815、LM7915和LM7805。音效处理部分可选用市售成品板也可自制,LM1876功放块的散热器应足够大。所有元件安装和连线正确、无误后,通电即响。