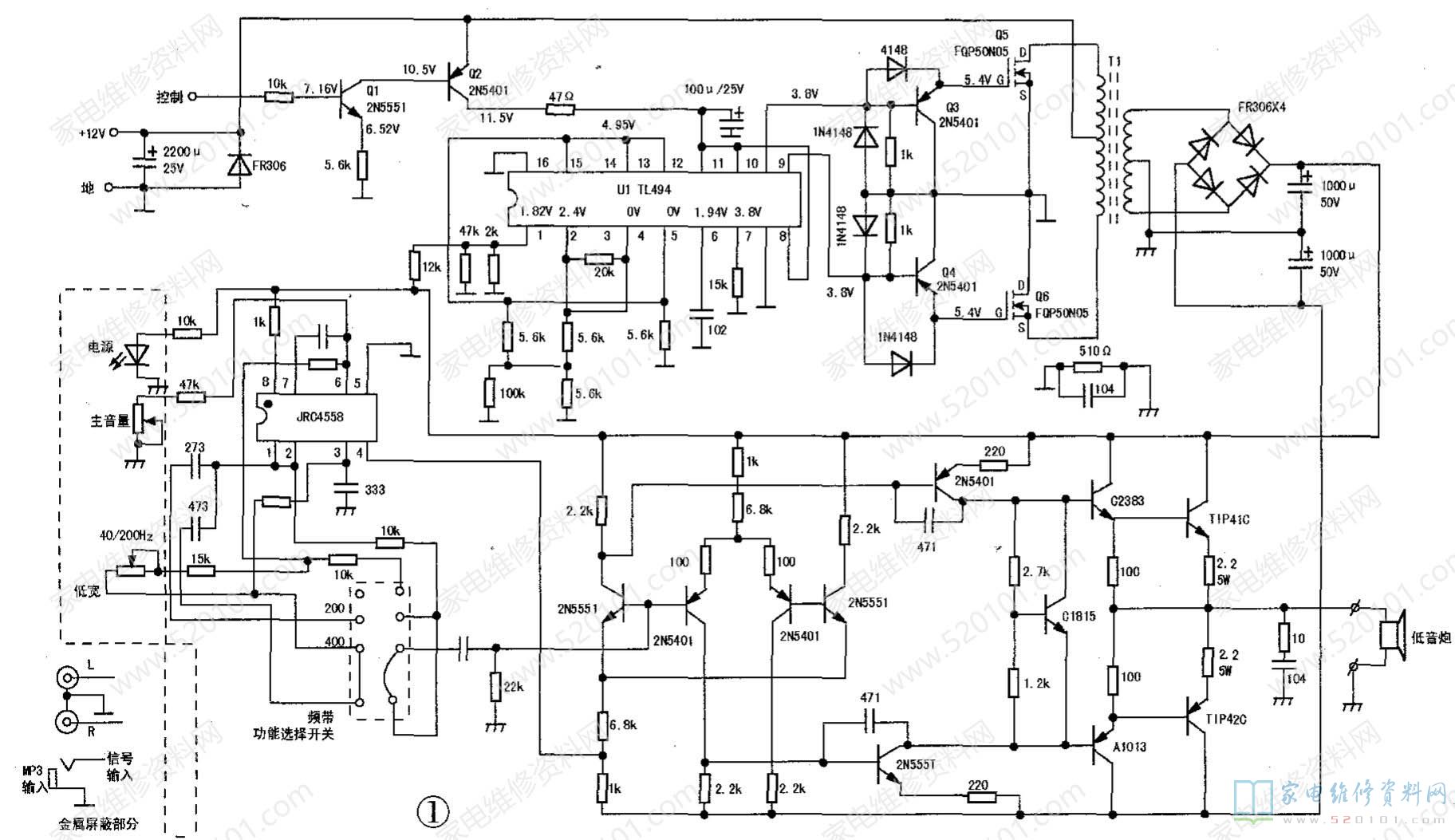
一台汽车低音炮功放,通电后放音无声。分析检修:汽车功放的功率放大电路与一般的家用功放机大同小异,但它的电源电路却相当复杂,往往使初次接触汽车功放的维修人员无所适从,而且此方面电路资料也比较缺乏。图1为根据电路元件实物绘制的电原理图,简述其工作原理如下:电源电路采用开关电源方式,将电瓶+12V供电经开关电源变换成±25V供给功放电路使用。它由电源振荡电路U1(TL494)和外围晶体管Q3、Q4,场效应功率管Q5、Q6构成。
正常使用(开机)时,电瓶电压同时加在+12V输入和控制端,两只控制三极管Q1、Q2导通,电源块TL494的⑧、11、12脚得到约+12V供电,内部振荡电路起振工作,由U1⑨、10两脚输出方脉冲,经外接晶体管Q3、Q4驱动场效应功率管Q5、Q6交替导通截止,与开关脉冲变压器共同完成开关振荡。开关变压品T1次级绕组(实质是漆包线直接在磁环上绕成,架空在线路板上,受汽车行驶颠簸焊点易脱焊)感应脉冲经四只二极管桥式整流、电容滤波获得土25V直流电压供给功放电路和前置放大电路使用。
对于本机故障,初步检测是两只场效应电源管击穿损坏,再查两只驱动晶体管也连带损坏。拆除损坏元件后,用万用表电阻挡在路测其余元件基本正常。先用两只2N5401代换焊好暂不装电源管,通电试验,实测U1⑧、11、12脚电压约+12V ,又测得⑨、10脚电压为4.5V左右,由此判断电源块U1(TL494 )工作基本正常,可以安装新电源管。原机电源管型号为FQP5ON05(主要电气参数耐压50V,电流50A),无法购到。最终在县城购到几只电子捕猎器中用的功率管P75NF75,并且了解到其电气参数为耐压75V ,电流75A,完全可以代换使用。换装新功率管,焊接无误,通电试验,功放放音恢复正常,实测各关键点电压如图1标注(元件位号为笔者自标,仅供参考)。
网友评论