上门维修一台LG LHB535蓝光家庭影院,该机插上电源,待机灯能点亮。按开机键后,机器VFD显示屏能显示,但只能显示“please wait" ,按任何键均无效,无法正常开机。打开机壳将所有排线重新插拔一遍后激光头机芯有了动作。再重新关机、开机一次,机器正常读碟,蓝光、DVD、CD均能播放,5.1声道功放输出也正常。但是,用过几次,故障仍会时不时出现。
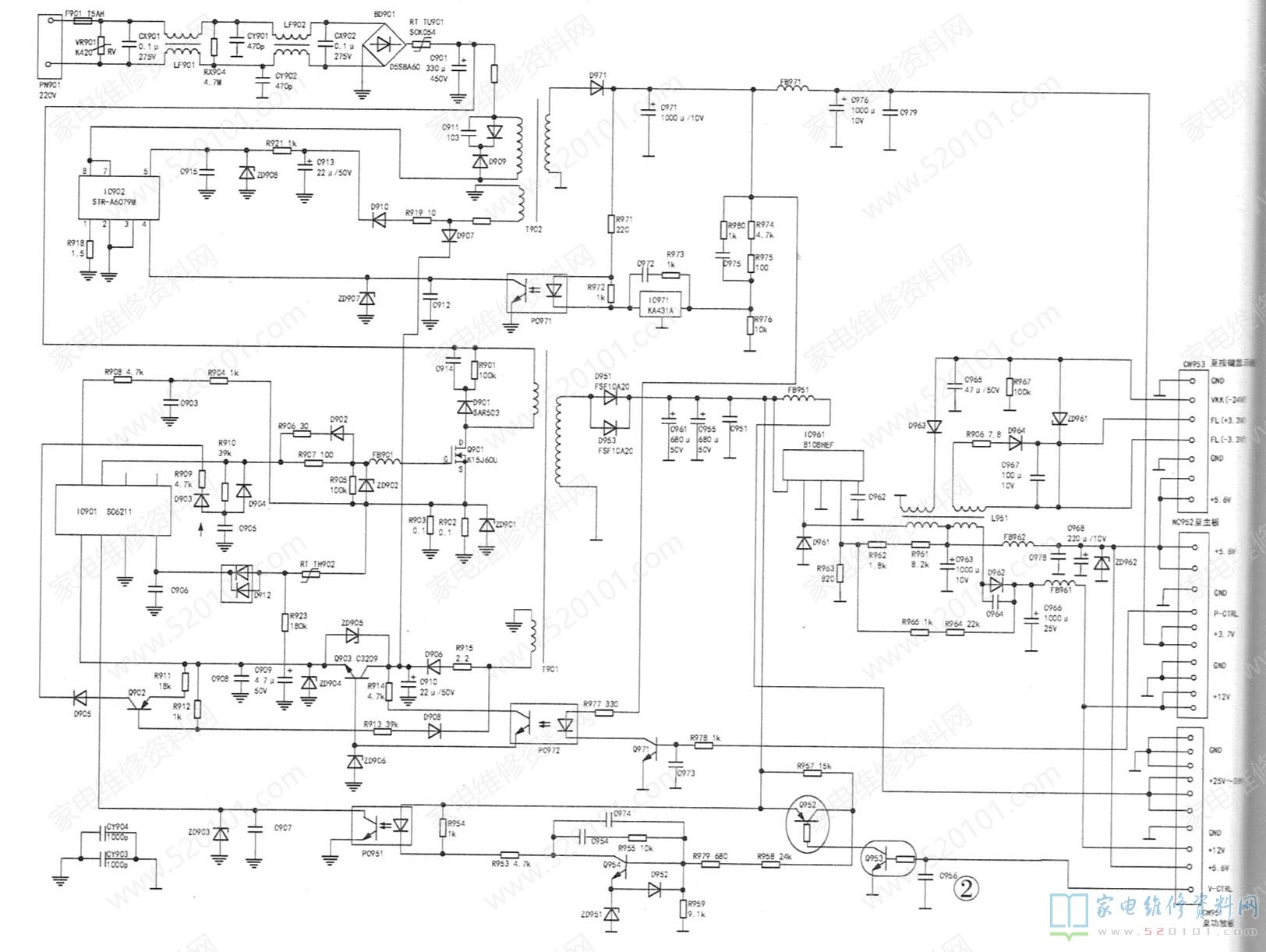
机器正常时检查电源板,在测量主板一侧的供电排线插座时,不经意碰了该线,机器马上就不正常了:此时电视机播放的彩色画面变为绿屏,且没有声音。看来问题在该插座,经检查插针、插座没有氧化现象,确定为线路板背面插座有几个焊盘引脚已脱焊。补焊后,机器恢复正常。附上该机的线路框图(如图1所示)及电源板实测电路(如图2所示),供维修时参考。


网友评论