最近几年来,户外拉杆音箱广泛运用于播放舞曲、街舞、吉他弹唱、MP3伴唱、乐队排练等,音箱上有U盘插口,可以播放DVD,箱体内有功放机、充电器和电瓶,充电后能用几小时,外部的音源可以输入音箱,带话筒插口,集成无线话筒,有混响和延时功能,使用非常便捷。最近笔者维修了几台户外拉杆音箱,发现内部电路板子上标识型号为JY-160,大同小异。
最近接修的这台户外拉杆音箱铭牌为:JINYUN,型号为:JY-160D,如图1所示。该机故障现象是开机后扬声器中传出很大的“砰砰”声,问题是电位器不起作用。
一、电源电路分析
该机实绘电路如图2、3所示,元件位号为自编号。
220V交流电经过变压器降压后输出2路交流电压,一路经过KBU101G整流、C1滤波后输出34V直流电,给电瓶充电:另一路经过KBU101G整流、C2滤波后输出26V直流电(也可由电瓶或外部电源接口输入24V直流电),又分为两路:一路经过78L12输出12V电压(标注为12V1),分别给IC1、IC2、IC3(D4558)3个前置放大器供电,并经过78L05输出5V电压,给IC4 (LM358 )、M65831AP供电;另一路经过电源开关K1及R1~R4加到Q1的基极,Q1导通,J1继电器常开触点J1K吸合,经过KA7812和KA7809分别输出12V电压(标注为12V2 )和9V电压,12V2电压给DVD、TAPE设备供电,9V电压给无线话筒供电。同时,继电器J1吸合后26V电压通过R5.R6分别加到Q3的发射极和Q2的基极,9V电压加到Q3的基极和Q2的发射极,Q3导通,Q2.Q4截止,9V电压通过R7使双色二极管的LED G(绿灯)点亮,代表音箱供电正常。用电瓶供电,当供电电压在14.5V~15V 之间时,加到Q1基极、Q3发射极的电压降低,但这两只三极管仍处于导通状态,供电电压降低促使Q2导通,9V电压通过R8使双色二极管的LED R(红灯)点亮,表示电量低,Q4导通接地,使双色二极管的LED G(绿灯)熄灭。当供电电压低于14.5V时,Q1截止,J1继电器断开,音箱停止供电。
按下电源开关K1,接通电源使J1继电器正常吸合后,26V电压为IC5、IC6(LM1875)供电,同时26V电压通过R8、Q5和Q6组成的稳压电路对C3充电,由于C3两端电压不能突变,因而三极管Q7.Q8截止,继电器J2断开,起到开机静噪的目的。延时数秒钟后,C3的两端电压上升使Q7、Q8导通,继电器J2吸合,其常开触点J2K闭合,扬声器与功率放大器LM1875的输出相连进入正常工作状态。关机时,C3的两端电压经R9放电,Q7、Q8截止,J2继电器断开,切断扬声器与功率放大器LM1875之间的连接,起到保护作用。
二、音频处理部分
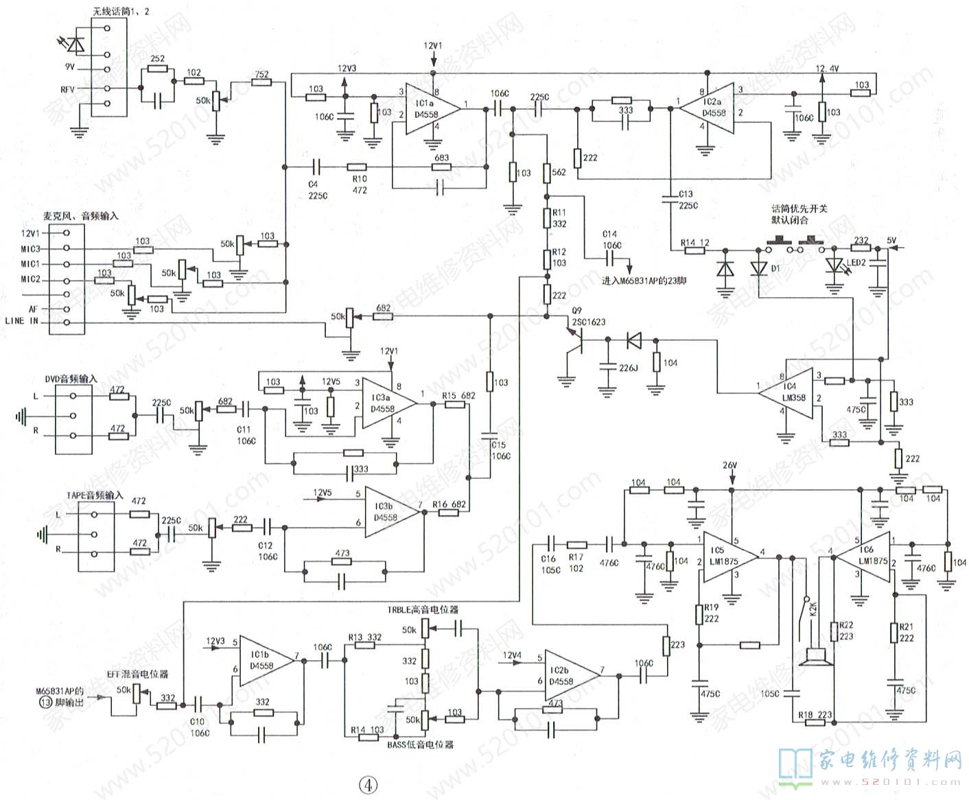
该机音频处理电路如图4所示。

1、LINE IN(外部音频信号),DVD、TAPE音频信号输入
LINE IN通过外部音频接口输入的信号经过50kQ音量电位器后进入音频处理电路。DVD、TAPE音频信号经过阻容元件后分别耦合到各自的50kΩ音量电位器,调节后的信号分别经过C11、C12进入IC3a的②脚、IC3b的⑥脚进行放大,放大后的信号分别通过IC3a的①脚、IC3b的⑦脚经R15、R16、C15与LINE输入的信号混合。IC3由12V1供电。该音箱的TAPE音频部分是预留电路,没有安装电位器。
2、话筒输入
2个无线话筒信号和3个话筒插座MIC1~MIC3输入的话简信号分别经各自的50kΩ音量电位器调节后,经过C4、R10混合在一起,从IC1a的②脚输入,从①脚输出放大的信号,再通过IC2a的②脚输入进行再次放大,最后从①脚输出,分成三路:第一路经C14送往延时电路M65831AP输入端2脚,M65831AP由5V供电:第二路作为直达声,经R11、R12与LNE和DVD、TAPE输入音频混合,通过C10送往IC1b、IC2b构成的混合缓冲放大电路,IC1、IC2由12V1供电;第三路经过C13、R14后送到话筒优先双开关K2-1、K2-2(拨到OFF位置时开关是接通状态,拨到ON位置上时开关是断开状态),当开关拨到ON位置时,打开音箱的话筒优先功能,LED2指示灯点亮,话筒信号经D1进入IC4(LM358 )运算放大器的③脚放大,此时③脚的电压大于②脚的电压,①脚输出高电压促使Q9导通,把LINE信号、DVD音频信号、TAPE音频信号接地拉低,只播放话筒输入的声音,IC4(LM358 )由5V供电。
3、功放输出部分
需要进行延时处理的话筒信号从23脚进入M65831AP后在集成电路内部进行低通滤波数/模转换、转换,最后从13脚输出延迟的音频信号,经EFF混响电位器控制延时混响信号的幅度后,通过c10耦合。送往IC1b的⑥脚作为反射声,与直达声混合,混合后从IC1b的⑦脚输出,接着经R13、R14及TREBLE高音电位器BASS低音电位器调节混合后,送到混合缓冲放大器IC2b的⑥脚,按一定比例混合放大,从IC2b的⑦脚输出得到混响声。
输出信号从IC5( LM1875 )功率放大器的同相输入端①脚输入,IC6( LM1875 )功率放大器的反相输入端②脚的信号经R18从IC5的输出端④脚引入,在扬声器负载上得到的输出为IC5的④脚和IC6的④脚这两输出信号的叠加。这种电路属于BTL功率放大,BTL是Bridge-Tied-load的缩写,意为桥接式负载。负载的两端分别接在两个放大器的输出端,其中一个放大器的输出是另外一个放大器的镜像输出,也就是说加在负载两端的信号仅在相位上相差1800,负载上将得到原来单端输出的2倍电压,从理论上来讲电路的输出功率将增加4倍,BTL电路能充分利用系统电压,因此BTL结构常应用于低电压系统或电池供电系统中。IC4、IC5的放大倍数分别由R19、R20和R21、R22的比值决定。
三、充电电路部分
整流滤波输出后的34V电压,经R23加到场效应管VT1(IRFZ44N)的G极,触发场效应管VT1导通,电流经过R24.D2给电瓶充电,如图5所示。
充电时,Q10基极电压低于发射极电压,Q10截止,R24的取值决定了充电电流的大小。充电电压一路经过RP1和R25进入IC7(LM358 )的⑥脚,同时经过R26进入IC7的⑤脚,此时⑤脚电压高于⑥脚电压,⑦脚输出的高电平经R30加到Q11的基极,Q11饱和导通,拉低Q12基极电压,Q12截止,此时对电瓶进行恒流充电,调节RP1大小可设定电瓶恒流充电的结束电压;另一路经过R27~R29分别进入IC7的③脚和②脚,并对②脚外接电容C13充电。在刚开始恒流充电时IC7的③脚电压大于②脚电压,①脚输出高电平,经R31限流后使充电指示灯LED3点亮,同时①脚输出电压又经过R29反馈到②脚,随着C13的充电完成,IC7的②脚电压大于③脚电压,IC7的①脚翻转输出低电平,充电指示灯LED3熄灭。当IC7的②脚电压降低后,IC7的①脚又翻转输出高电平,充电指示灯LED3又被点亮,随着电容C13对IC7的②脚放电,一旦放电完毕,又使IC7的①脚翻转输出低电平,LED3又熄灭,即LED3在恒流充电时一直循环闪烁。
随着充电继续,电瓶电压的缓慢上升,当电瓶电压达到设定的恒流充电结束电压时,充电电压接近电瓶电压,IC7的⑦脚翻转输出低电平,Q11、Q12的Ube电压在0.6V左右,三极管工作在放大状态,通过VT1对电瓶进行恒压充电,这时充电电流逐渐减小,促使IC7的③脚电压远远大于②脚电压,①脚始终输出高电平,LED3指示灯常亮,恒压充电直到电瓶充满。
四、故障检修
断开如图4中的R17电阻,将音频信号从C16负极引出接到其他正常使用的功放板上,开机后扬声器能发声,这说明功放输出电路有故障。拆下原板上两只LM1875功放块测量引脚间的阻值,与新的LM1875完全相同,难道是软击穿了?换上两只新的LM1875,在线测量其引脚间阻值时,发现IC5的②、③脚(地)短路。仔细检查后发现主板上的IC5的②脚与R19是单独用导线飞线连接的,且飞线是裸线没有绝缘皮保护,飞线的两边都是大面积接地线,加之先前的维修员飞线连接时用了助焊膏焊接,焊接完后没有及时清理焊接处,时间长了助焊膏腐蚀了接地线的绝缘漆,造成该处短路,重新用导线连接,并做好绝缘处理后试机,故障排除。

网友评论