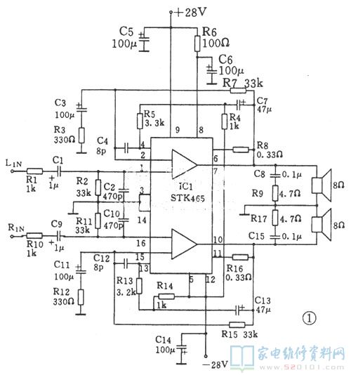
下图是一款2×30W双声道音频功率放大器,其核心器件IC1采用高保真音响功放集成电路STK465,该电路内包含两个性能指标完全相同的功率放大器,分别用作左、右声道的功放,可保证两个声道放大器指标的一致性。电路输入阻抗30k,输入灵敏度150mV,电压增益40dB,频率响应:10Hz~100kHz,谐波失真≤0.08%,电源电压范围±(25~35)V。制作时应注意,正、负电源退耦滤波电容C5、C14的位置应尽量分别靠近sTK465的正、负电源输入端。如电路有自激现象,则增大C5和C14的容量。该功放输出功率适中,制作容易,可用作一般家庭的组合音响、卡拉OK设备或VCD机的声音播放。由于该功放电压增益高达40dB,输入灵敏度高,可省去前置放大器,而直接与卡拉OK机、VCD机等信号源连接。该功放也可用作家庭影院系统的环绕声功放。
网友评论