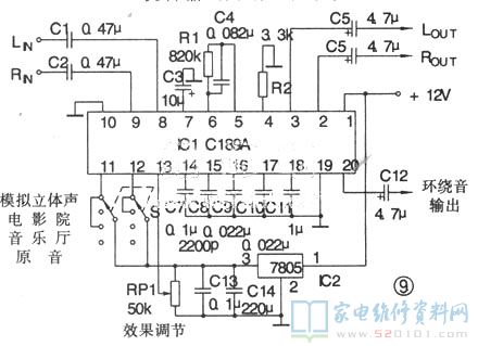
下图是一款采用专用声效处理集成块C1891A构成的环绕声处理电路,它可将普通的立体声信号处理成新的左声道、右声道和环绕音三路输出信号;对于单声道信号,可产生模拟立体声效果。S为效果选择开关,该电路可以选择四种音色效果,即:模拟立体声、电影院效果、音乐厅效果、原音。RPI为效果调节电位器,调节RPl,可以改变模拟效果,实际使用中可根据各自喜好调节到适当位置。IC2为7805集成稳压块,为电路提供调节所需的+5V参考电压。该电路一般插入在前置放大器与功放之间,环绕音输出另增一功放。
下图是一款采用专用声效处理集成块C1891A构成的环绕声处理电路,它可将普通的立体声信号处理成新的左声道、右声道和环绕音三路输出信号;对于单声道信号,可产生模拟立体声效果。S为效果选择开关,该电路可以选择四种音色效果,即:模拟立体声、电影院效果、音乐厅效果、原音。RPI为效果调节电位器,调节RPl,可以改变模拟效果,实际使用中可根据各自喜好调节到适当位置。IC2为7805集成稳压块,为电路提供调节所需的+5V参考电压。该电路一般插入在前置放大器与功放之间,环绕音输出另增一功放。
网友评论