本文接续上一篇《等离子PDP屏发光机理与特点分析》继续讲解,PDP整机电路由主板信号处理电路、屏上逻辑板电路、电源、扫描电路维持板、地址驱动板组成,整机信号处理电路框图见图8。
PDP主板信号处理电路与高清CRT电视数字处理板极为相似,PDP信号处理电路主要有TV、AV信号接收及ADC转换处理。数字部分完成HDTV及VGA接收及ADC转换电路,HDMI接收处理及解码电路;上网电视信号接收模块转YPbPr信号的接收电路,变频和上屏信号形成。现在的PDP电视主板均采用超级芯片完成上述信号的接收、处理及格式转换。这些不同格式信号均是在软件支持下完成,故PDP与LCD电视、高清CRT电视比较,整机主板工作非常相似。其次是主板与屏的接口电路差异也较大,故PDP主板的替换要考虑主板与屏逻辑板、与电源板的接口电路是否相同,不然就不能互换,尤其是不同品牌屏互换性就更差了。和早期的液晶电视一样,等离子电视也不能通过进入总线改屏参数实现主板与屏匹配。主板送往屏组件的信号是统一格式的LVDS信号,即低压差分信号,用万用表测LVDS信号电压通常在1V~1.5V左右,波形见图9,LVDS信号传送通常是成对出现,相位相反的。
一、电源工作过程
PDP电源是由若千个模块电路组成的(实物见图10),各部分电路既按照一定的时序工作,又有一定的独立性。我们只要弄清各个模块电路间的关系就可针对哪一路电路输出电压异常,检查该单元电路即可。PDP电源板看起来非常重而大,原因就是散热片大、多,变压器也比普通CRT电源多。但变压器多并不表示电路复杂,其实PDP单元电路工作非常简单,维修也不难,与CRT电路维修方法相似。
1、电源工作时序(本文以LG屏为例)
PDP电源的工作时序关系是:首先电源管理CPU供电及5VSB电压产生,然后主板控制系统工作,二次开机送出PS-ON或RLY-ON启动低电压电路和PFC及逻辑板及VA电路工作的控制信号,延时很短时间后,主板再送出VS-ON启动电源,CPU送出启动VS电路工作的控制信号,这样整个电路便进入正常工作状态。遥控关机后,电源管理CPU首先送出关掉VS电压的控制信号,然后关掉低电压形成电路。LG 32英寸屏电源启动及关闭时序图见图11,它表明交流电接入的同时电源板送出主板的5VSB电压随后便建立,主板送出RLY-M5V-ON(PS-ON)时,逻辑板5V-CTRL及主板的5V等电压建立,随后主板再送出vSON信号,电源板VA及VS电压便建立,关机过程则是先关掉VS、VA电压,然后关掉逻辑板和主板的5V电压,整个电源在开机与待机时,电源板上STANDBY即5VSB始终存在,除非交流关机。
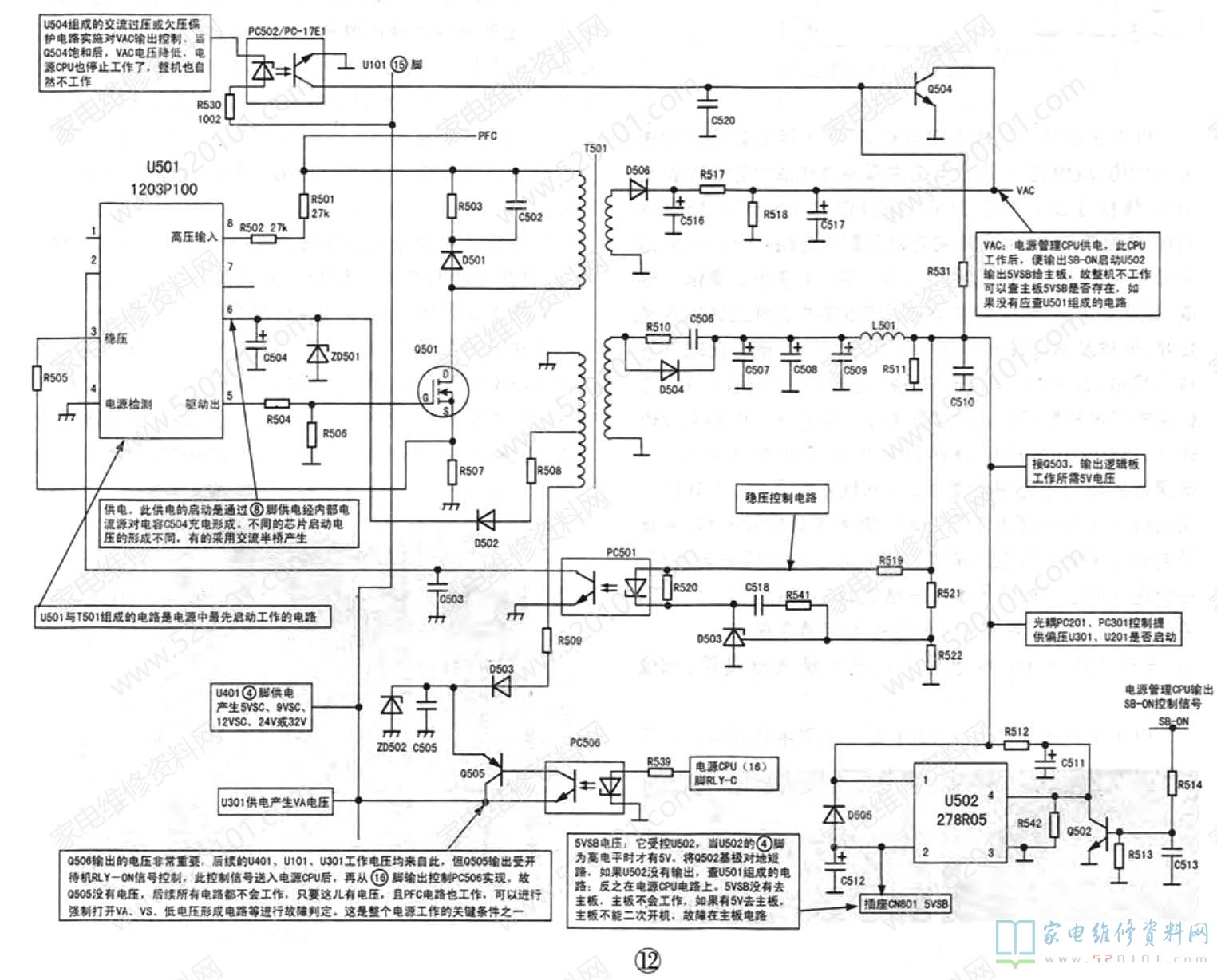
2、5VSB电压、电源管理CPU供电VAC及整个电源所有IC供电vCC产生(VCC整机工作供电形成核心)
图12是LG V7屏(电源板号3501Q00156A)电源CPU启动供电及主板控制系统5VSB电压形成电路。该电路工作过程与CRT电源相比较为简单。全桥产生的脉动300V电压(PFC电路未工作时为300V,工作时400V )接U501⑧脚和开关管上,加在U501⑧脚上的电压通过内部电流源给⑥脚充电产生IC启动工作电压。U501和Q501工作后,D506、C516产生VAC电压供电源管理CPU;D504、C507产生的电压供U502;D502、R506、C504产生的电压供U101 ;R509、D503、C505产生的电压接入Q505。电源管理CPU 11脚得到VAC电压后启动工作,从CPU 18脚输出SB-ON控制信号控制Q502,这样U502输出5VSB经插座CN801给主板CPU供电,主板CPU工作后,整机处在待机状态。如果执行二次开机,主板便送出RLY-ON给电源管理CPU2脚,电源管理CPU判定电平后,从⑥脚输出RLY-C控制Q505输出VCC电压给U401和U101, PFC电路和低压形成电路工作后,主板快速输出VS-ON启动U301,VA电路工作,随后VS振荡电路U201也开始工作。
3、PFC电路
图13为PFC电路的电路原理图,PFC电路的作用是提高电源效率,降低电源的损耗功率。将传统全桥整流产生的300V升高到400V,其工作原理就是取出300V中的脉动电压控制相应振荡电路产生控制开关管工作的开关信号,PFC电路中的Q102为开关管,U100 16脚输出的脉冲信号经Q103.Q104放大后加在Q102上。Q102导通时,电感L105储能。Q102截止时,储能电感通过二极管D102对大滤波电容C105、C106放电,这样在电容C105.C106上的实际电压就是300V电压+PFC电压的叠加电压(上升到400V)。故PFC电路未工作时PFC电路输出电容端C105、C106处的电压为300V,PFC电路工作时才有400V,PFC电路设置有过压及稳压控制电路,使PFC电路输出电压稳定在400V。因为PFC电压太高会导致电源上的许多元件因过压而损坏。4、低压形成电路(5VSC、9VSC、30V调谐电压产生)
图14为电源板低压形成电路原理图。PDP电源部分均设置有低压形成电路。不同的产品低压形成电路设计有差异,就像CRT电源设计不同一样,从图14可以看出,此IC组成的电路工作过程非常简单,首先是电源管理CPU工作,然后主板CPU送来RIY-ON电压送入电源CPU,电源CPU再启动PC506、Q505给U401供电(VCC),U401得电并不能立即工作,因为它的反馈FB脚受控于Q401、PC503。电源CPU在输出RLY-C信号的同时还从12脚输出5V-ON控制信号启动PC503使其饱和(注:同时还启动Q503输出5VCTR给逻辑板供电),这样Q401基极无供电而截止使U401②脚反馈正常控制,U401也正常工作,在次级端将分别储能,通过相应整流电路产生整机所需低电压。
这些整流电路与普通CRT电路相比,电路采用的滤波电容较多,设计多滤波电容的原因是防止主板与电源间的相互干扰。由此可见,低电压形成电路可以强制打开Q506和将Q401基极对地短路进行故障检修判定。主板开机后伴音不正常或图异,如接收TV信号无图,则应首先测电源给主板提供的这几路电压是否正常,如果不正常,拔掉插座CN804、CN802也不正常则查这部分电路即可。
5.VA电压形成VA电压主要供地址扫描板工作,无该电压将出现黑屏现象。VA电压由U301组成的电路产生,见图15。
U301供电来自T501次级绕组经Q505后得到。此IC的工作方式与U401有些相似,对U301来讲光有此电压并不能保证IC启动,因为U301的②脚还由Q301控制。只有在电视机二次开机后,主板有vS-ON信号从插座CN801送入电源CPU 23脚,检测后从14脚输出60V-ON信号经光耦PC505控制Q301,使Q301截止,U301②脚外电路接收到反馈信号后,整个IC才能启动进入工作状态,在次级产生感应电压并产生VA(60V )电压。电路中电位器VR301可微调VA电压大小。当VA电压异常或画面异常时需确认VA电压是否与屏标注电压一致。VA电压异常需查U301组成的电路及PC301,U302组成的稳压检测控制电路。从图12和本期图15可以看出,PC301、U302的工作受U501、T501影响,只有U501工作,次级D504有整流电压输出此稳压电路才会工作。故VA电压不正常时,还需要查T501次级D504、C507、C508、C509、C510是否漏电、U502 (输出5VSB )是否击穿。6.VS电压形成
VS电压形成电路见图16。
VS电压形成与VA电压工作方式相似,受主板提供的VS-ON信号控制,电源管理CPU 15脚输出190V-ON信号通过PC504 控制Q201 ,Q201基极无电压截止时,U201组成的电路才能进入正常工作状态,并从次级产生VS电压供PDP扫描电路、维持扫描电路工作。VS电压滞后VA,只有VA电压建立,VS电压才会产生,因为电源CPU首先要检测VA电压,R610~R613、R604~R606组成的便是VA电压检测电路(见图15),当VA电压过高或过低时,电源CPU将首先关闭VS、VA及低压形成电路(除5VSB电路外)。VS电路中的VR201为微调VS电压大小的电位器,VS 电压异常会导致图花或无光栅等故障。因为VS电压还要在扫描板上形成VSCAN电压,这些电压是形成扫描波形的关键,故整机图异或不开机或黑屏故障时,需测量VS电压。
7.电源管理电路

电源管理电路如图17所示。PDP电视均有电源管理CPU,有些LCD电视电源电路设置有简单的电源输出电压判定电路,它们的作用基本相似,均起判定电源送出各路电压是否正常的作用。由于PDP电源输出电压复杂,通常采用一块功能强大的IC,有些IC还有自己的控制芯片,实现对电源输出电压判定。电源管理CPU工作的前提是5VSB电路首先要产生VAC电压,然后电源管理CPU 18脚送出SB-ON信号控制Q502,启动U502输出5VSB给主板,并通过Q601产生5V给电源管理CPU的判定电路;二次启动电视后电源管理CPU首先判定RYL-ON信号启动低压形成电路(U401 )和PFC电路U101(PFC )进入工作状态,低电压形成电路输出各路低电压。同时5V-ON信号还送入Q503,输出5VCTRL(5V )去逻辑板和扫描电路。
主板得到低电压后,随后送出VS-ON电压使电源CPU输出190V-ON、60V-ON,使VS、VA电压形成电路工作,这样主板和屏电路均工作,屏幕上显示图像。电路中Q601为低电压形成电路的过压保护控制电路,当低电压形成电路有一路负载变轻或输出电压偏高时,将触发Q601饱和导通,这时CPU 24脚为低电平,将从12、18脚输出控制信号关闭低压形成电路,从而使PFC、VS、VA电路停止工作。电路中Q602、Q603、Q604为低压欠压保护电路,正常工作时这些三极管均处于饱和状态,即CPU ⑥、26、25脚处于低电位,当这些脚有高电平时,将从12脚输出关闭电源工作的控制信号。VS、VA的检测依靠CPU③、④脚电平判定,正常工作时两脚电压为高电平,两脚任-电压消失,将从CPU 14、15脚输出控制信号关闭VS、VA电压,同时还将从17脚送出VS放电控制信号,随后输出关闭低压形成的所有控制信号,使电路处于保护状态,整个电源只有VAC和5VSB形成电路在工作。故VS.VA电路不工作时,需要查③、④脚电平以及17脚外接放电回路,这些电路有故障将会导致黑屏故障。
从图17还可以看出屏自检方式,正常工作时主板送来的RLY-ON信号送入22脚,CPU检测此信号启动12脚输出5V-ON和16脚输出RLY-C启动PFC和低压形成电路工作。主板送来的VS-ON信号送入CPU 23脚,当CPU检测此脚为高电平时,从14、15脚启动VS、VA电路工作。屏独立工作时,将没有主板提供的RLY-ON和VS-ON,故在电路上设置开关SW601,将5VSC分别给22、23脚一高电平,从而启动逻辑板CPU输出测试信号供屏显示工作。
本文未结束,请继续阅读下一篇《等离子PDP电视主板控制电路分析与维修》。





网友评论